GM Service Manual Online
For 1990-2009 cars only
Makes
🢒
Saturn
🢒
2007
🢒
VUE - FWD
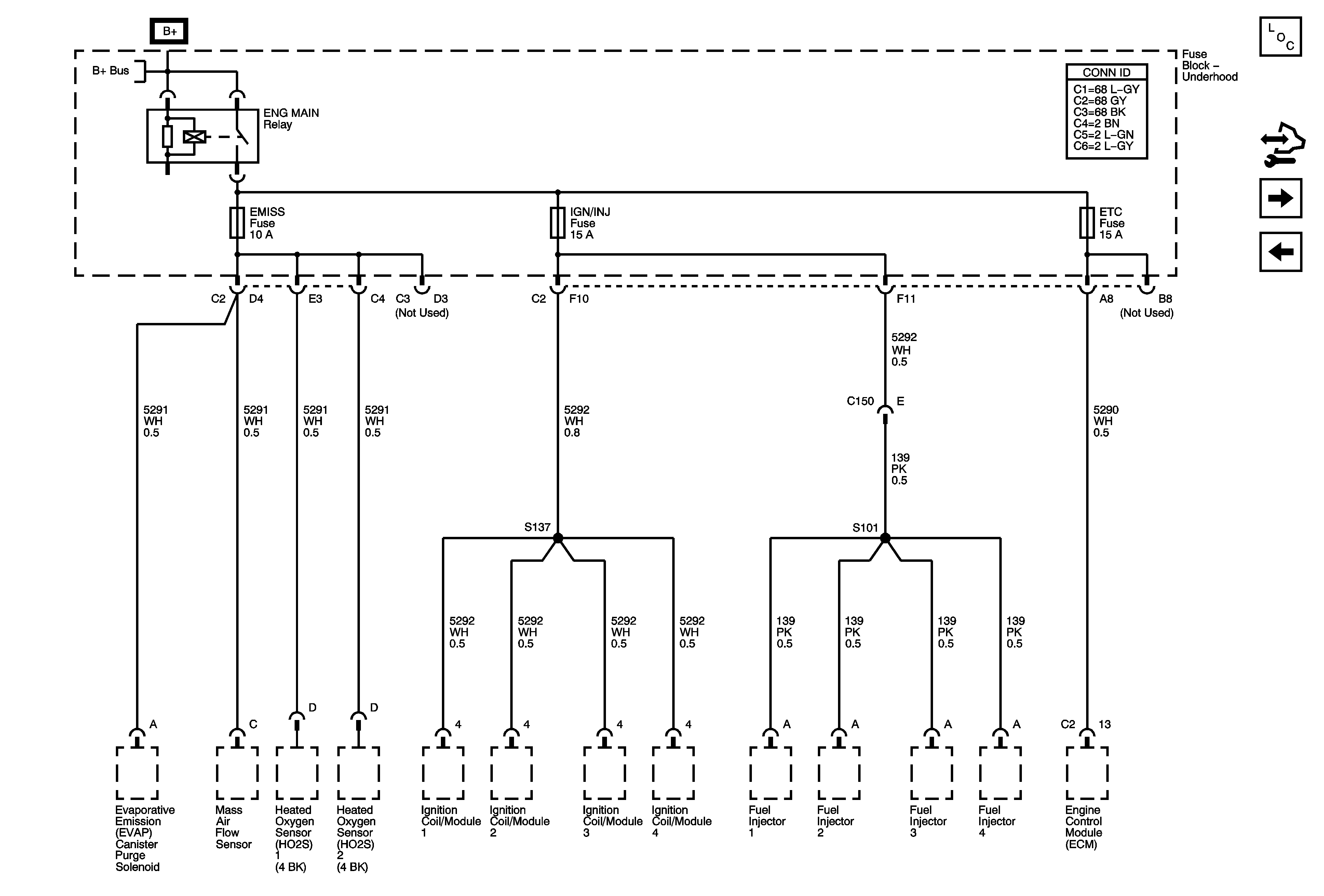
🢒 EMISS, IGN/INJ, and ETC Fuses (HP7)
EMISS, IGN/INJ, and ETC Fuses (HP7)
EMISS, IGN/INJ, and ETC Fuses (HP7)
Master Electrical Component List
Control Module References
EMISS and ETC Fuses L66
IGN/INJ, EMISS, and ETC Fuses L61
B+ Bus and EPS Fuse