GM Service Manual Online
For 1990-2009 cars only
Makes
🢒
Saturn
🢒
2007
🢒
VUE - FWD
🢒 Passenger
Passenger
Passenger
Master Electrical Component List
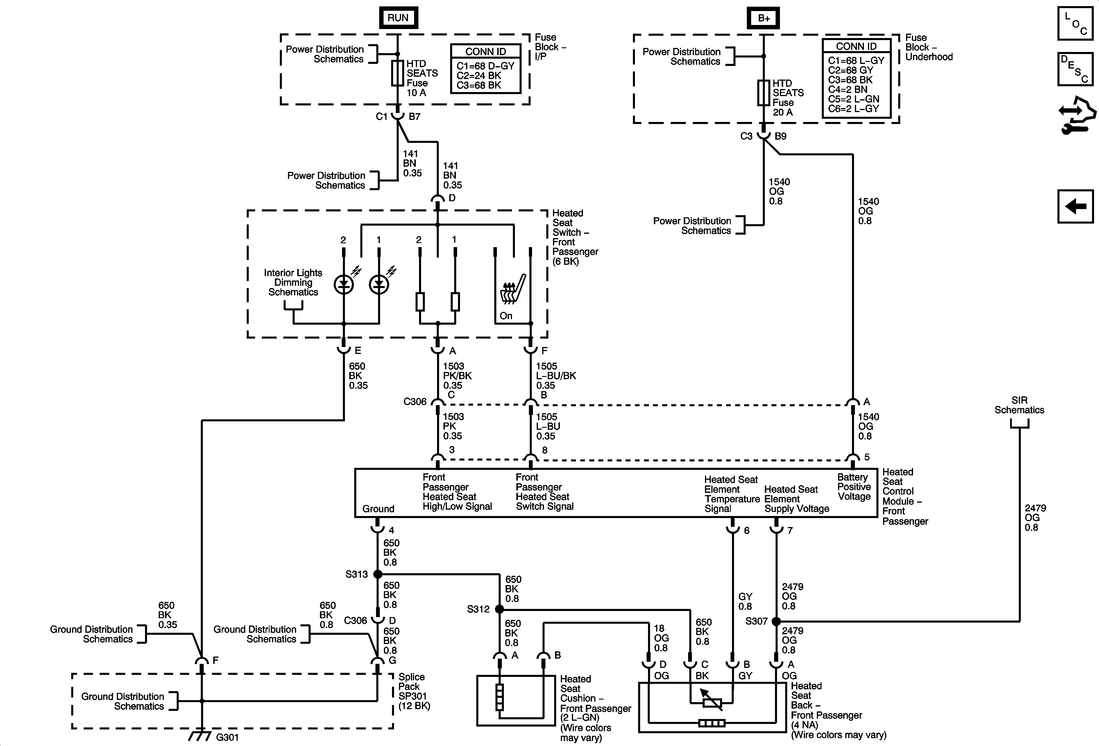
Heated Seats Description and Operation
Control Module References
Driver
IGN Fuse and Ignition Switch Circuits
B+ Bus and EPS Fuse
TURN, BCM, RADIO (IGN), HVAC, and HTD SEATS Fuse
PWR SEAT Circuit Breaker, LH HDLP, RH HDLP, BRAKE, PREM AUD, BATT FEED, and HTD SEATS Fuses
Passenger Presence System
G301 2 of 2