GM Service Manual Online
For 1990-2009 cars only
Makes
🢒
Buick
🢒
2007
🢒
Allure
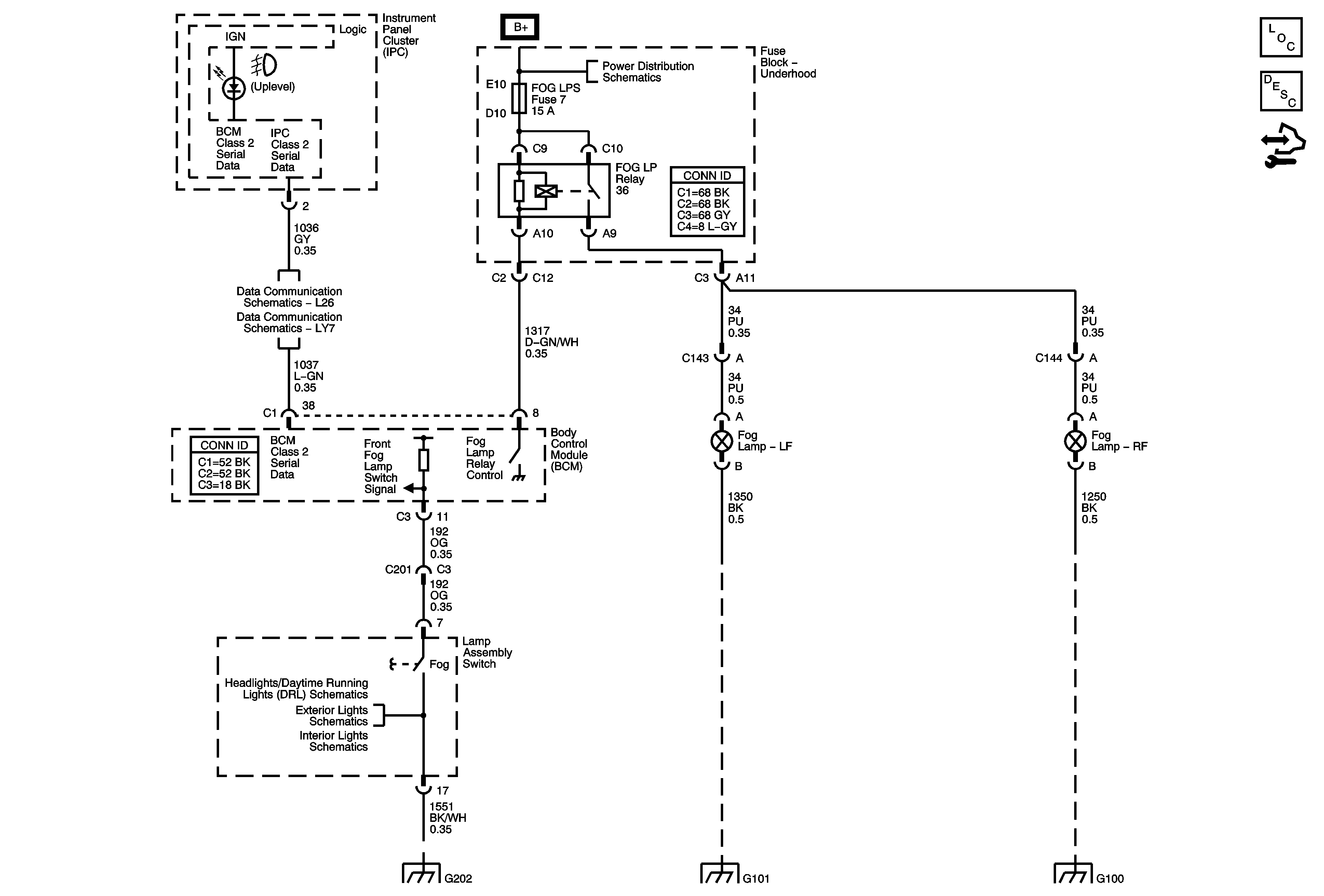
🢒 Steering Wheel and Front Passenger Door Lighting
Steering Wheel and Front Passenger Door Lighting
Master Electrical Component List
Exterior Lighting Systems Description and Operation
Control Module References
Fuse Block-Underhood B+ Bus
Data Link Connector Schematics L26
Data Link Connector (DLC) Schematics LY7
Headlights/Daytime Running Lights (DRL) Schematics
Lights Park Lamps
Lights Lamp Controls
G202
G101, G102, G103, G111, G112, and G113
07 Ground Distribution G100