GM Service Manual Online
For 1990-2009 cars only
Makes
🢒
Buick
🢒
2007
🢒
Allure
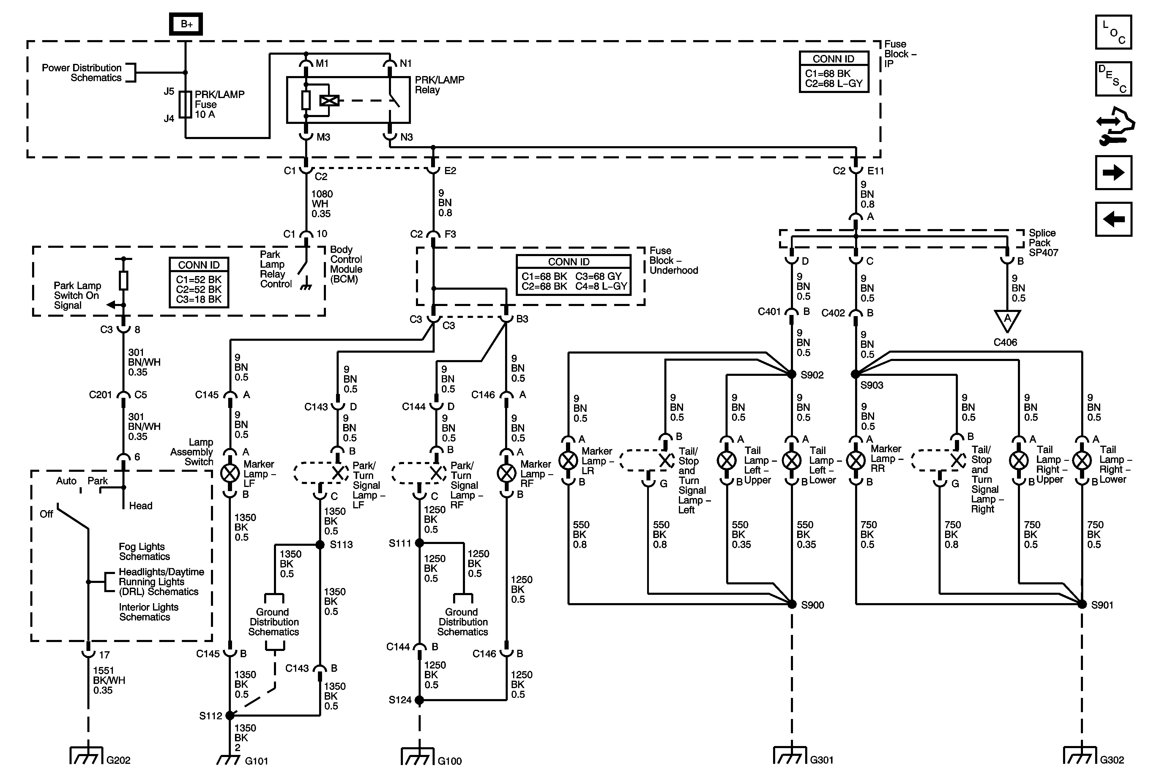
🢒 Lights Park Lamps
Lights Park Lamps
Park Lamps
Master Electrical Component List
Exterior Lighting Systems Description and Operation
Control Module References
Backup and License Lamps
Turn Signal, Hazard and Stop Lamps Outputs
Fuse Block - Underhood BATT MAIN 1 Fuse
Backup and License Lamps
Steering Wheel and Front Passenger Door Lighting
Headlights/Daytime Running Lights (DRL) Schematics
Lights Lamp Controls
G101, G102, G103, G111, G112, and G113
07 Ground Distribution G100
G202
07 Ground Distribution G100
G301
G302