GM Service Manual Online
For 1990-2009 cars only
Makes
🢒
Buick
🢒
2007
🢒
Allure
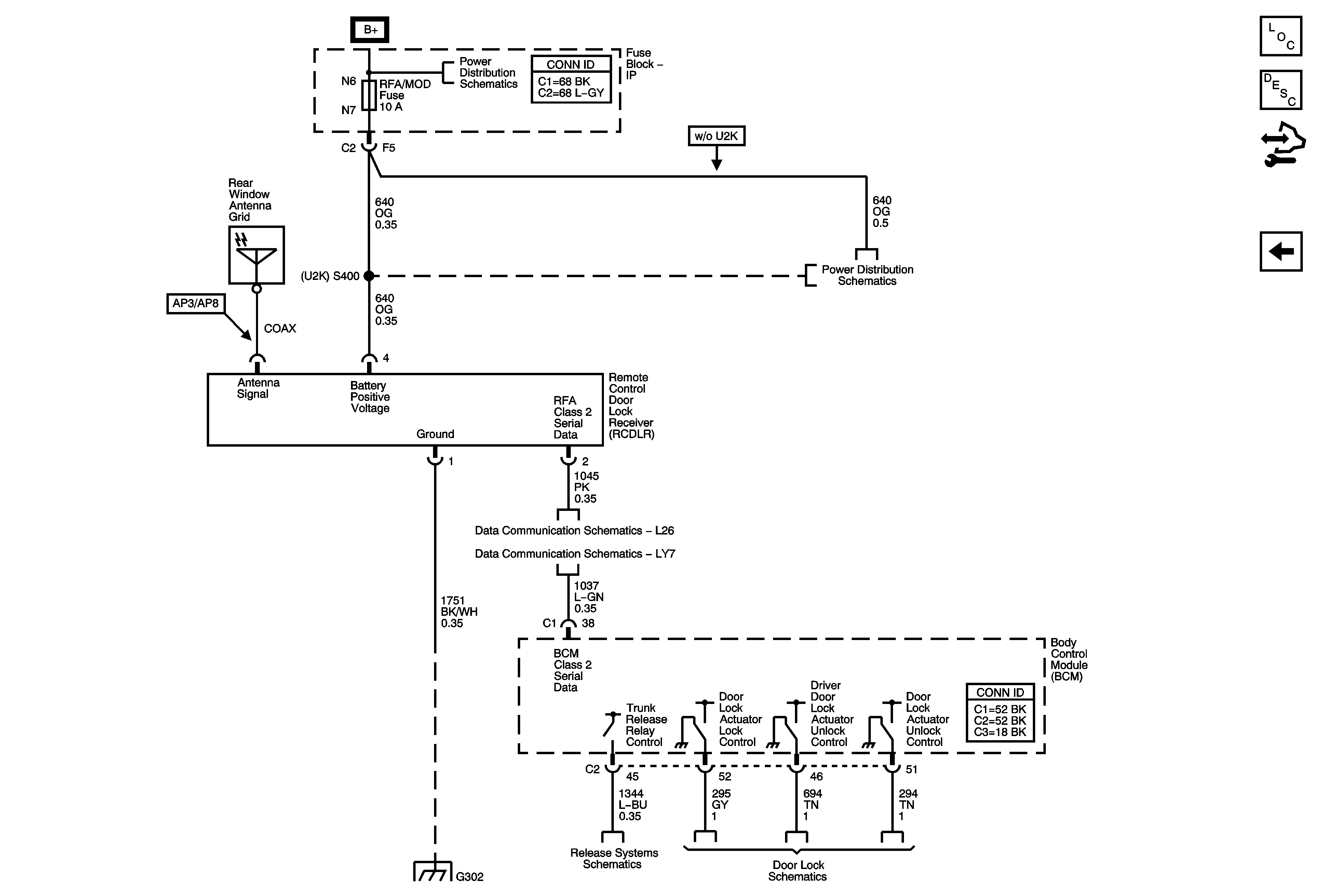
🢒 Keyless Door Entry
Keyless Door Entry
Keyless Entry
Master Electrical Component List
Keyless Entry System Description and Operation
Control Module References
Garage Door Opener
Fuse Block - Underhood BATT MAIN 1 Fuse
Fuse Block - Underhood BATT MAIN 1 Fuse
Data Link Connector Schematics L26
Data Link Connector (DLC) Schematics LY7
G302
Body Rear End
Indicator Actuators