GM Service Manual Online
For 1990-2009 cars only
Makes
🢒
Buick
🢒
2000
🢒
Regal
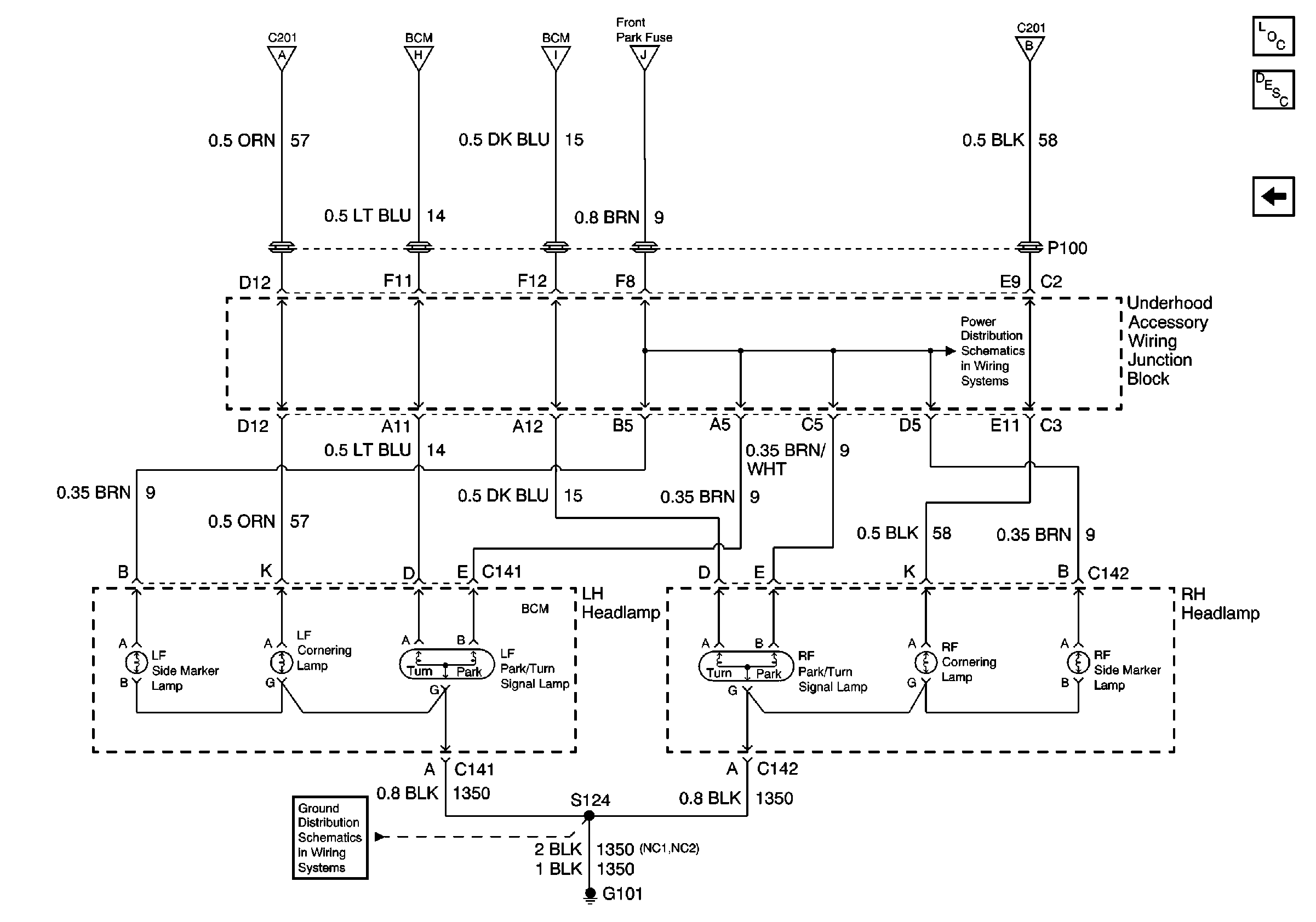
🢒 Park/Turn Signal, Cornering and Side Marker Lamps
Park/Turn Signal, Cornering and Side Marker Lamps
Park/Turn Signal, Cornering and Side Marker Lamps
Hazard Lamp/ Turn Signal Lamp Flasher, Turn Signal Switch, CHMSL And Stop Lamp Switch
BCM
BCM
BCM, Headlamp Switch, Park Lamp Relay, Headlamp Relay and Ambient Light SenSor
Hazard Lamp/ Turn Signal Lamp Flasher, Turn Signal Switch, CHMSL And Stop Lamp Switch
G101
Front Park Lamps, Tail Lamps, License Lamps, and Panel Dimming Fuses
Lighting Systems Components
Exterior Lights Circuit Description
Side Marker, Tail/Stop/Turn Signal, Park, and License Lamps