GM Service Manual Online
For 1990-2009 cars only

BCM

BCM


Object Number: 595022  Size: FS
Battery, UAWJB, Fuse Block, Headlamp Switch, Parklamp and Headlamp Relay
Battery, UAWJB, Fuse Block, Headlamp Switch, Parklamp and Headlamp Relay
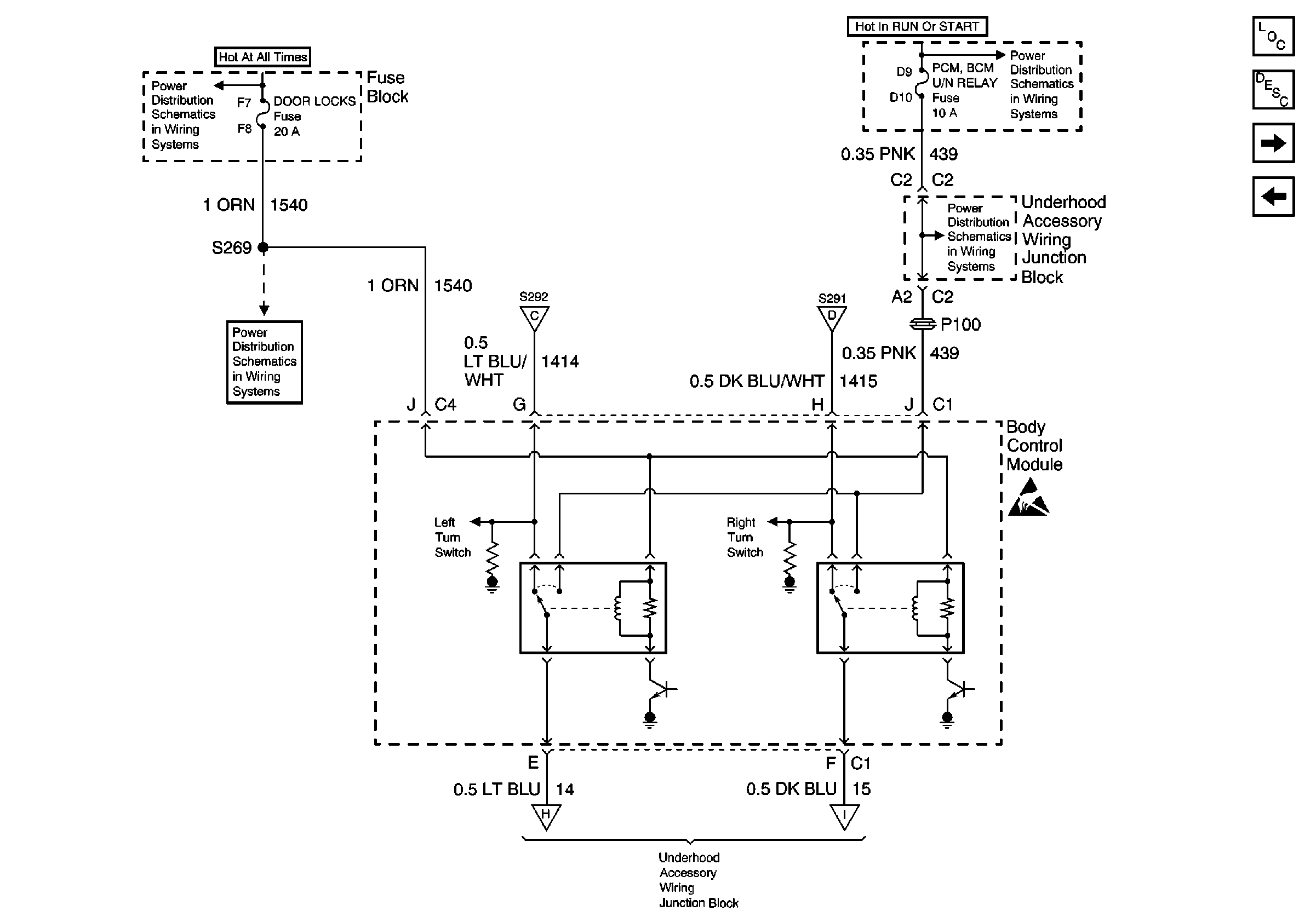
Hazard Lamp/ Turn Signal Lamp Flasher, Turn Signal Switch, CHMSL And Stop Lamp Switch
Park/Turn Signal, Cornering and Side Marker Lamps
Hazard Lamp/ Turn Signal Lamp Flasher, Turn Signal Switch, CHMSL And Stop Lamp Switch
Park/Turn Signal, Cornering and Side Marker Lamps
UAWJB, Ignition Switch, and Fuse Block
UAWJB, Ignition Switch, and Fuse Block
Handling ESD Sensitive Parts Notice
Lighting Systems Components
Exterior Lights Circuit Description
Side Marker, Tail/Stop/Turn Signal, Park, and License Lamps
BCM, Headlamp Switch, Park Lamp Relay, Headlamp Relay and Ambient Light SenSor