GM Service Manual Online
For 1990-2009 cars only
Makes
🢒
Buick
🢒
2006
🢒
Rendezvous - FWD
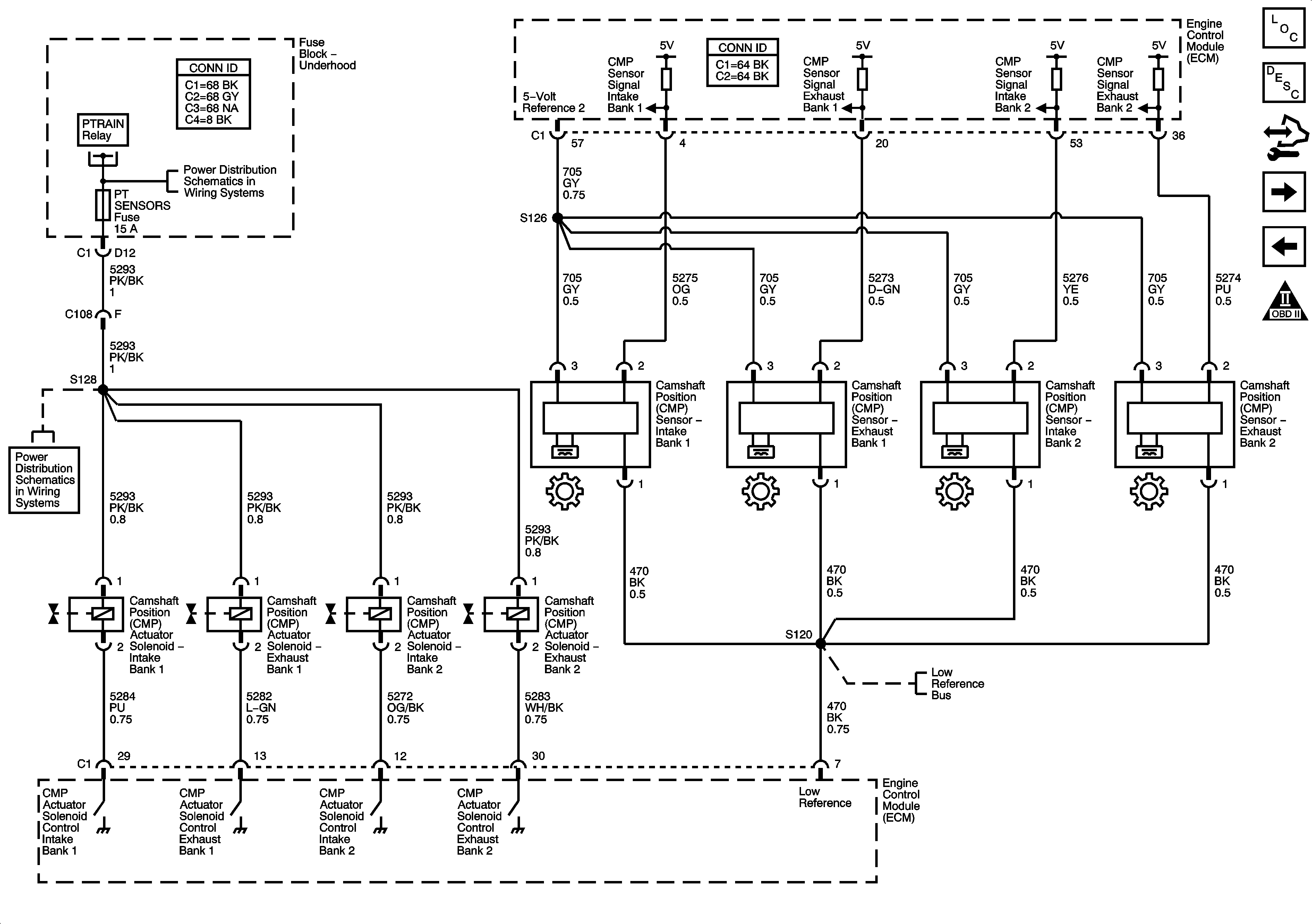
🢒 Ignition Controls-CMP Sensors and Actuator Solenoids
Ignition Controls-CMP Sensors and Actuator Solenoids
Ignition Controls - CMP Sensors and Actuator Solenoids
Master Electrical Component List
Camshaft Actuator System Description
Control Module References
Ignition Controls-CKP and KS Sensors
Ignition Controls-Bank 2 Ignition System
Engine Controls Schematic Icons
Module Power, Ground, Serial Data, and MIL
PTRAIN Relay-2 of 2, BTSI, PT RLY, and PT SENSORS Fuses-
PTRAIN Relay-2 of 2, BTSI, PT RLY, and PT SENSORS Fuses-
Engine Data Sensors-Low Reference