GM Service Manual Online
For 1990-2009 cars only
Makes
🢒
Cadillac
🢒
2007
🢒
CTS
🢒
Transmission/Transaxle
🢒
Automatic Transmission - 5L40-E/5L50-E
🢒 Automatic Transmission Controls Schematics
Figure
1:
Power, Ground, Serial Data, TCM, and Inernal Mode Switch (IMS)
Master Electrical Component List
Transmission Component and System Description
Control Module References
A/T Sensors, Solenoids, DIC and Electronic PRNDL
Underhood Fuse Block DIM/ALDL, Volt Check, Flasher, CCP, ECM/TCM, and ABS Fuses
Underhood Fuse Block DIM/ALDL, Volt Check, Flasher, CCP, ECM/TCM, and ABS Fuses
Ignition Switch 2 of 2
Underhood Fuse Block Starter Relay, IGN 1 Relay, HTR VLV/Clutch and TCM/IPC Fuses
Hydraulic Brakes Schematics
Automatic Transmission Schematic Icons
Power, Ground, GMLAN BUS
G130, G131, G132 and G133 (LP1/LY7)
G130, G131, G132 and G133 (LP1/LY7)
Figure
2:
A/T Sensors, Solenoids, DIC, and Electronic PRNDL
Master Electrical Component List
Transmission Component and System Description
Control Module References
Tap Up/Down Shift Lever (LHD)
Power, Ground, Serial Data, TCM and Internal Mode Switch (IMS)
Automatic Transmission Schematic Icons
Automatic Transmission Schematic Icons
Automatic Transmission Schematic Icons
Class 2 Serial Data Bus - LHD (2 of 2)
G201
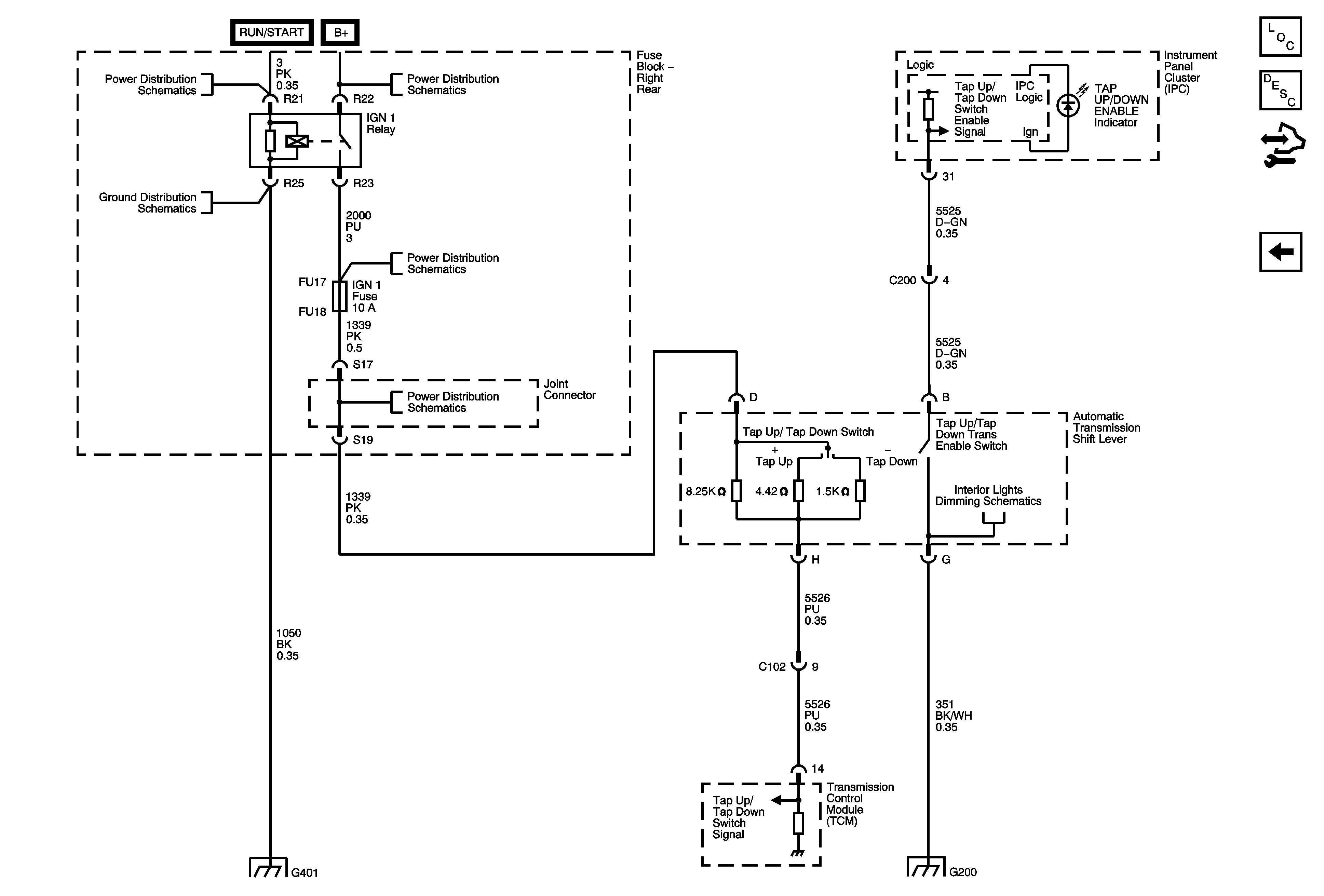
Figure
3:
Tap Up/Down Shift Lever (LHD)
Master Electrical Component List
Transmission Component and System Description
Control Module References
A/T Sensors, Solenoids, DIC and Electronic PRNDL
Right Rear Fuse Block IGN 1 Relay, Airbag, RIM, ABS, PSGR DR MOD, and TV/VICS Fuses
Right Rear Fuse Block B+ Bus
Right Rear Fuse Block IGN 1 Relay, Airbag, RIM, ABS, PSGR DR MOD, and TV/VICS Fuses
Right Rear Fuse Block B+ Bus
Right Rear Fuse Block B+ Bus
G200