GM Service Manual Online
For 1990-2009 cars only
Makes
🢒
Cadillac
🢒
1999
🢒
Catera
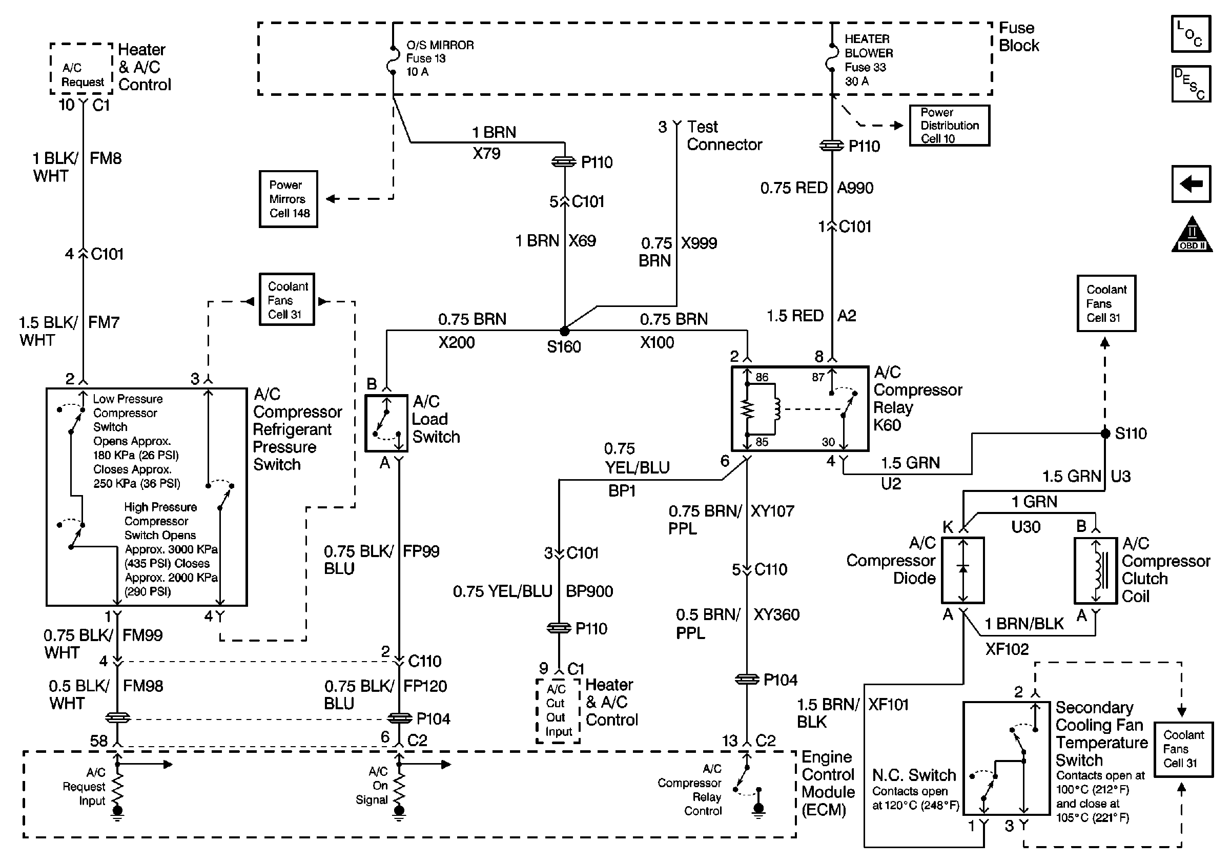
🢒 Cell 20: A/C Controls
Cell 20: A/C Controls
Cell 20: A/C Controls
Engine Controls Components
Air Conditioning (A/C) System Description
Cell 20: Cruise Control
Engine Controls Schematic Icons
Cell 10 Fuse Block, Turn Signal Switch, Blower Control, and A/C Compressor Relay
Cooling Fan, Auxiliary Water Pump, and Heater Water Auxiliary Pump
Coolant Level Indicator
Cell 147 Outside Remote Control Rear View Mirror Switch Without Memory
Coolant Level Indicator