GM Service Manual Online
For 1990-2009 cars only
Makes
🢒
Cadillac
🢒
2001
🢒
Catera
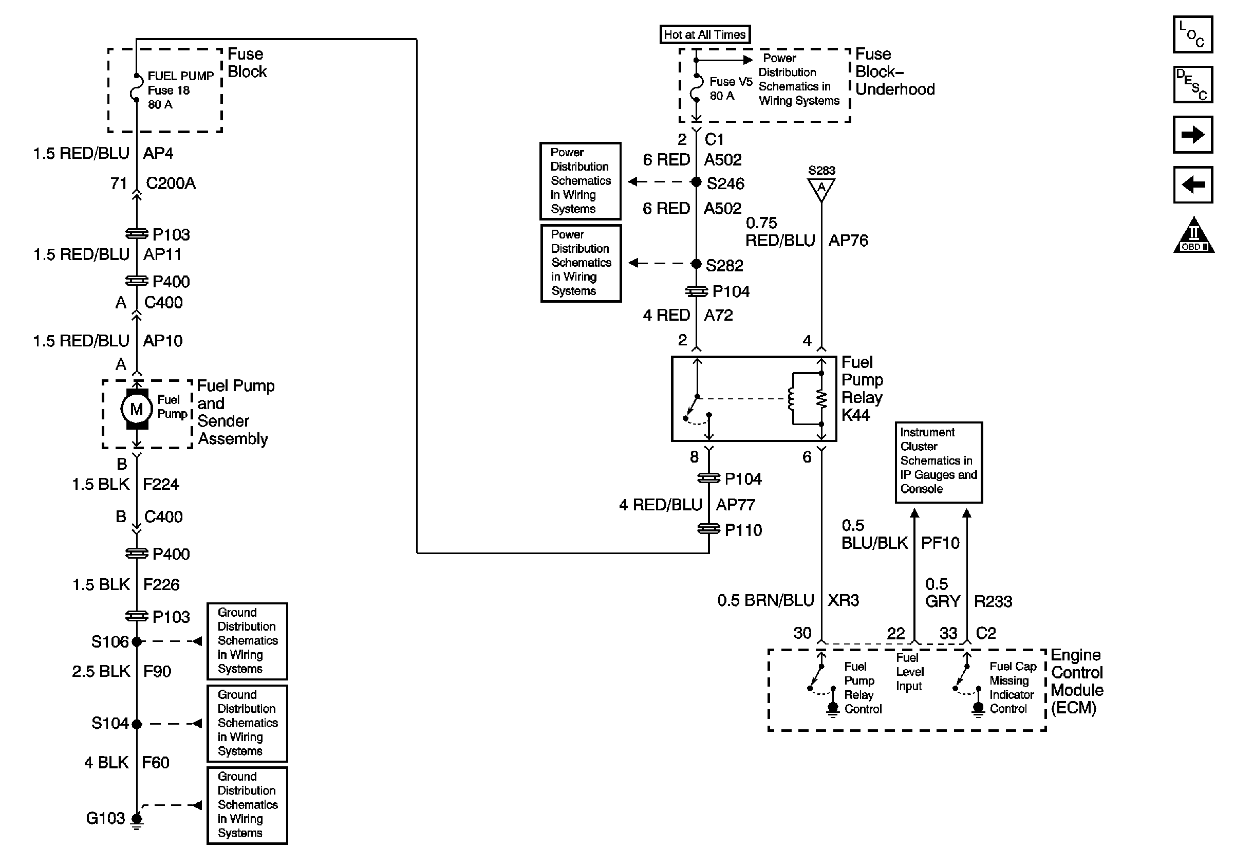
🢒 Fuel Controls - Fuel Pump
Fuel Controls - Fuel Pump
Fuel Controls and Fuel Pump
Master Electrical Component List
Fuel System Description
Fuel Controls - Fuel Injectors
Ignition Controls - Sensors
Engine Controls Schematic Icons
Battery Cable Bus
Underhood Fuse Block Fuse V5 and Fuse Block Fuses 6, 7, 20, and 25
Engine Controls Power Relay
Fuse Block Fuses 4, 18, and Engine Controls Power Relay
Fuel, Coolant and Oil Gauges and Indicators
G103 (5 of 8)
G103 (3 of 8)
G103 (1 of 8)