GM Service Manual Online
For 1990-2009 cars only
Makes
🢒
Cadillac
🢒
2001
🢒
Catera
🢒 Indicators
Indicators
Indicators
Master Electrical Component List
Air Temperature Description and Operation
DRL and Headlamp Relays High Beam
Underhood Fuse Block Fuses V1 and V4, and Ignition Switch
Underhood Fuse Block Fuse V6 and Fuse Block Fuses 17, 28, 29, 33, and34
Underhood Fuse Block Fuses V1 and V4, and Ignition Switch
Interior Lamps Relay and Door Jamb Switches
I/P Compartment, Dome/Reading, and Sunshade Lamps
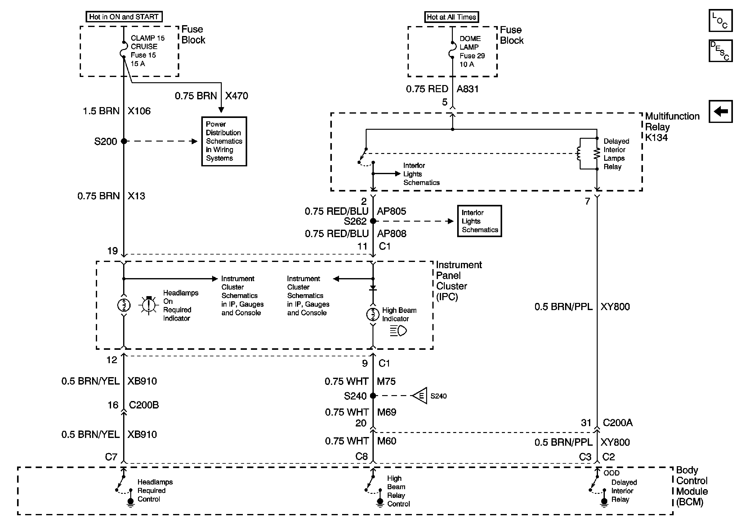
Power, Headlamps On Required, ABS, Traction Control, Sport Mode, Check Engine, Brake To Shift, Air Bag, Charging System Brake Pad Wear, Low Washer Fluid, Seat Belt Leveling, Brake and Cruise Indicator
Power, Ground, DLC, Turn Signal, Fog Lamp, Security, Rear Compartment Lid Release Open, High Beam Indicators and Back Lighting Lamps
DRL and Headlamp Relays High Beam