GM Service Manual Online
For 1990-2009 cars only
Figure 1:

Power and Ground


Object Number: 1615508  Size: FS
Master Electrical Component List
ABS Description and Operation
Control Module References
Wheel Speed Sensors
Underhood Fuse Block B+ Bus
DLC High Speed Serial Data Wake Up
DLC High Speed Serial Data
Figure 2:

Wheel Speed Sensors


Object Number: 1615509  Size: FS
Master Electrical Component List
ABS Description and Operation
Control Module References
Yaw and Lateral Acceleration, Steering Angle Sensor
Power and Ground
Antilock Brake System Schematic Icons
Antilock Brake System Schematic Icons
Antilock Brake System Schematic Icons
Antilock Brake System Schematic Icons
Antilock Brake System Schematic Icons
Antilock Brake System Schematic Icons
Antilock Brake System Schematic Icons
Antilock Brake System Schematic Icons
Antilock Brake System Schematic Icons
Antilock Brake System Schematic Icons
Figure 3:

Yaw and Lateral Acceleration, Steering Angle Sensor


Object Number: 1615510  Size: FS
Master Electrical Component List
ABS Description and Operation
Control Module References
Brake Pedal Position, Traction Control Switch, Data Link Communications
Wheel Speed Sensors
Variable Effort Steering
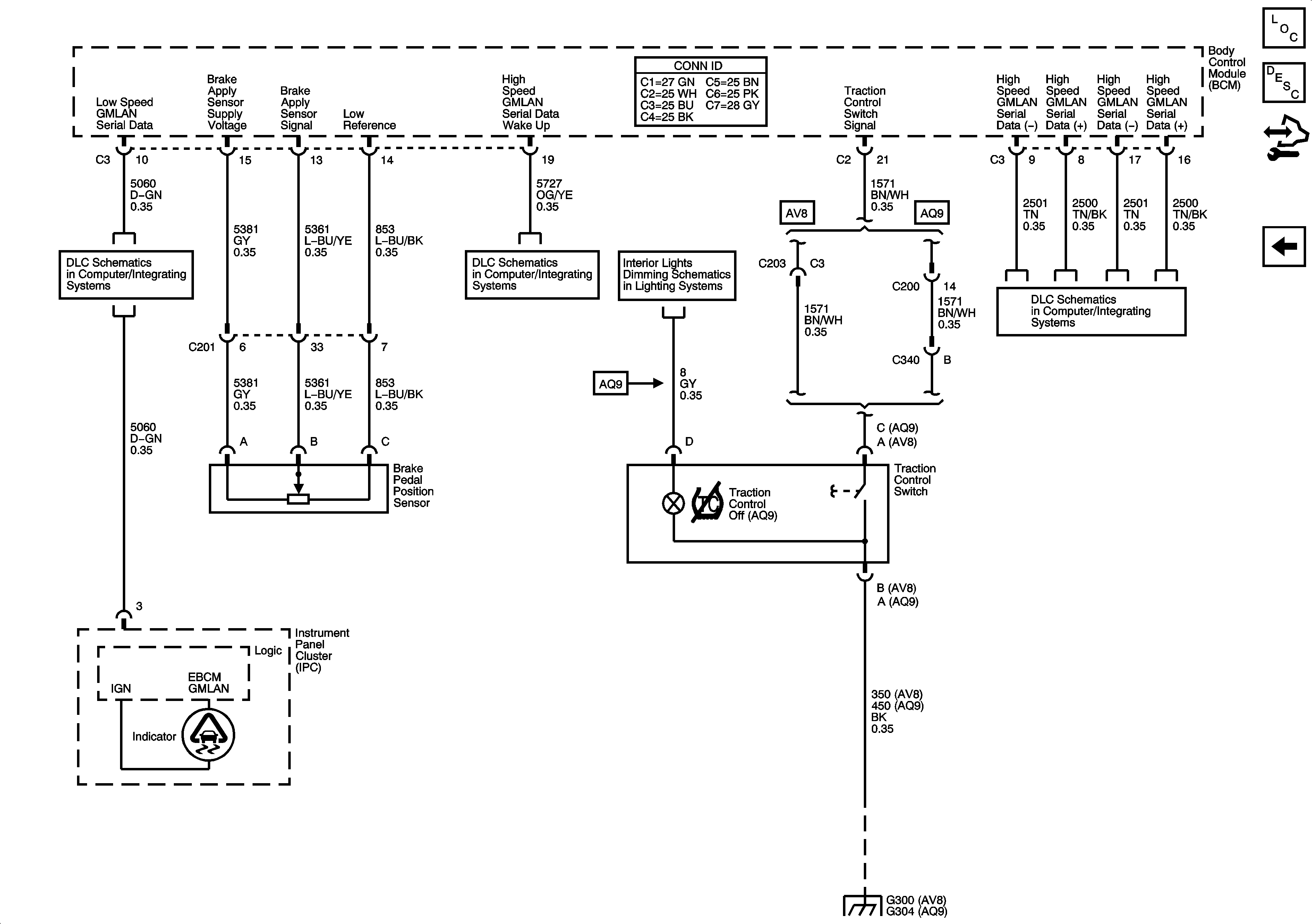
Figure 4:

Brake Pedal Position, Traction Control Switch, Data Link Communications


Object Number: 1615511  Size: FS
Master Electrical Component List
ABS Description and Operation
Control Module References
Yaw and Lateral Acceleration, Steering Angle Sensor
DLC Power, Ground, and Low Speed GMLAN
DLC Power, Ground, and Low Speed GMLAN
Window, Traction Control, Sun Shade, Sunroof Switches, Reverse Lockout Solenoid, Garage Door Opener, Rear Compartment Courtesy Lamp
DLC High Speed Serial Data
G300