GM Service Manual Online
For 1990-2009 cars only
Makes
🢒
Cadillac
🢒
2006
🢒
DTS
🢒
Suspension
🢒
Automatic Level Control
🢒 Automatic Level Control Schematics
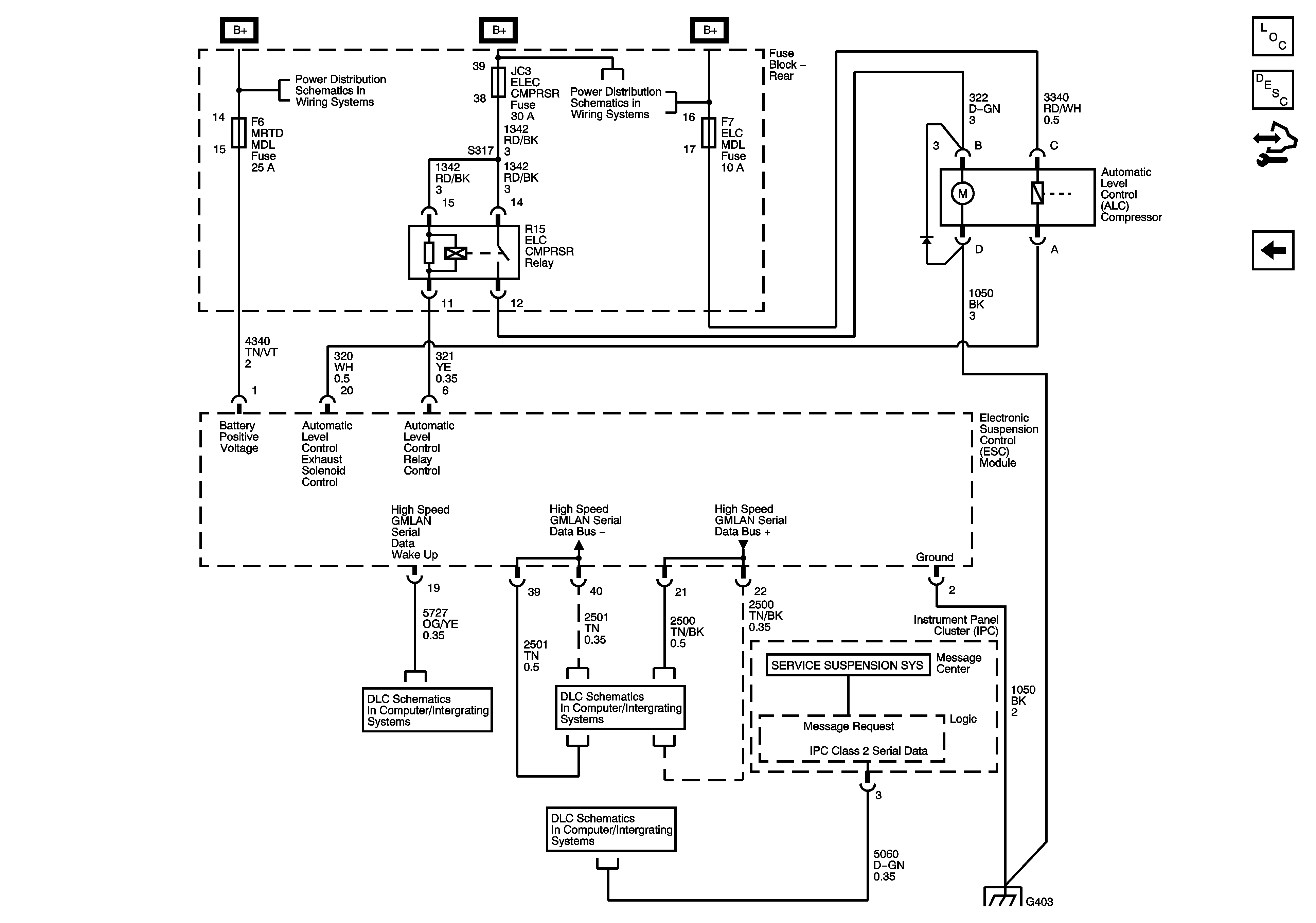
Figure
1:
FE1
Master Electrical Component List
Automatic Level Control Description and Operation (w/o F55)
Control Module References
Automatic Level Control Schematics (F55)
Rear Fuse Block B+ Bus
DLC High Speed Serial Data
DLC Power, Ground, and Low Speed GMLAN
DLC High Speed Serial Data Wake Up
G402
G403
Figure
2:
F55
Master Electrical Component List
Automatic Level Control Description and Operation (F55)
Control Module References
Automatic Level Control Schematics (FE1)
Rear Fuse Block B+ Bus
Rear Fuse Block B+ Bus
DLC High Speed Serial Data Wake Up
DLC High Speed Serial Data
DLC Power, Ground, and Low Speed GMLAN
G403