GM Service Manual Online
For 1990-2009 cars only
Makes
🢒
Cadillac
🢒
2002
🢒
DeVille
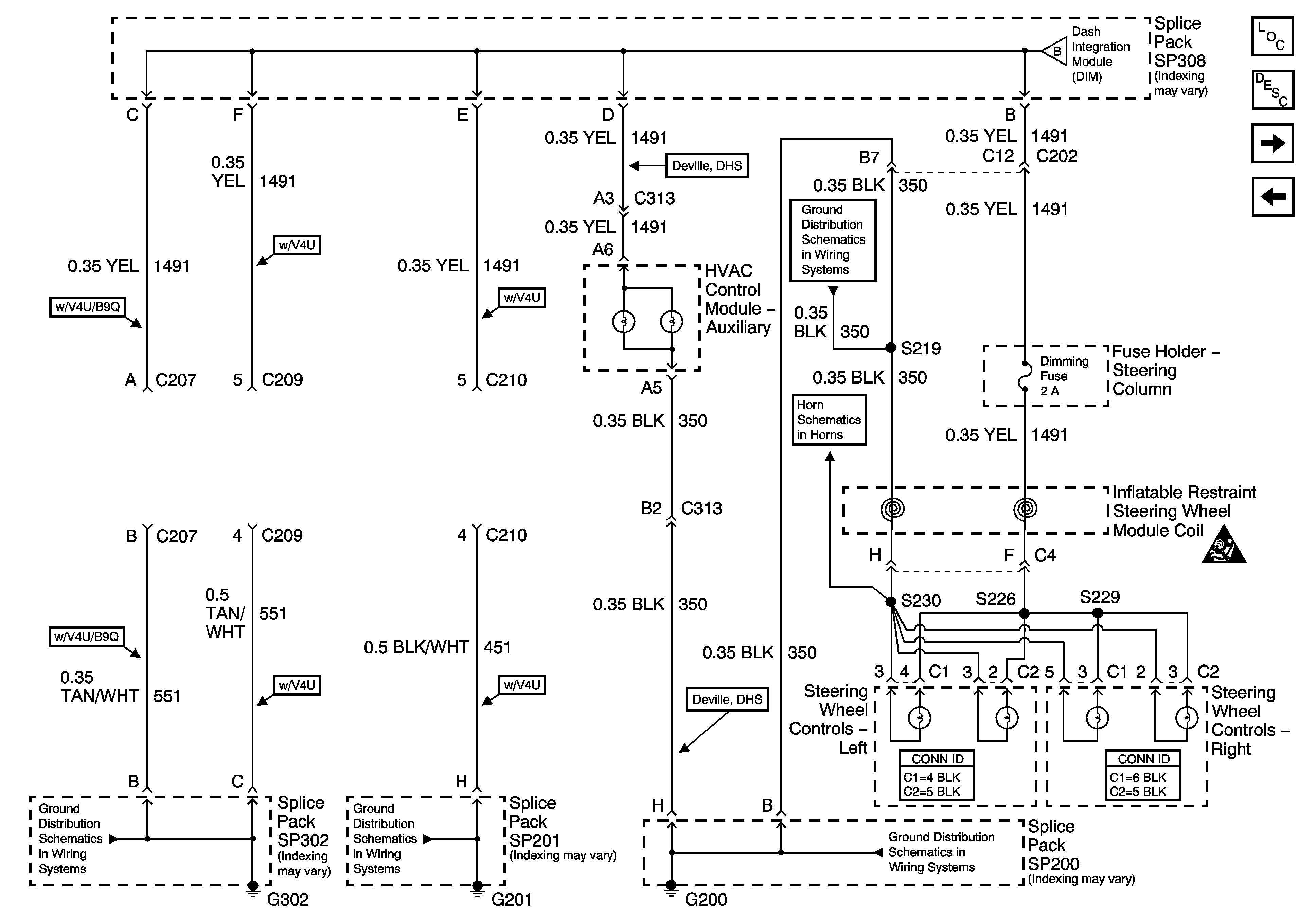
🢒 Steering Wheel Controls
Steering Wheel Controls
Steering Wheel Controls
Master Electrical Component List
Interior Lighting Systems Description and Operation
Console Dimming
Instrument Panel Dimming
Lighting Systems Schematic Icons
G200
G201 1 of 3
G302 2 of 3
02 Ksp Horns
G200
Instrument Panel Dimming