GM Service Manual Online
For 1990-2009 cars only
Makes
🢒
Cadillac
🢒
2002
🢒
DeVille
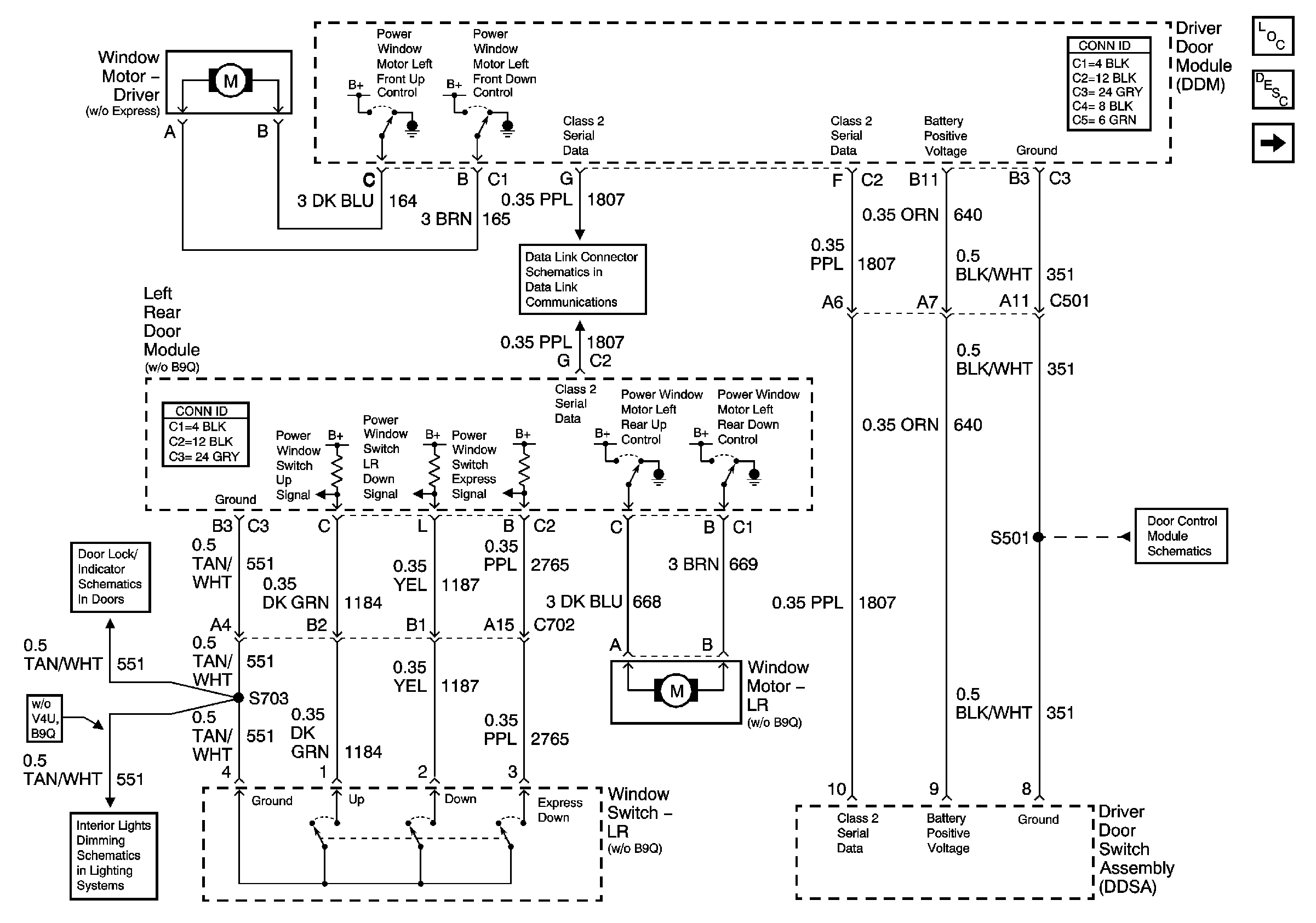
🢒 Driver Power Window w/o Express and LR Passenger Power Window
Driver Power Window w/o Express and LR Passenger Power Window
Driver Power Window w/o Express and LR Passenger Power Window
Master Electrical Component List
Power Windows Description and Operation
Front Passenger Power Window w/o Express and RR Passenger Power Window
Class 2 Serial Data (3 of 3)
Left Rear Door Power Door Lock
Driver Door Power Door Lock
Memory Function Switch
Front Door Dimming
Rear Door Dimming