GM Service Manual Online
For 1990-2009 cars only
Makes
🢒
Cadillac
🢒
2002
🢒
Escalade EXT
🢒
Body and Accessories
🢒
Garage Door Opener
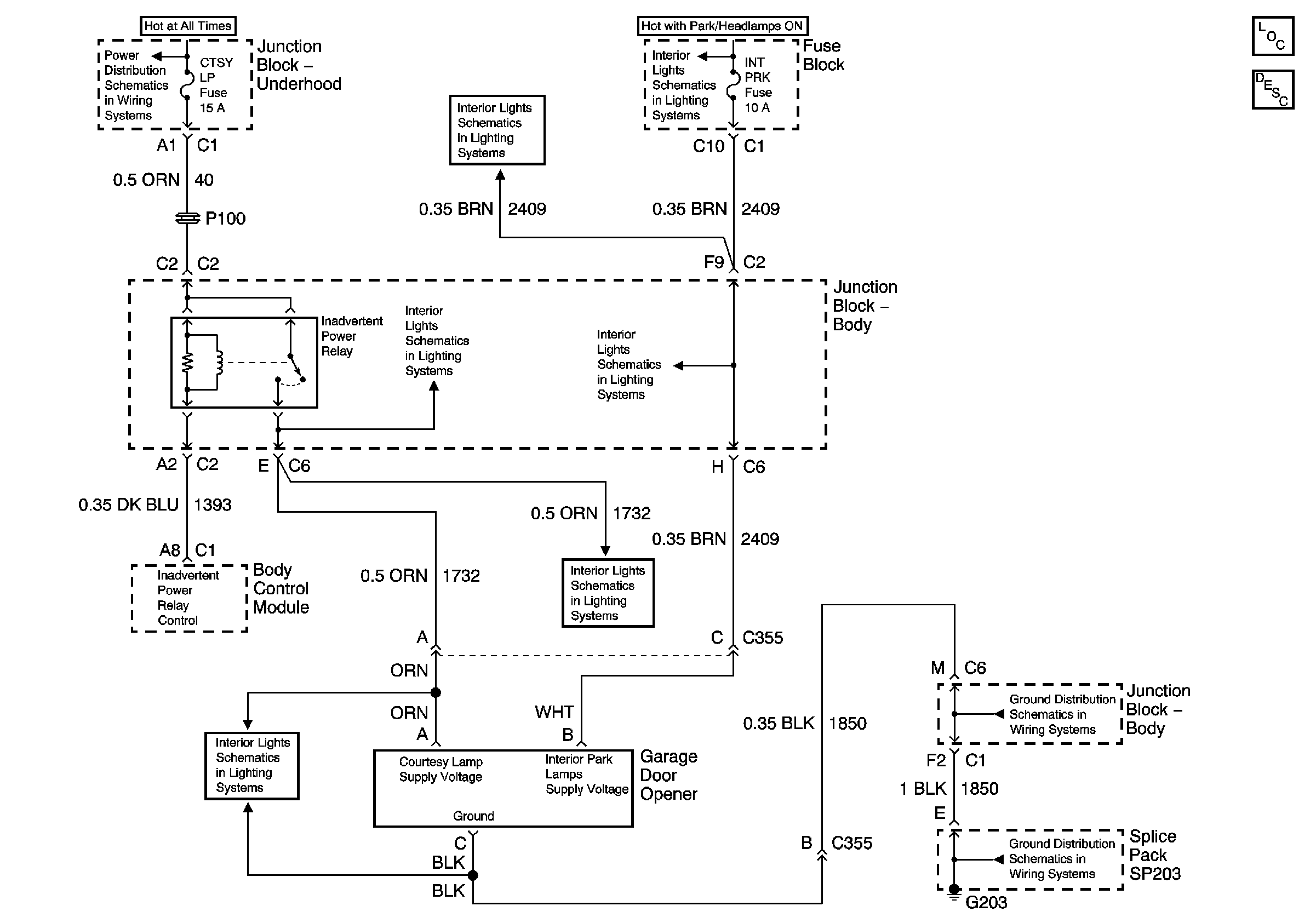
🢒 Garage Door Opener Schematics
Master Electrical Component List
Garage Door Opener Description and Operation
B+ Bus Bar
Interior Parklamp Supply - 2 of 3
Parklamp Control, INT PRK and PARK LPS Fuses
Courtesy Lamp Control (Uplevel)
Interior Parklamp Supply - 2 of 3
I/P Compartment, Underhood and Map Lamps
I/P Compartment, Underhood and Map Lamps
G203 - 4 of 4
G203 - 1 of 4