GM Service Manual Online
For 1990-2009 cars only
Makes
🢒
Cadillac
🢒
2002
🢒
Escalade EXT
🢒 Charging System
Charging System
Charging System
Master Electrical Component List
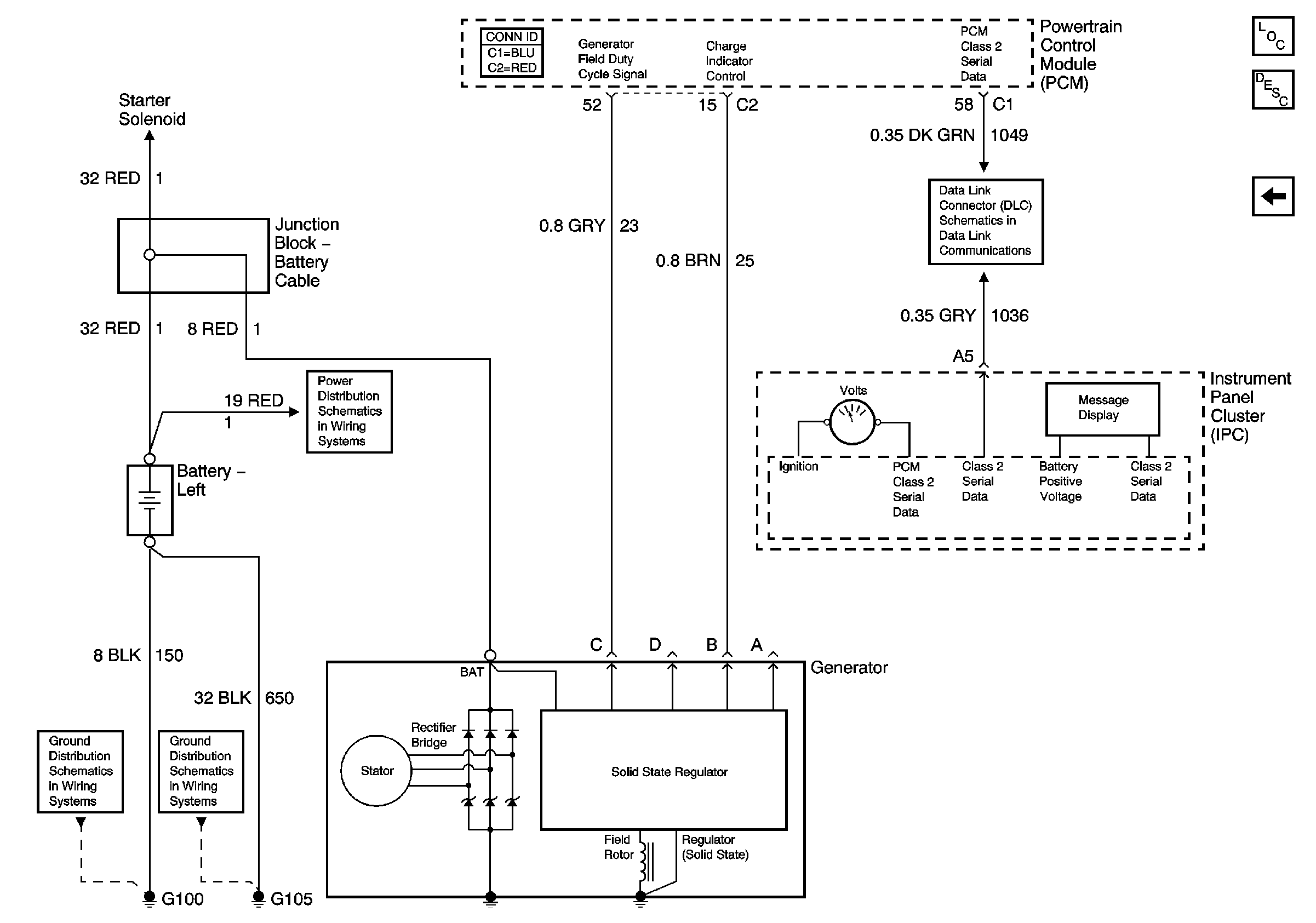
Charging System Description and Operation W/O Generator/Battery Control Module
Starting System
IGNITION, RUN, and START Bus Bar
Splice Pack SP205
HTD MIR, RR DEFOG Fuses, and RR DEFOG Relay
B+ Bus Bar
Gages, VSS, and Engine Oil Signals
G103, G105, and G106
G103, G105, and G106
G103, G105, and G106
G100 and G110