GM Service Manual Online
For 1990-2009 cars only
Makes
🢒
Cadillac
🢒
2002
🢒
Escalade EXT
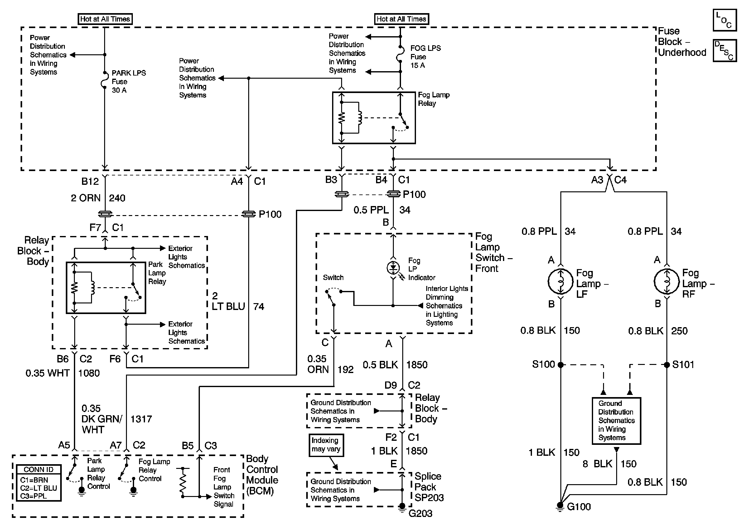
🢒 Fog Lamps Schematics
Fog Lamps Schematics
Master Electrical Component List
Exterior Lighting Systems Description and Operation
ABS, HAZ LP, STUD 1, STUD 2, CTSY LP, and PARK LP Fuses
FR PRK, TRL PRK, HORN Fuses, FOG LAMP and HORN Relays
B+ Bus Bar
Park Lamp Control
Park Lamp Control
LED Dimming Control, IPC, Cargo/Fog Lamp Switch and DIC
G203 - 3 of 4
G203 - 1 of 4
G100 and G110