GM Service Manual Online
For 1990-2009 cars only
Makes
🢒
Cadillac
🢒
2002
🢒
Escalade EXT
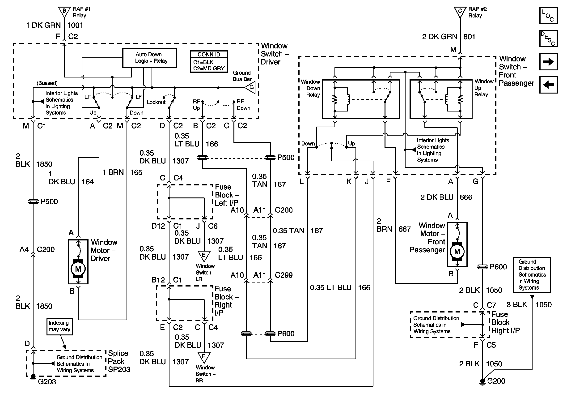
🢒 Window Switches and Motors-Front Doors
Window Switches and Motors-Front Doors
Window Switches and Motors-Front Doors
Master Electrical Component List
Power Windows Description and Operation
Window Switches and Motor-LR
RAP Relay Controls
RAP Relay Controls
RAP Relay Controls
Parklamp Control, INT PRK and PARK LPS Fuses
Window Switches and Motor-LR
Interior Parklamp Supply - 3 of 3
Window Switches and Motor-LR
G203 - 1 of 4
Window Switches and Motor-RR
G200 - 1 of 2
G200 - 1 of 2