GM Service Manual Online
For 1990-2009 cars only
Makes
🢒
Cadillac
🢒
2002
🢒
Escalade EXT
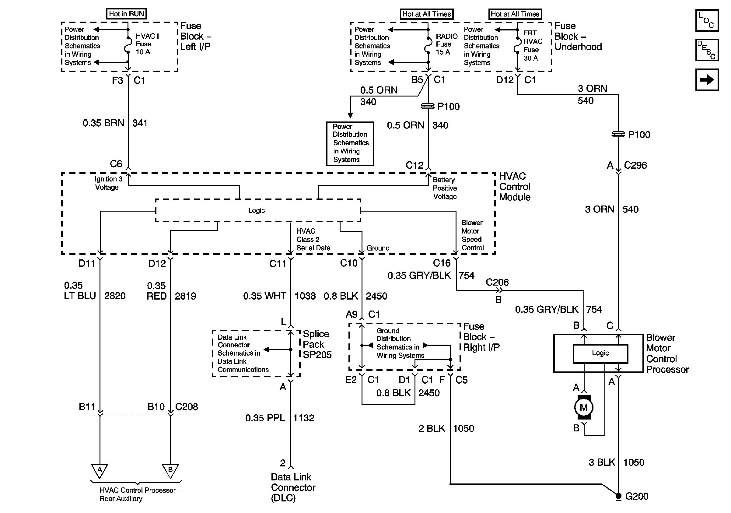
🢒 Primary Blower Controls
Primary Blower Controls
Primary Blower Controls
Master Electrical Component List
Air Delivery Description and Operation
A/C Compressor Controls
4WD and HVAC I Fuses
B+ Bus Bar
AIR, RADIO, ECM B, FRT HVAC, and CIGAR Fuses
AIR, RADIO, ECM B, FRT HVAC, and CIGAR Fuses
Splice Pack SP205
G200 - 1 of 2
Auxiliary Blower Controls (w/o Sunroof) - Tahoe/Yukon
Auxiliary Blower Controls (w/o Sunroof) - Tahoe/Yukon