GM Service Manual Online
For 1990-2009 cars only
Makes
🢒
Cadillac
🢒
2002
🢒
Escalade EXT
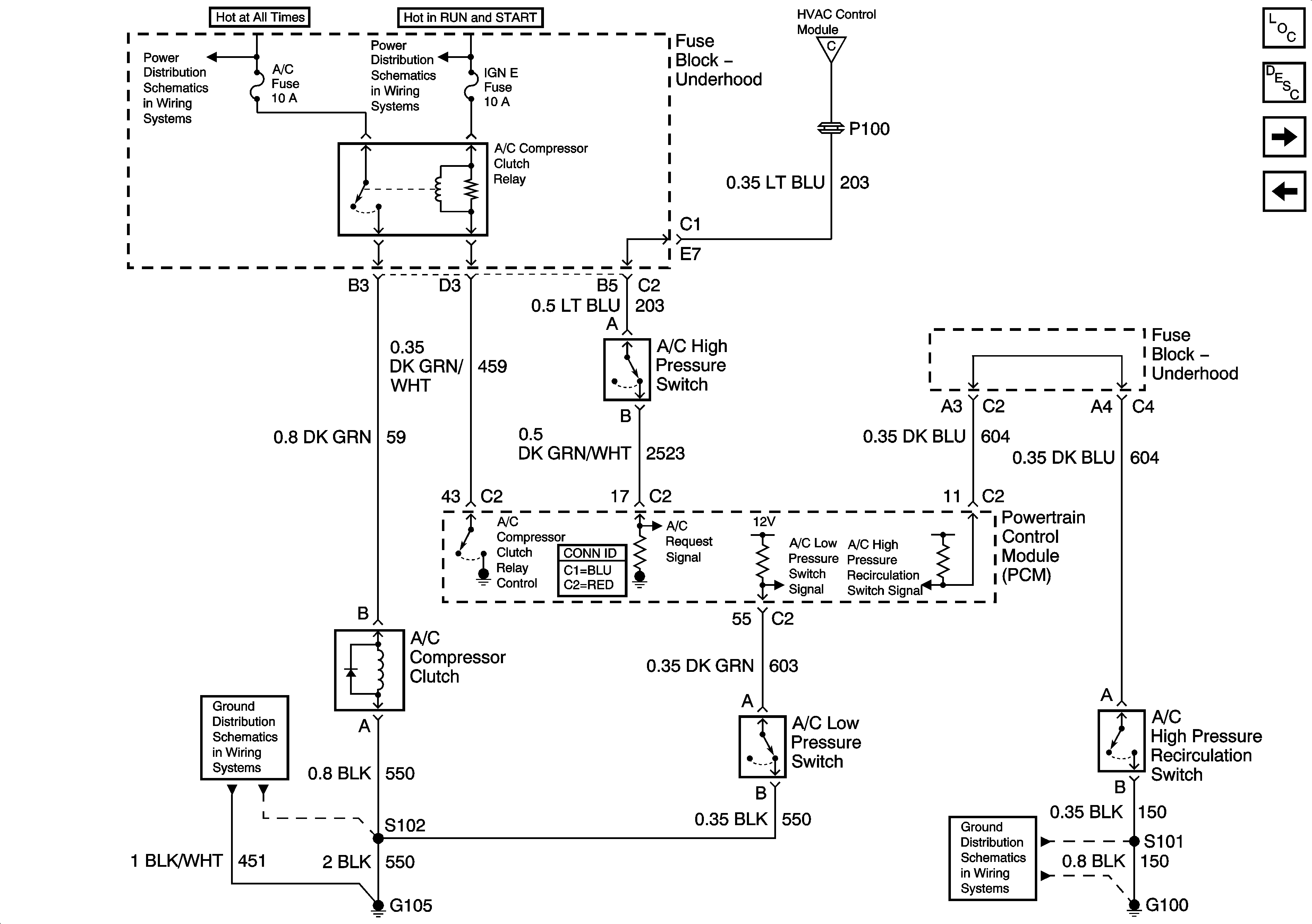
🢒 A/C Compressor Controls
A/C Compressor Controls
A/C Compressor Controls
Master Electrical Component List
Air Temperature Description and Operation
Primary Air Delivery Controls, HVAC Control Module Power, Ground and Serial Data
Primary Blower Controls
B+ Bus Bar
IGNITION, RUN, and START Bus Bar
G103, G105, and G106
G100 and G110