GM Service Manual Online
For 1990-2009 cars only
Makes
🢒
Cadillac
🢒
2002
🢒
Escalade EXT
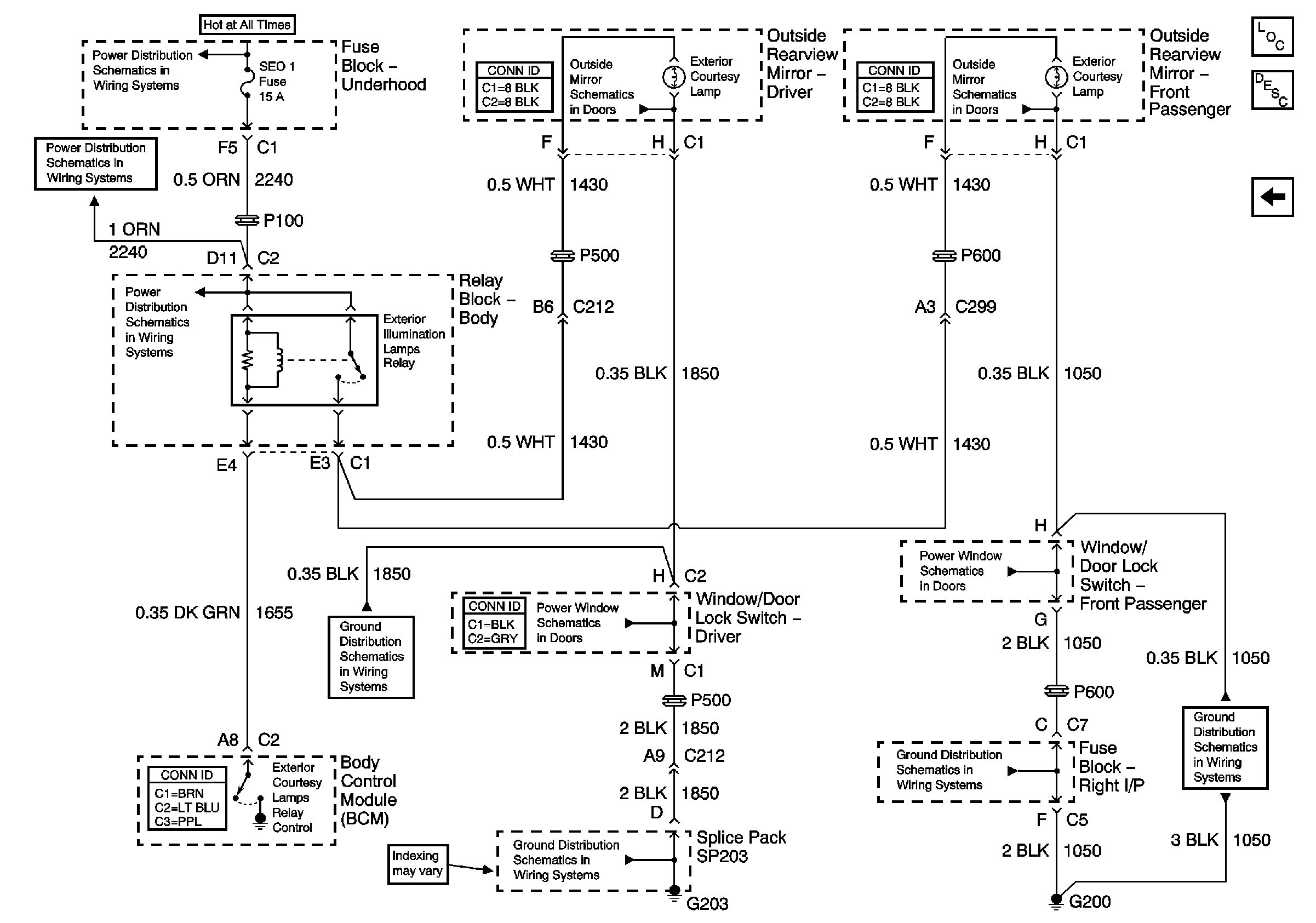
🢒 Exterior Illumination Control
Exterior Illumination Control
Exterior Illumination Control
Master Electrical Component List
Exterior Lighting Systems Description and Operation
Trailer Wiring
SEO 1, SEO 2, and AUX PWR Fuses
SEO 1, SEO 2, and AUX PWR Fuses
Outside Rearview Mirror Heater Control
Outside Rearview Mirror Heater Control
SEO 1, SEO 2, and AUX PWR Fuses
G203 - 2 of 4
Window Switches and Motors-Front Doors
G203 - 1 of 4
Window Switches and Motors-Front Doors
G200 - 1 of 2
G200 - 1 of 2