GM Service Manual Online
For 1990-2009 cars only
Makes
🢒
Cadillac
🢒
2002
🢒
Escalade EXT
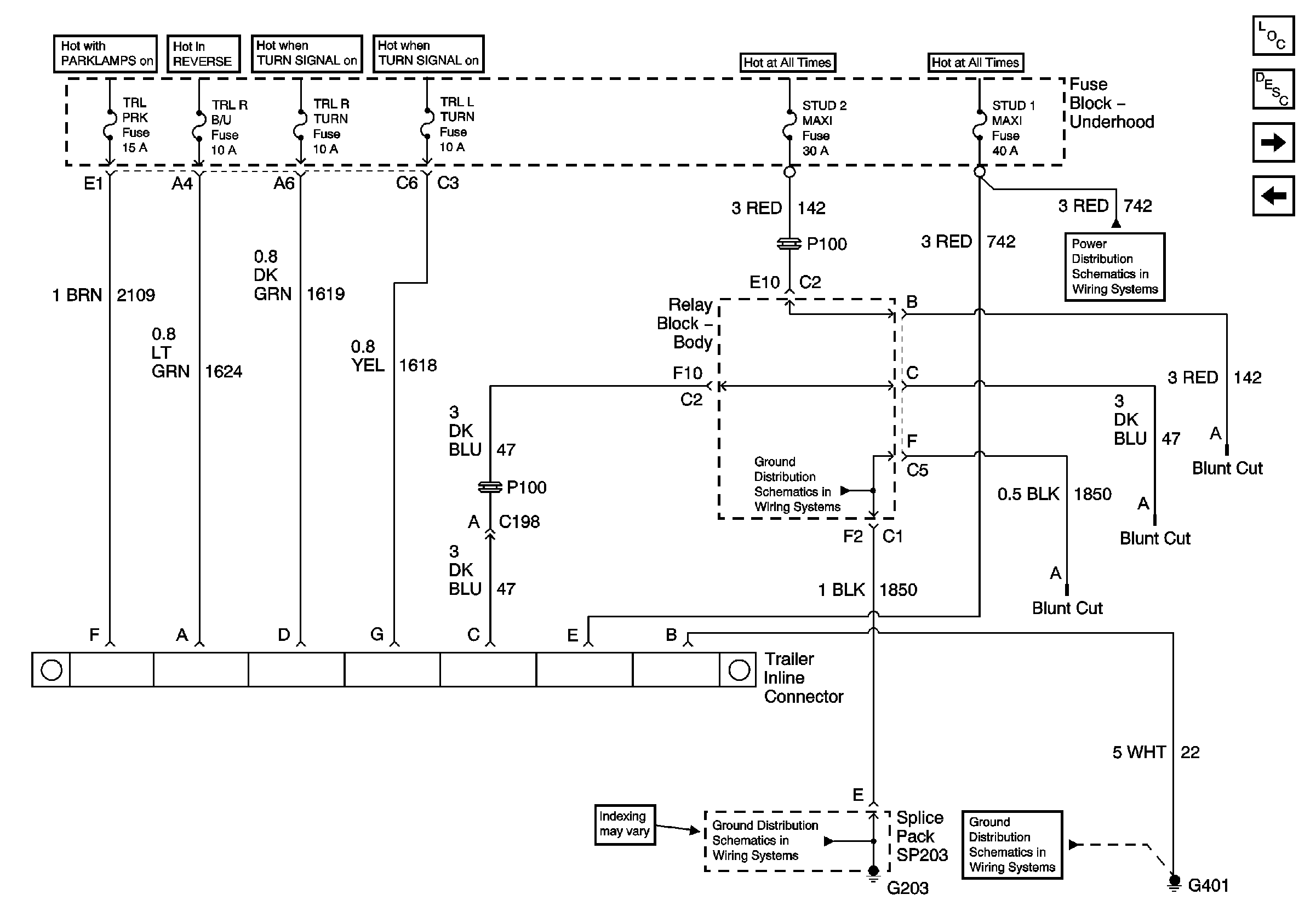
🢒 Trailer Wiring
Trailer Wiring
Trailer Wiring
Master Electrical Component List
Exterior Lighting Systems Description and Operation
Roof Beacon
Exterior Illumination Control
G203 - 3 of 4
ABS, HAZ LP, STUD 1, STUD 2, CTSY LP, and PARK LP Fuses
G203 - 1 of 4
G401 - Avalanche Built Before July 16, 2001 and 4WD Escalade