GM Service Manual Online
For 1990-2009 cars only
Makes
🢒
Cadillac
🢒
2002
🢒
Escalade EXT
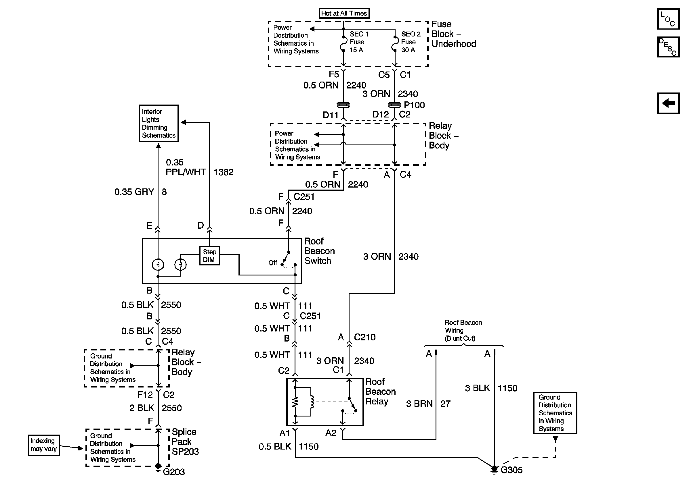
🢒 Roof Beacon
Roof Beacon
Roof Beacon
Master Electrical Component List
Exterior Lighting Systems Description and Operation
Trailer Wiring
SEO 1, SEO 2, and AUX PWR Fuses
Roof Beacon Switch
SEO 1, SEO 2, and AUX PWR Fuses
G203 - 1 of 4
G203 - 1 of 4
G305