GM Service Manual Online
For 1990-2009 cars only
Makes
🢒
Cadillac
🢒
2003
🢒
Escalade EXT
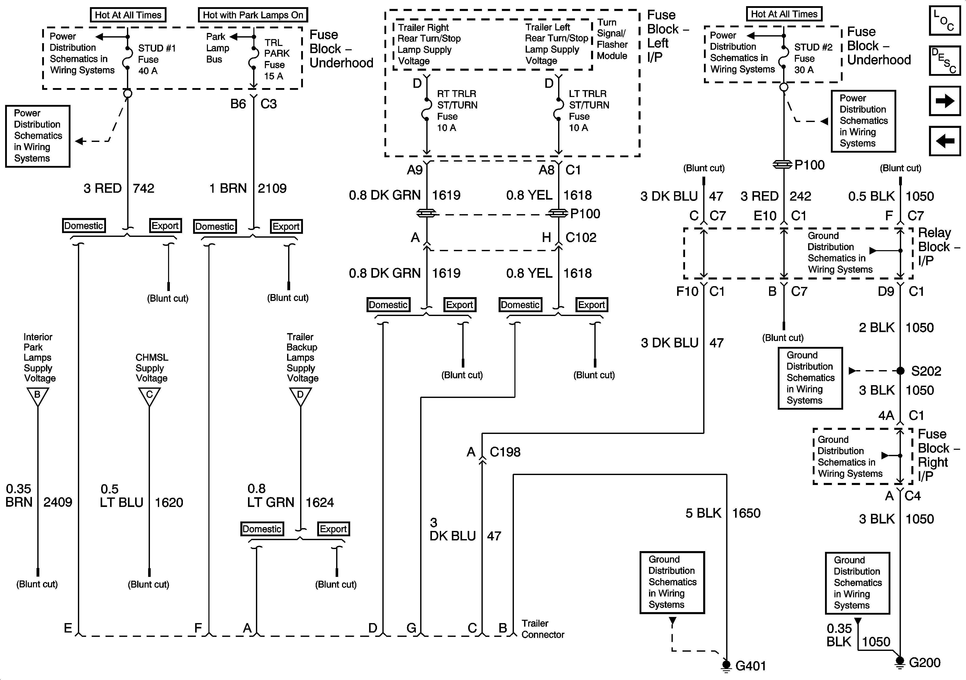
🢒 Trailer Wiring
Trailer Wiring
Trailer Wiring
Master Electrical Component List
Exterior Lighting Systems Description and Operation
Backup Lamps
Exterior Illumination Lamps
B+ Bus Bar - 1 of 2
ABS, VSES/ECAS, STUD #1, STUD #2, TBC BATT
Park Lamp Relay - Domestic
B+ Bus Bar - 1 of 2
ABS, VSES/ECAS, STUD #1, STUD #2, TBC BATT
G200 - 3 Of 3
G200 - 1 of 3
G200 - 1 of 3
G200 - 1 of 3
Interior Park
Stop Lamps
Backup Lamps