GM Service Manual Online
For 1990-2009 cars only
Makes
🢒
Cadillac
🢒
2005
🢒
Escalade EXT
🢒
Body
🢒
Wiring Systems
🢒 Rear Wheel Steering Schematics
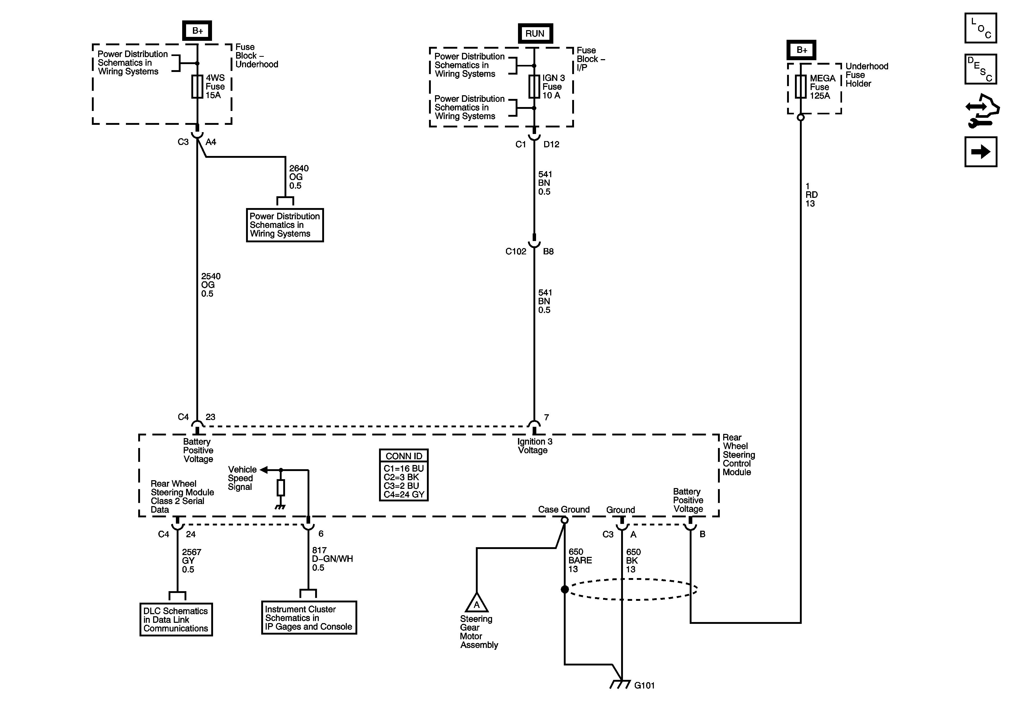
Figure
1:
Power, Ground, Serial Data, and Vehicle Speed
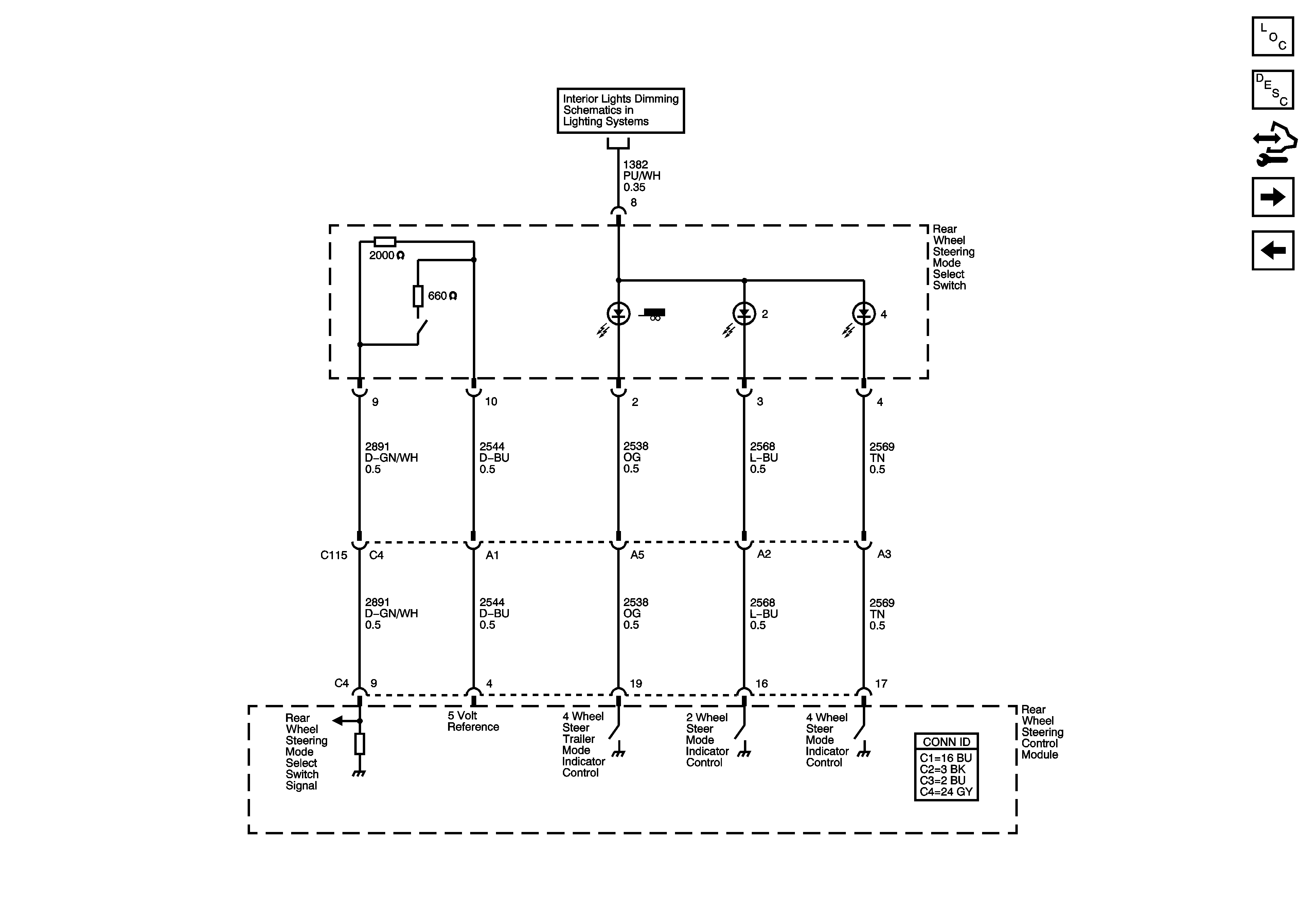
Master Electrical Component List
Rear Wheel Steering Description and Operation
Control Module References
Mode Selection
RR WPR, STOP LP, TREC, VEH CHMSL, VEH STOP, and 4WS Fuses
RR WPR, STOP LP, TREC, VEH CHMSL, VEH STOP, and 4WS Fuses
Ignition Switch - ACCY/RUN/START, RUN, and START Busses, IGN A and CRANK Fuses
IGN 3 Fuse - 1 of 2
Rear Wheel Steering System
Gages
Power, Ground, DLC, and Splice Pack SP205
Figure
2:
Mode Selection
Master Electrical Component List
Rear Wheel Steering Description and Operation
Control Module References
Steering Wheel Speed/Position Sensor
Module - Power, Ground, Serial Data, and Vehicle Speed
Dimming Control and LED DImming Supply Voltage - 1 of 2
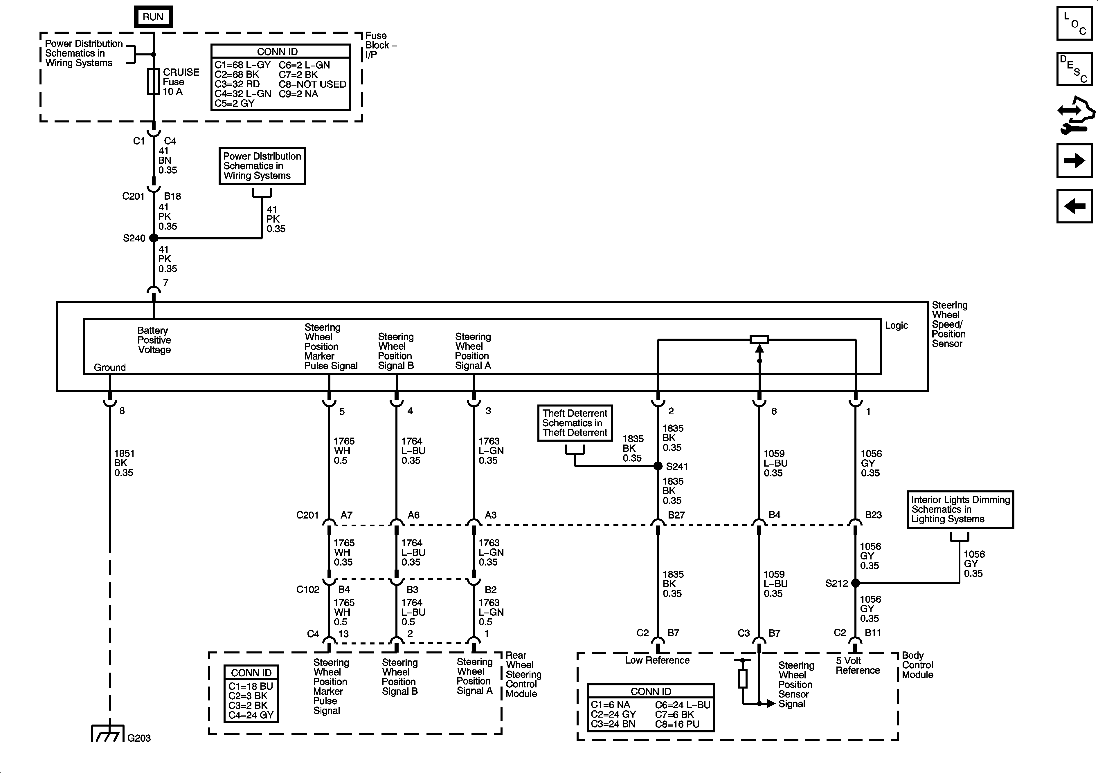
Figure
3:
Steering Wheel Speed/Position Sensor
Master Electrical Component List
Rear Wheel Steering Description and Operation
Control Module References
Rear Wheel Steering System
Mode Selection
BRAKE, CRUISE, IGN 2, HTR/AC, HVAC 1, and 4WD Fuses
BRAKE, CRUISE, IGN 2, HTR/AC, HVAC 1, and 4WD Fuses
Vehicle Theft Deterrent
Dimming Control and LED DImming Supply Voltage - 1 of 2
G203 - 3 of 3
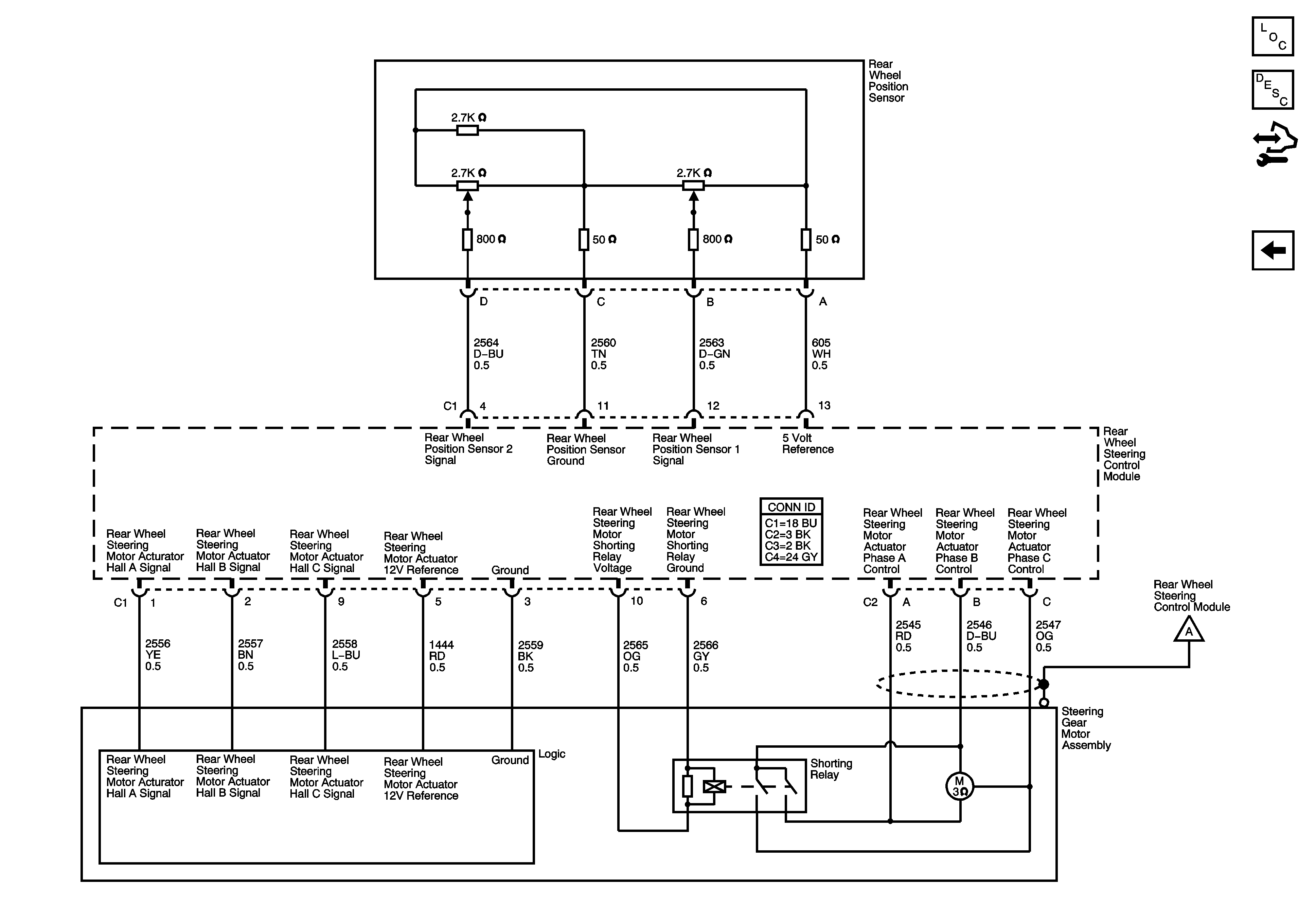
Figure
4:
Rear Wheel Steering System
Master Electrical Component List
Rear Wheel Steering Description and Operation
Control Module References
Steering Wheel Speed/Position Sensor
Module - Power, Ground, Serial Data, and Vehicle Speed