GM Service Manual Online
For 1990-2009 cars only
Makes
🢒
Cadillac
🢒
2005
🢒
Escalade EXT
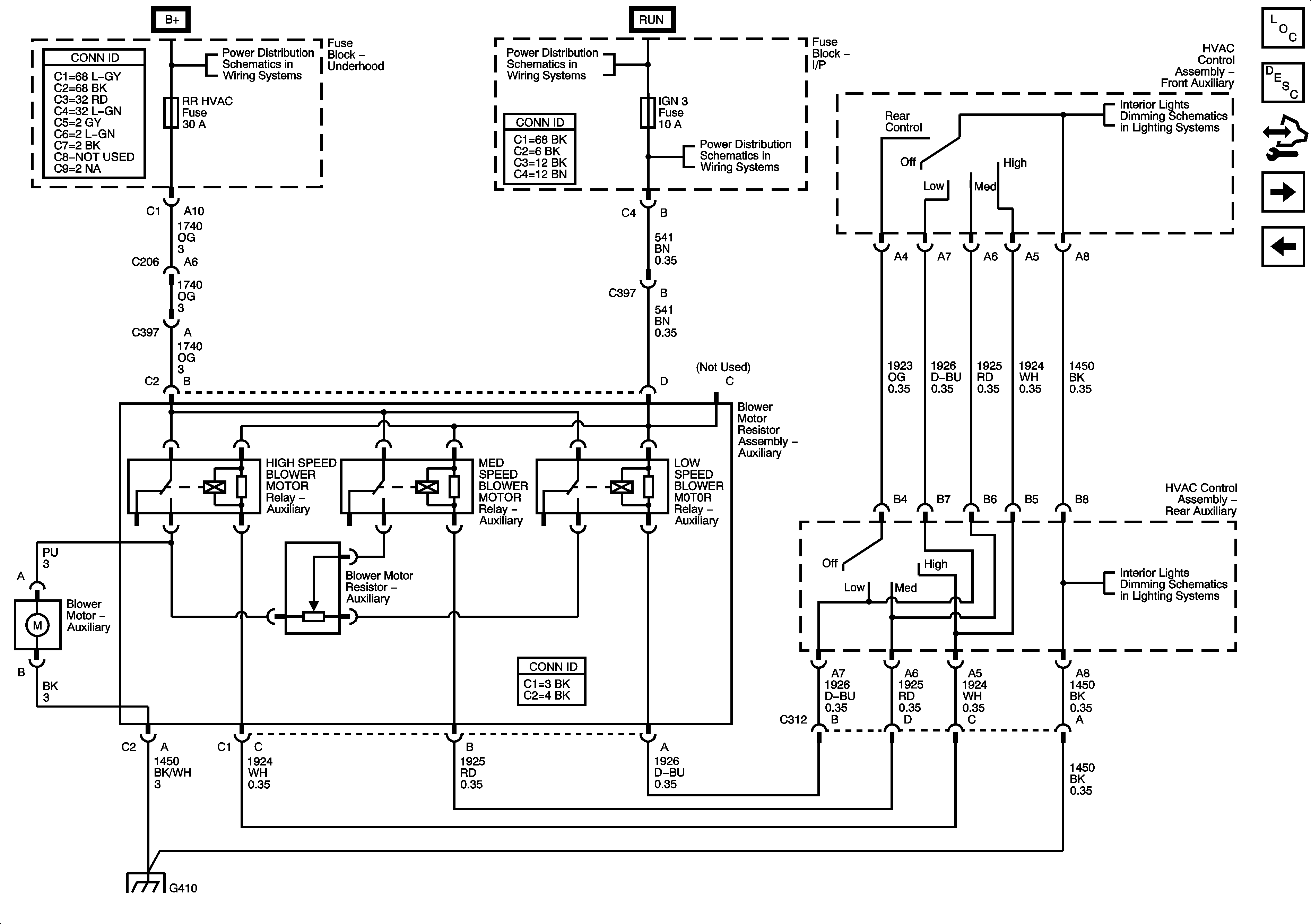
🢒 Auxiliary Blower Control - Long Wheelbase w/ C69
Auxiliary Blower Control - Long Wheelbase w/ C69
Auxiliary Blower Control -- Long Wheelbase w/C69 only
Master Electrical Component List
Air Delivery Description and Operation
Control Module References
Auxiliary HVAC, Short Wheelbase w/C36 and C69 - 1 of 2
Auxiliary HVAC, Long Wheelbase w/C36 and C69- 2 of 2
BLOWER, FLASH, HVAC/ECAS, LBEC 1, RR DEFOG, RR HVAC, TBC 2A, TBC 2B, and TBC 2C Fuses, and LT DOOR Breaker
Ignition Switch - ACCY/RUN/START, RUN, and START Busses, IGN A and CRANK Fuses
IGN 3 Fuse - 1 of 2
I/P Dimming Supply Voltage - 7 of 8
I/P Dimming Supply Voltage - 7 of 8
G410 - 2 of 3 Auxiliary HVAC, Long Wheelbase