GM Service Manual Online
For 1990-2009 cars only
Makes
🢒
Cadillac
🢒
2007
🢒
Escalade EXT
🢒
Body Systems
🢒
Mirrors
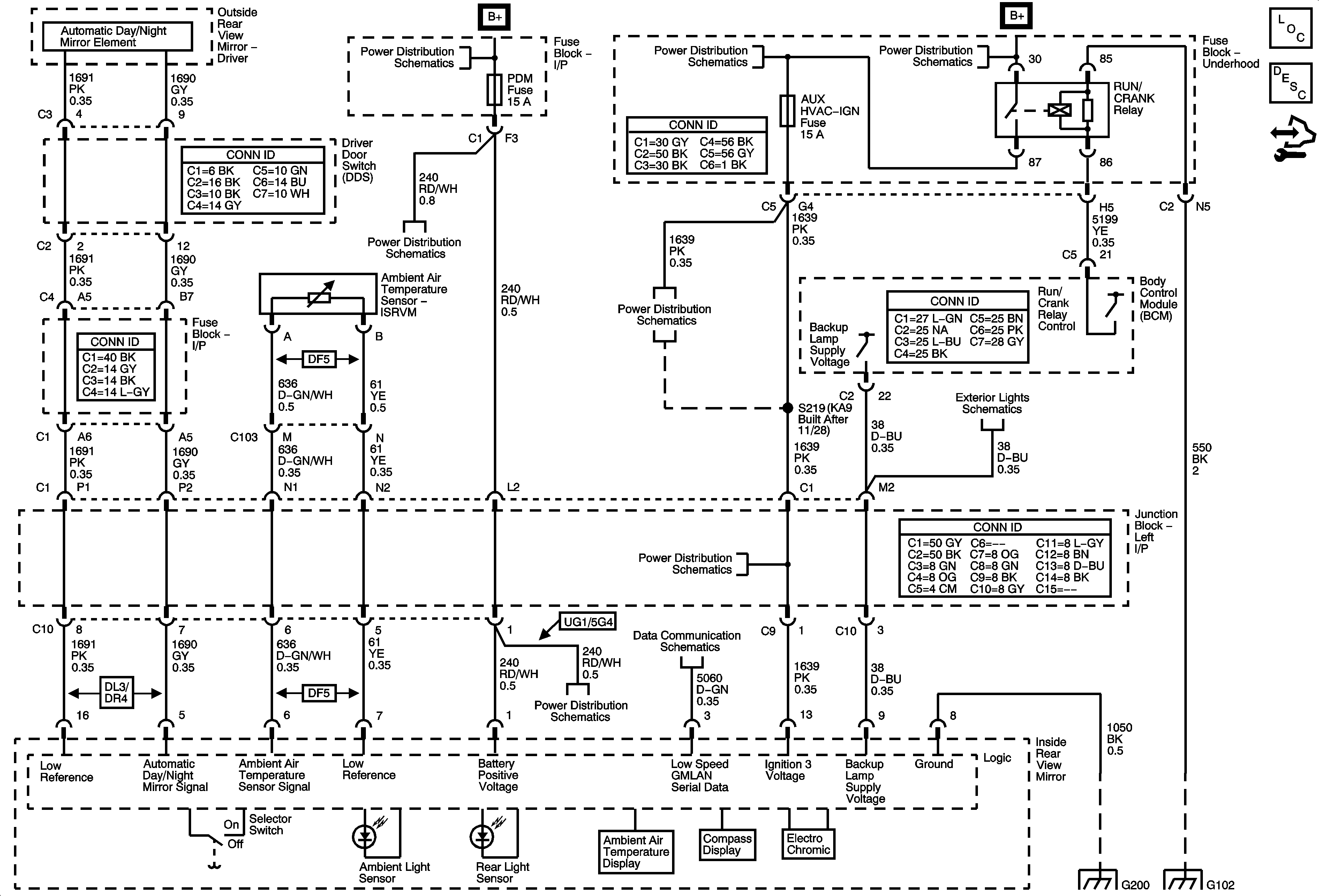
🢒 Inside Rearview Mirror Schematics
Master Electrical Component List
Automatic Day-Night Mirror Description and Operation
Control Module References
AUX PWR, AUX PWR 2, LBEC 1, PDM, and REAR WPR Fuses
RUN/CRANK Bus - AIRBAG IGN, MISC IGN, ans SEO/ALC Fuses
AUX PWR, AUX PWR 2, LBEC 1, PDM, and REAR WPR Fuses
B+ Bus - 1 of 3
RUN/CRANK Bus - AUX HVAC - IGN and HVAC - IGN Fuses
Backup Lamps
G200 - 1 of 2
G102 and G108