GM Service Manual Online
For 1990-2009 cars only
Figure 1:

Module Power, Ground, Serial Data, and Front Blower Controls


Object Number: 1697873  Size: FS
Master Electrical Component List
Air Delivery Description and Operation
Control Module References
Front Mode Controls
Ignition 3 and Accessory Voltage
B+ Bus - 1 of 3
Low Speed Bus - SP200 - 1 of 3
G201
G200 - 1 of 2
Figure 2:

Front Mode Controls


Object Number: 1697874  Size: FS
Master Electrical Component List
Air Delivery Description and Operation
Control Module References
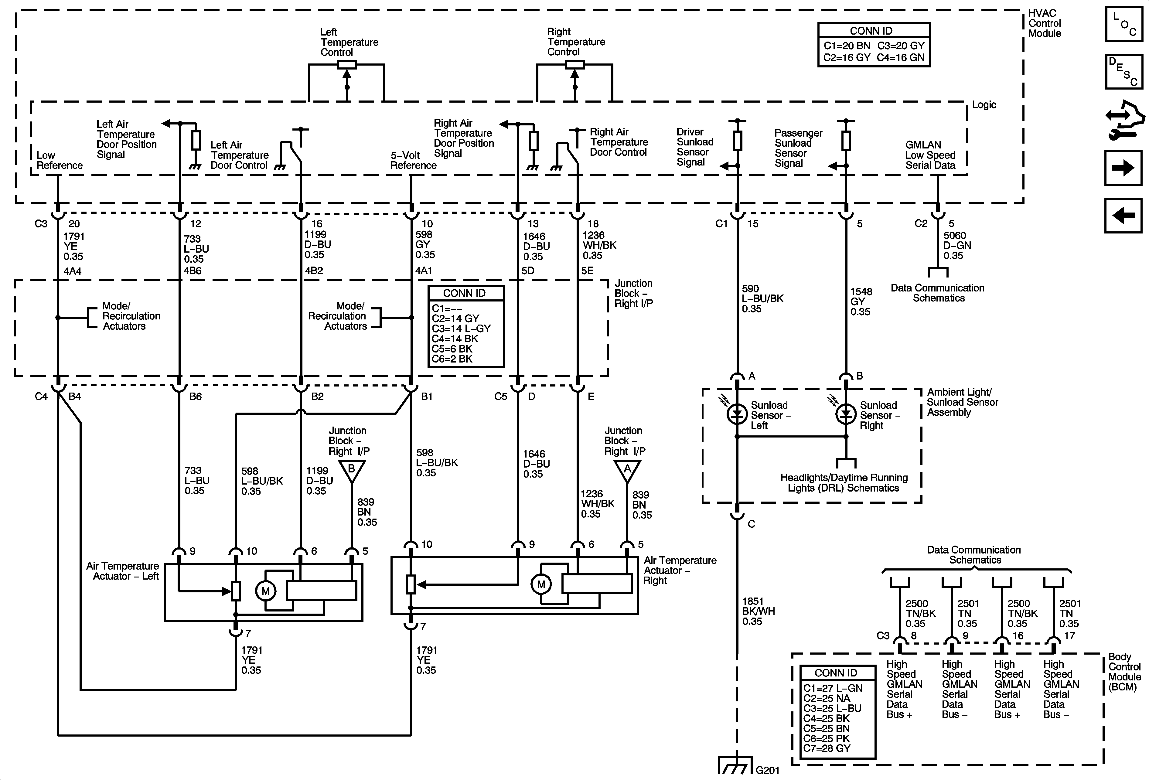
Front Temperature Controls
Module Power, Ground, Serial Data, and Front Blower Controls
B+ Bus - 1 of 3
G102 and G108
B+ Bus - 3 of 3
Front Temperature Controls
G102 and G108
Front Temperature Controls
Front Temperature Controls
Figure 3:

Front Temperature Controls


Object Number: 1697875  Size: FS
Master Electrical Component List
Air Delivery Description and Operation
Control Module References
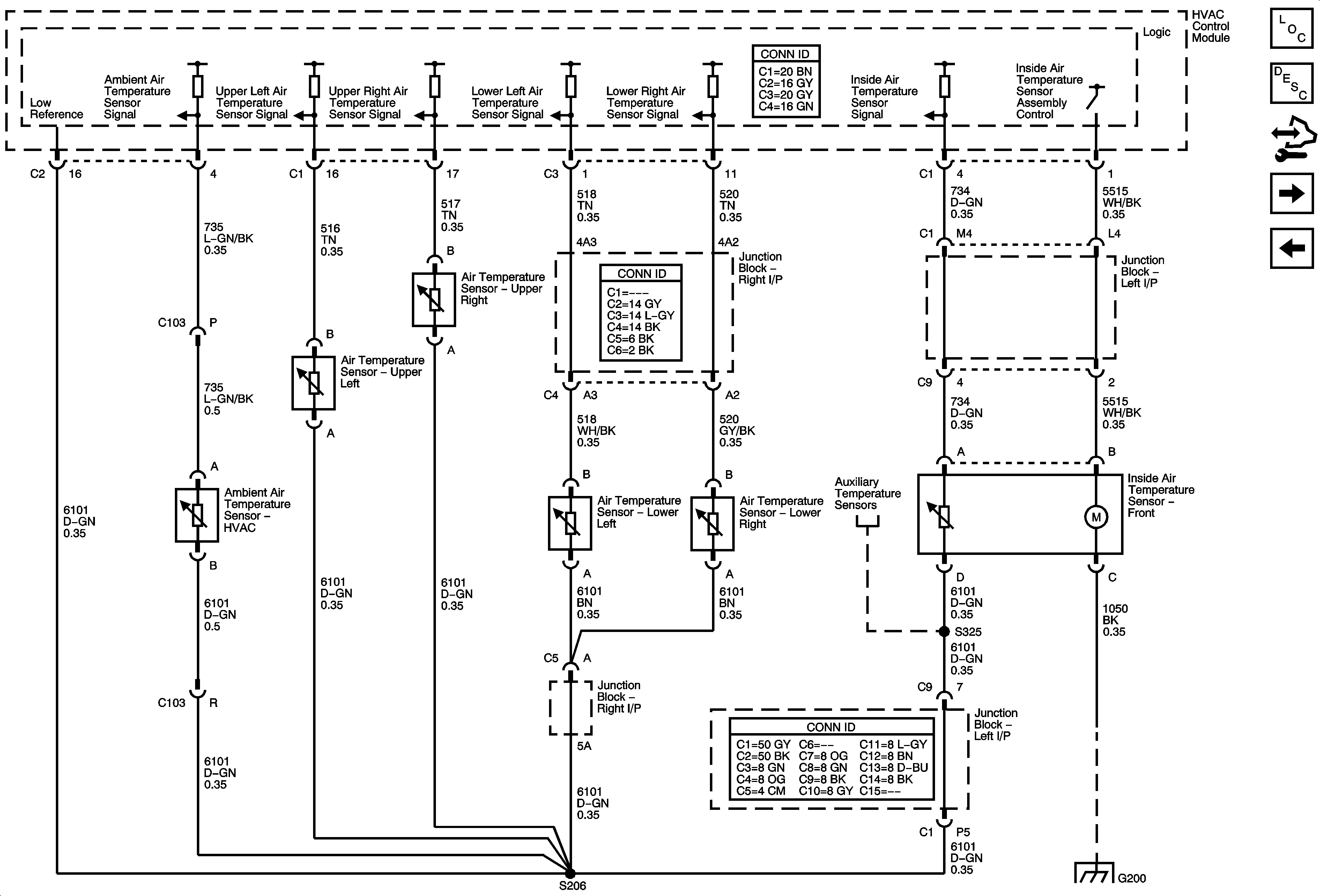
Front Temperature Sensors
Front Mode Controls
Front Mode Controls
Front Mode Controls
Low Speed Bus - SP200 - 1 of 3
Headlamp and Daytime Running Lamp Controls
High Speed Bus - 1 of 2
G201
Figure 4:

Front Temperature Sensors


Object Number: 1697877  Size: FS
Master Electrical Component List
Air Delivery Description and Operation
Control Module References
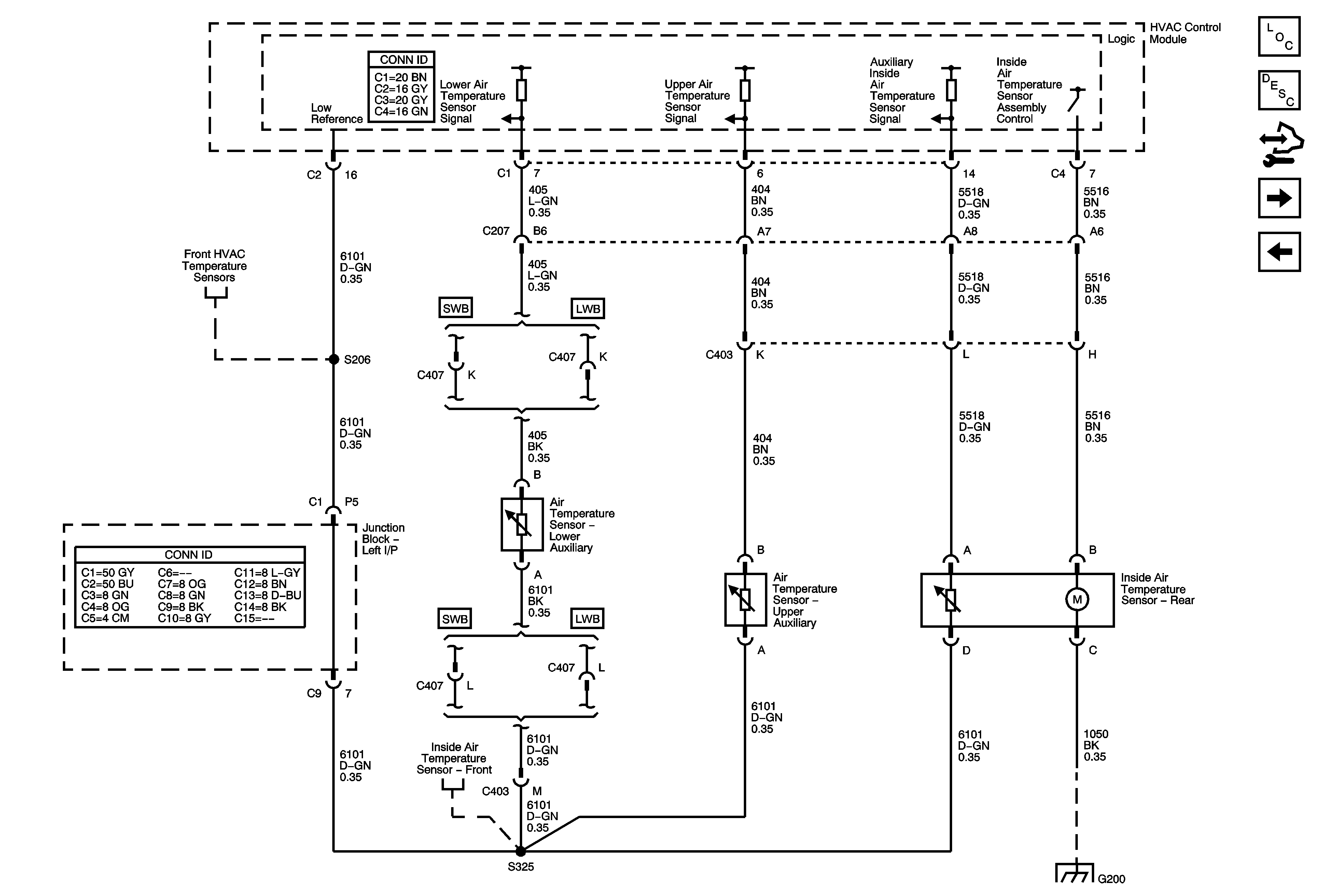
Auxiliary Blower Controls
Front Temperature Controls
Auxiliary Temperature Sensors
G200 - 1 of 2
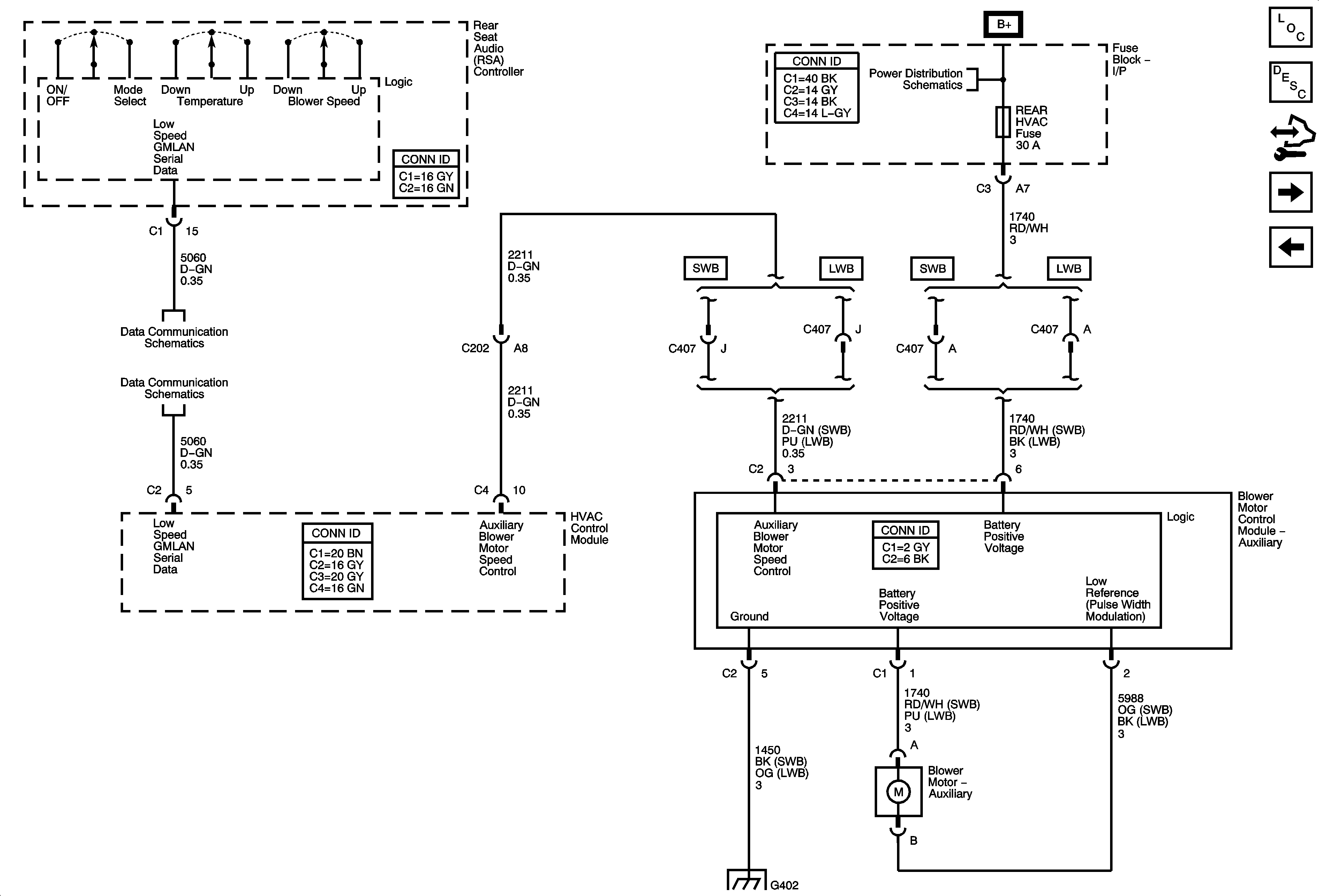
Figure 5:

Rear Blower Controls


Object Number: 1697879  Size: FS
Master Electrical Component List
Air Delivery Description and Operation
Control Module References
Auxiliary Mode and Temperature Controls
Front Temperature Sensors
B+ Bus - 1 of 3
Low Speed Bus - SP 200 - 2 of 3
Low Speed Bus - SP200 - 1 of 3
G402 - E52
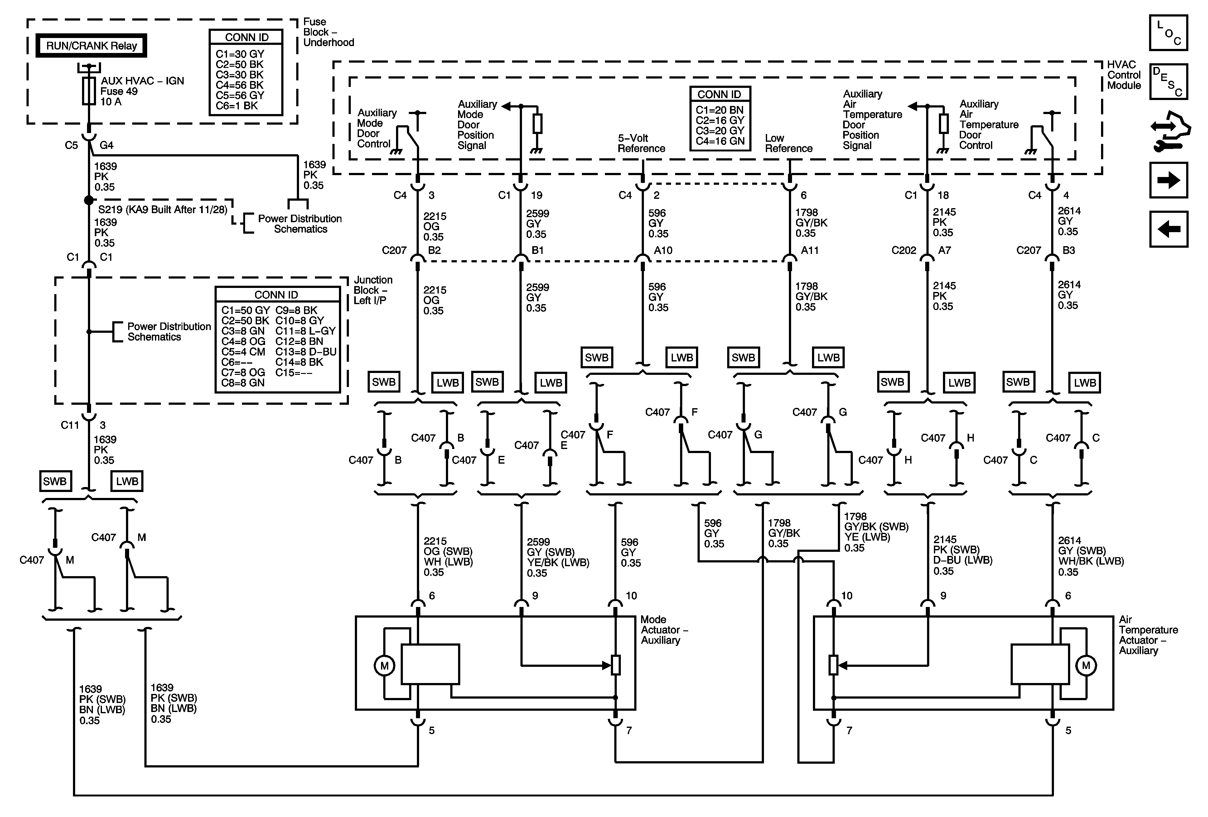
Figure 6:

Rear Mode and Temperature Controls


Object Number: 1697880  Size: FS
Master Electrical Component List
Air Delivery Description and Operation
Control Module References
Auxiliary Temperature Sensors
Auxiliary Blower Controls
Front Mode Controls
RUN/CRANK Bus - AUX HVAC - IGN and HVAC - IGN Fuses
RUN/CRANK Bus - AUX HVAC - IGN and HVAC - IGN Fuses
Figure 7:

Auxiliary Temperature Sensors


Object Number: 1697881  Size: FS
Master Electrical Component List
Air Delivery Description and Operation
Control Module References
A/C Compressor Controls
Auxiliary Mode and Temperature Controls
Front Temperature Sensors
Front Temperature Sensors
G200 - 1 of 2
Figure 8:

A/C Compressor Controls


Object Number: 1697882  Size: FS
Master Electrical Component List
Air Delivery Description and Operation
Control Module References
Auxiliary Temperature Sensors
B+ Bus - 1 of 3
Low Speed Bus - SP200 - 1 of 3
High Speed Bus - 1 of 2
G103, G110, and G111
G102 and G108