GM Service Manual Online
For 1990-2009 cars only
Figure 1:

Module Power, Ground, Serial Data, and Front Blower


Object Number: 1703758  Size: FS
Master Electrical Component List
Air Delivery Description and Operation
Control Module References
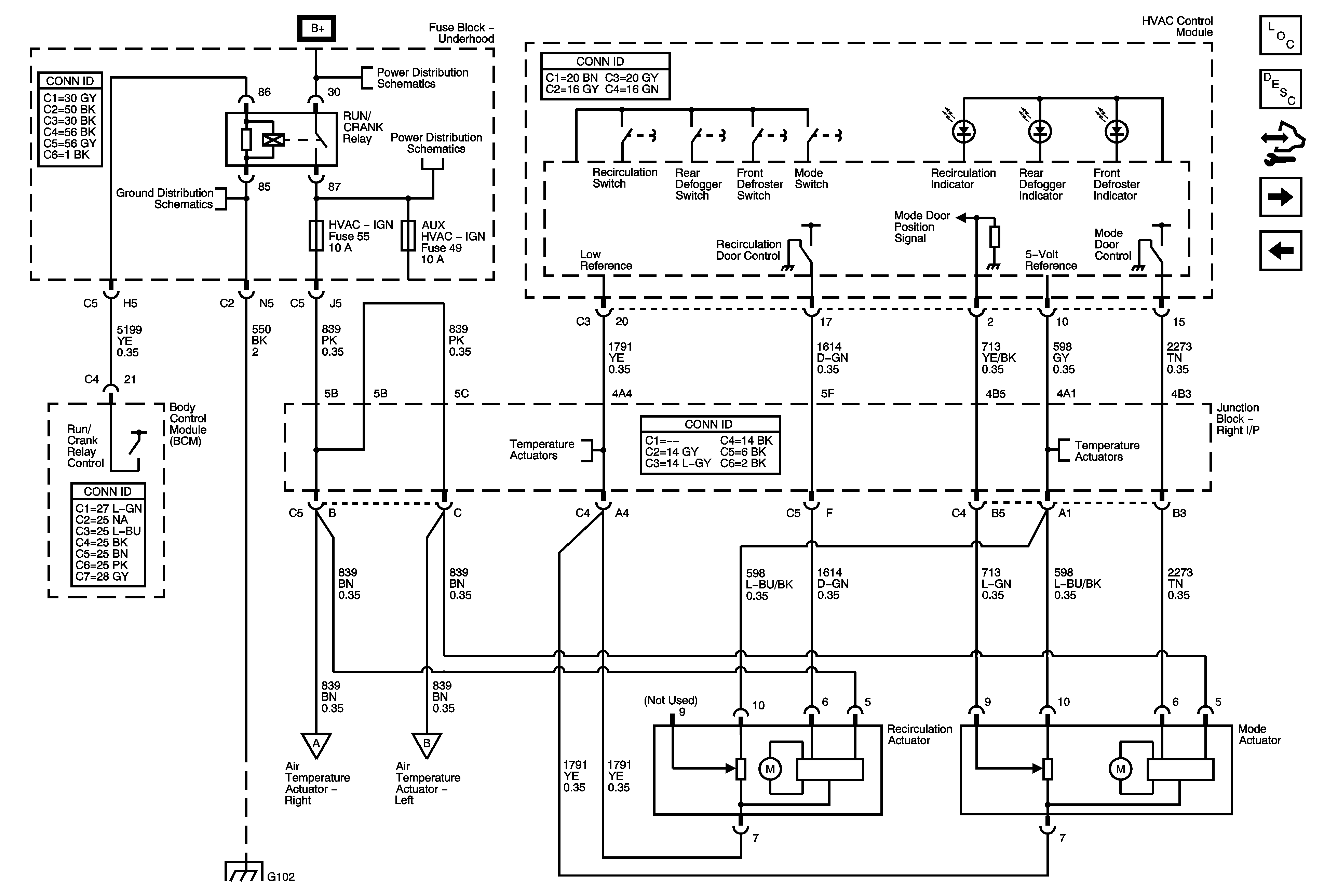
Front Mode Controls
Ignition 3 and Accessory Voltage
B+ Bus - 1 of 3
G201
Low Speed Bus - SP200 - 1 of 3
G200 - 1 of 2
Figure 2:

Front Mode Controls


Object Number: 1703759  Size: FS
Master Electrical Component List
Air Delivery Description and Operation
Control Module References
Front Temperature Controls
Module Power, Ground, Serial Data, and Front Blower Control
G102 and G108
B+ Bus - 1 of 3
B+ Bus - 3 of 3
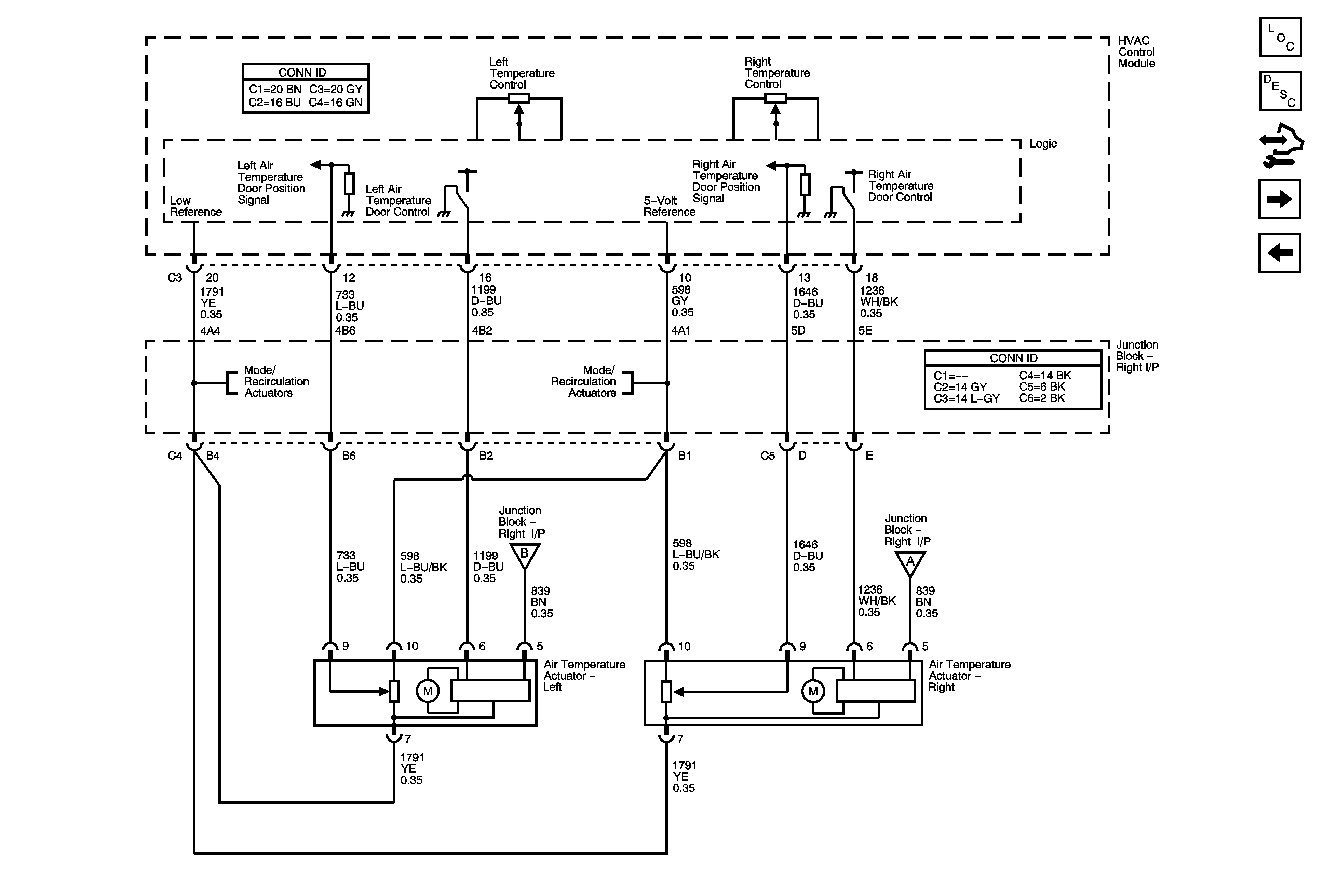
Front Temperature Controls
Front Temperature Controls
Front Temperature Controls
G102 and G108
Front Temperature Controls
Figure 3:

Front Temperature Controls


Object Number: 1703761  Size: FS
Master Electrical Component List
Air Delivery Description and Operation
Control Module References
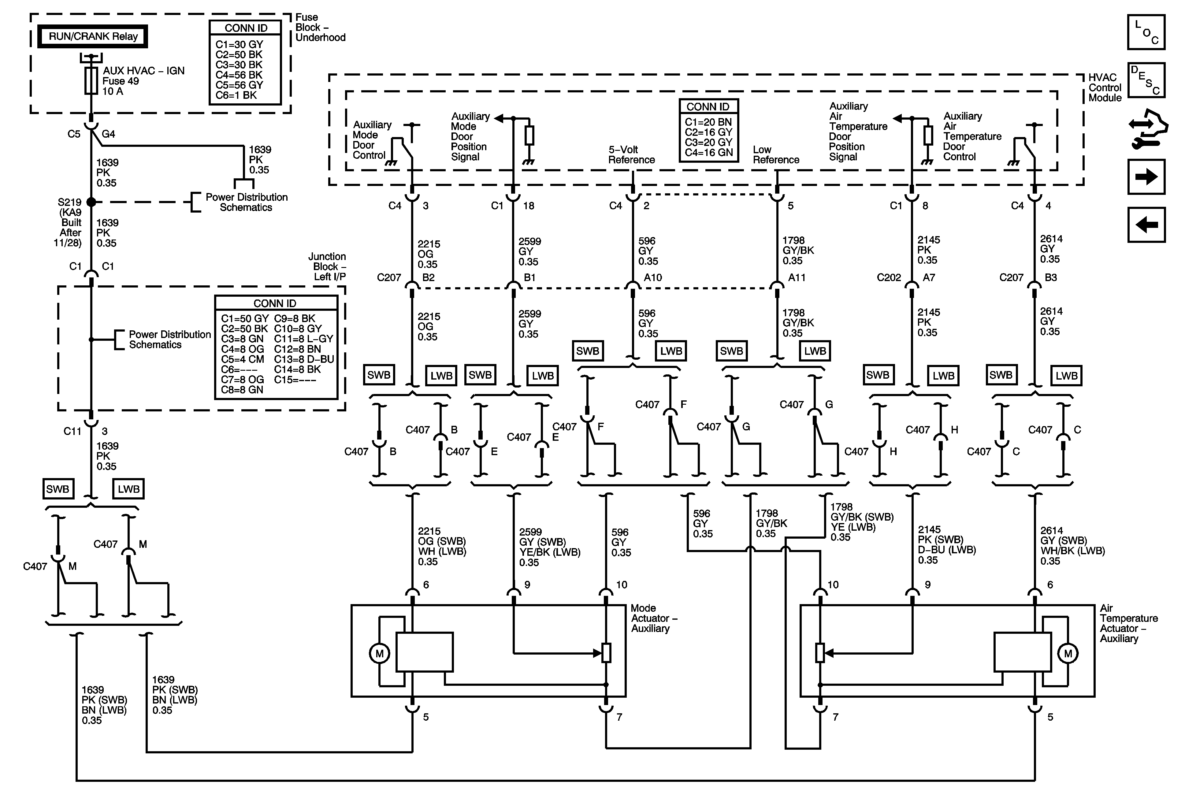
Auxiliary Blower Controls
Front Mode Controls
Front Mode Controls
Front Mode Controls
Front Mode Controls
Front Mode Controls
Figure 4:

Auxiliary Blower Controls


Object Number: 1703762  Size: FS
Master Electrical Component List
Air Delivery Description and Operation
Control Module References
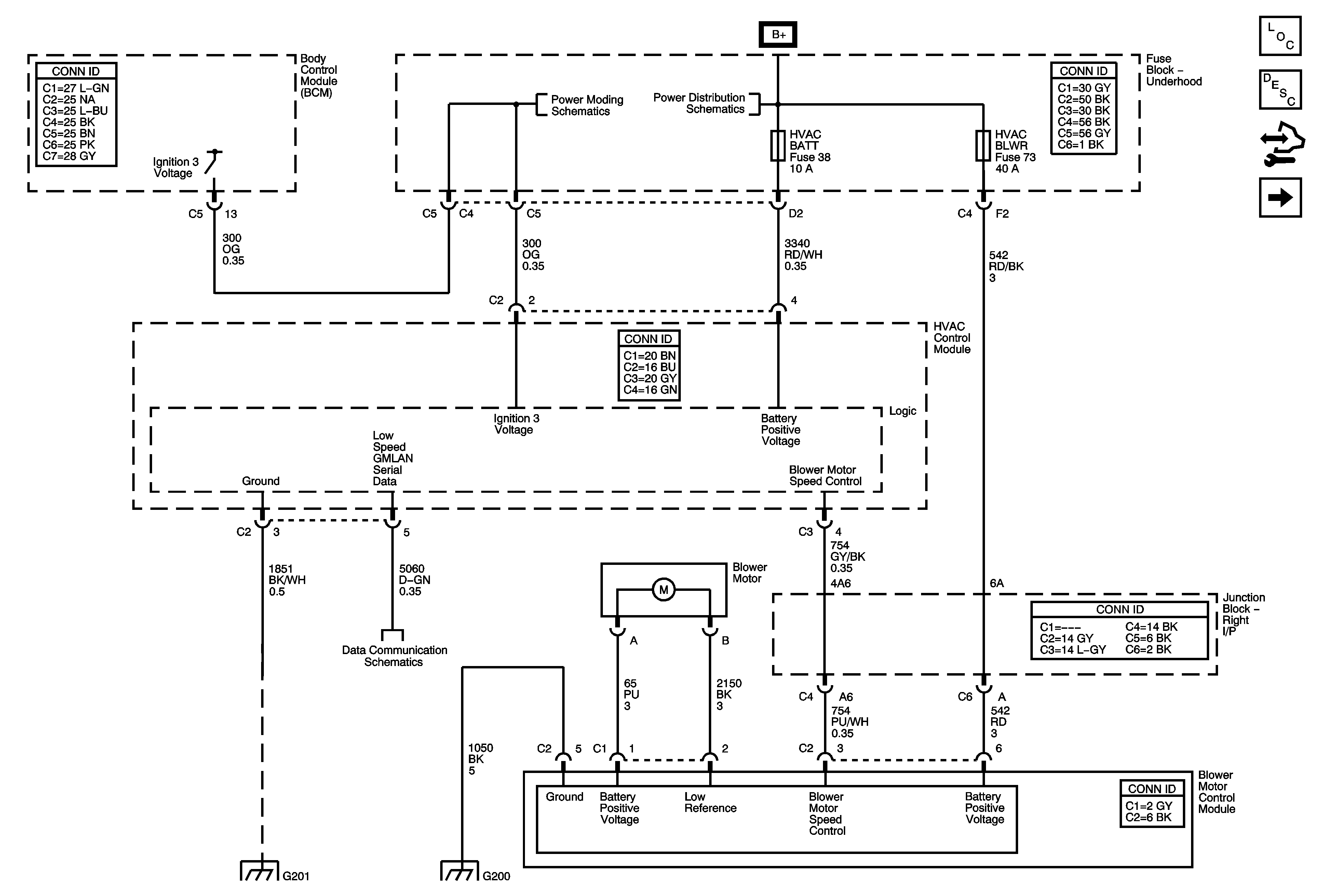
Auxiliary Temperature Controls
Front Temperature Controls
Low Speed Bus - SP 200 - 2 of 3
Low Speed Bus - SP200 - 1 of 3
B+ Bus - 1 of 3
G402 - E52
Figure 5:

Auxiliary Temperature Controls


Object Number: 1703763  Size: FS
Master Electrical Component List
Air Delivery Description and Operation
Control Module References
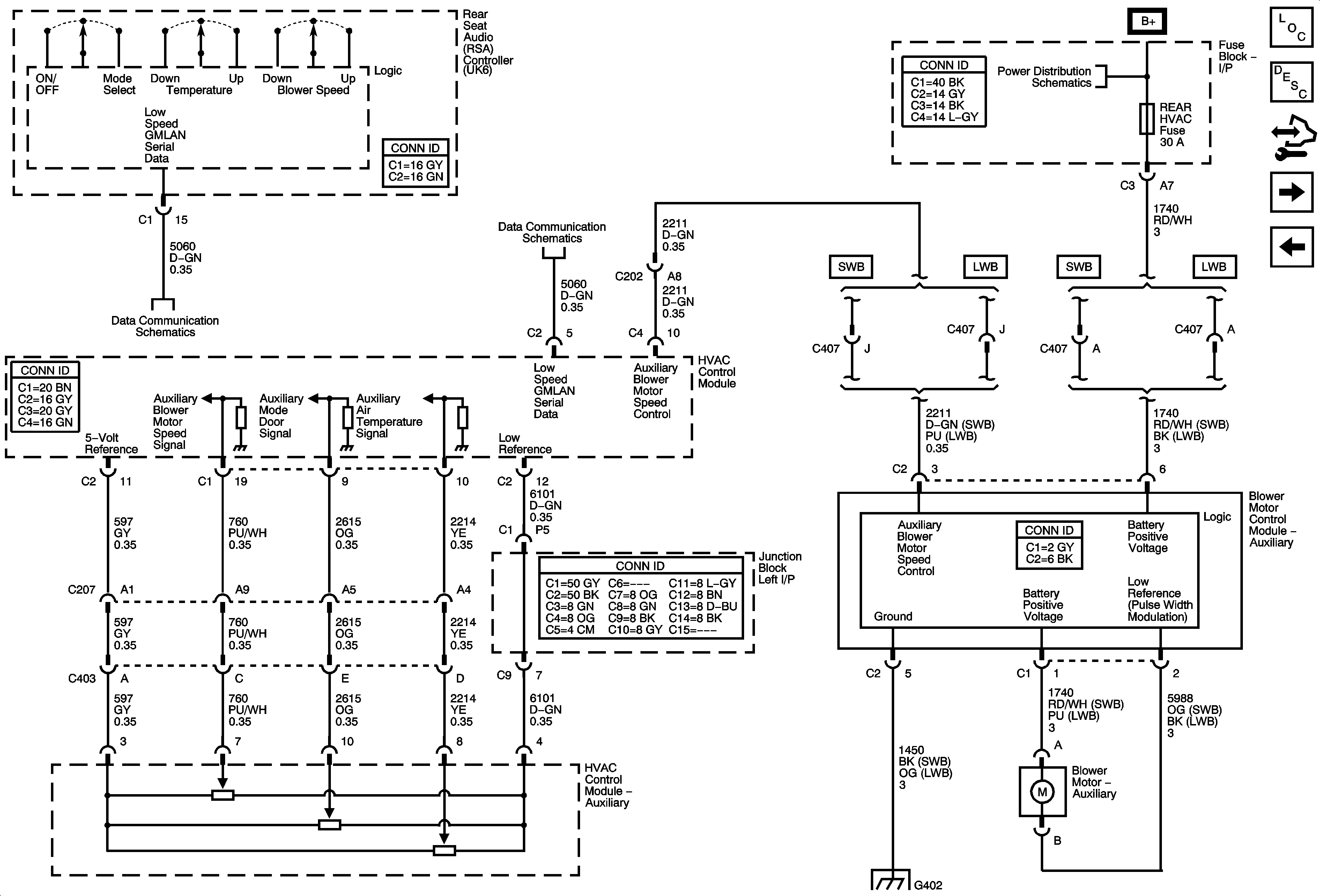
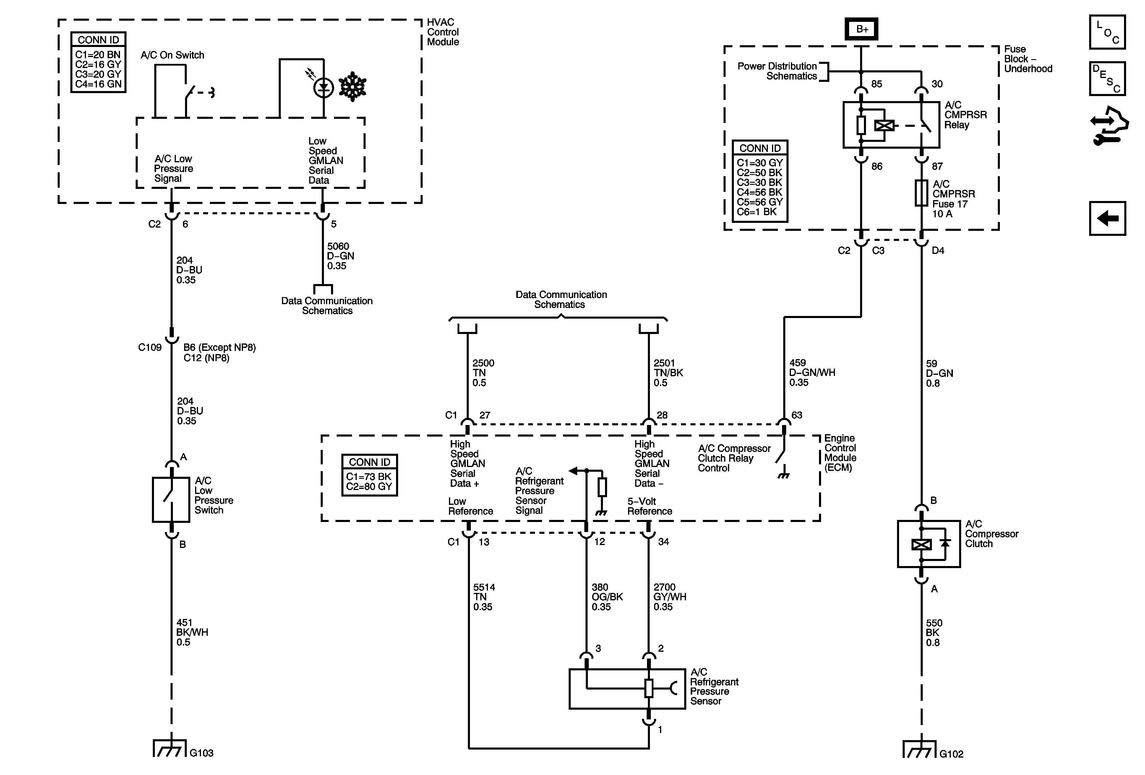
A/C Compressor Controls
Auxiliary Blower Controls
Front Mode Controls
RUN/CRANK Bus - AUX HVAC - IGN and HVAC - IGN Fuses
RUN/CRANK Bus - AUX HVAC - IGN and HVAC - IGN Fuses
Figure 6:

A/C Compressor Controls


Object Number: 1697882  Size: FS
Master Electrical Component List
Air Delivery Description and Operation
Control Module References
Auxiliary Temperature Controls
Low Speed Bus - SP200 - 1 of 3
High Speed Bus - 1 of 2
G103, G110, and G111
B+ Bus - 1 of 3
G102 and G108