GM Service Manual Online
For 1990-2009 cars only
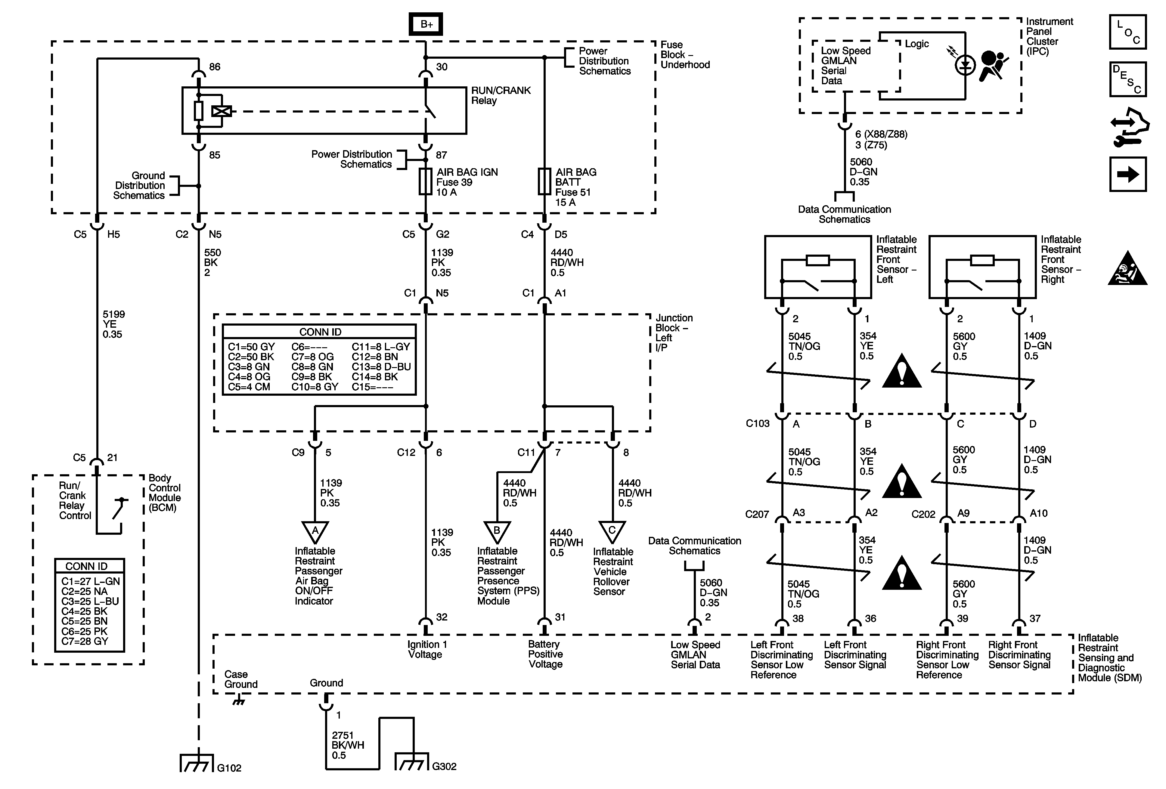
Figure 1:

Module Power, Ground, and Serial Data and Front Sensors


Object Number: 1700403  Size: FS
Master Electrical Component List
SIR System Description and Operation
Control Module References
Steering Wheel and I/P Module
SIR Schematic Icons
B+ Bus - 1 of 3
G102 and G108
RUN/CRANK Bus - AIRBAG IGN, MISC IGN, ans SEO/ALC Fuses
Low Speed Bus - SP200 - 1 of 3
Passenger Presence System - 1 of 2
Passenger Presence System - 1 of 2
Side Impact Senors and Modules (ASF)
Low Speed Bus - SP200 - 3 of 3 and SP300
G102 and G108
G300 and G302
SIR Schematic Icons
SIR Schematic Icons
SIR Schematic Icons
Figure 2:

Steering Wheel and I/P Modules


Object Number: 1700404  Size: FS
Master Electrical Component List
SIR System Description and Operation
Control Module References
Side Impact Senors and Modules (ASF)
Module Power, Ground, and Serial Data and Front Sensors
SIR Schematic Icons
SIR Schematic Icons
SIR Schematic Icons
SIR Schematic Icons
Figure 3:

Side Impact Modules and Sensors (ASF)


Object Number: 1700405  Size: FS
Master Electrical Component List
SIR System Description and Operation
Control Module References
Passenger Presence System - 1 of 2
Steering Wheel and I/P Module
SIR Schematic Icons
SIR Schematic Icons
SIR Schematic Icons
SIR Schematic Icons
SIR Schematic Icons
SIR Schematic Icons
Module Power, Ground, and Serial Data and Front Sensors
G300 and G302
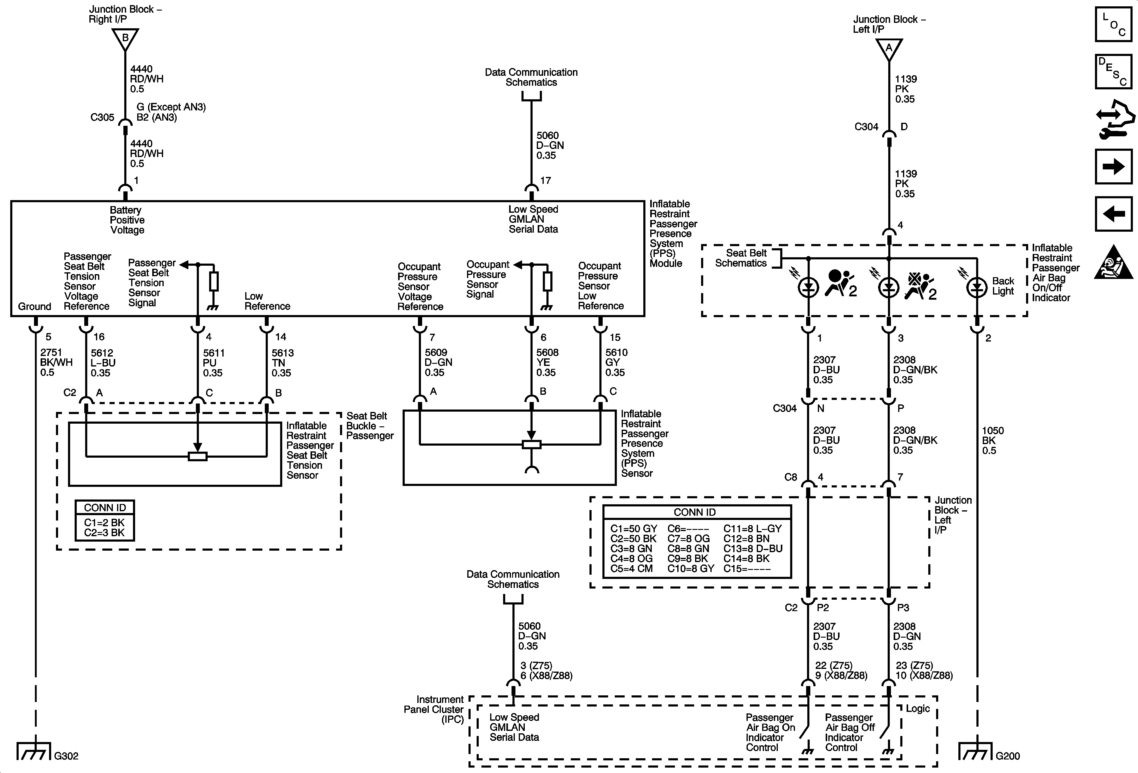
Figure 4:

Passenger Presence System - 1 of 2


Object Number: 1700406  Size: FS
Master Electrical Component List
SIR System Description and Operation
Control Module References
Passenger Presence System - 2 of 2
Side Impact Senors and Modules (ASF)
SIR Schematic Icons
Module Power, Ground, and Serial Data and Front Sensors
Low Speed Bus - SP200 - 3 of 3 and SP300
Module Power, Ground, and Serial Data and Front Sensors
Seat Belt Schematics
G300 and G302
Low Speed Bus - SP200 - 1 of 3
G200 - 1 of 2
Figure 5:

Passenger Presence System - 2 of 2


Object Number: 1700407  Size: FS
Master Electrical Component List
SIR System Description and Operation
Control Module References
Passenger Presence System - 1 of 2
SIR Schematic Icons
Seat Belt Schematics