GM Service Manual Online
For 1990-2009 cars only
Makes
🢒
Cadillac
🢒
2007
🢒
Escalade EXT
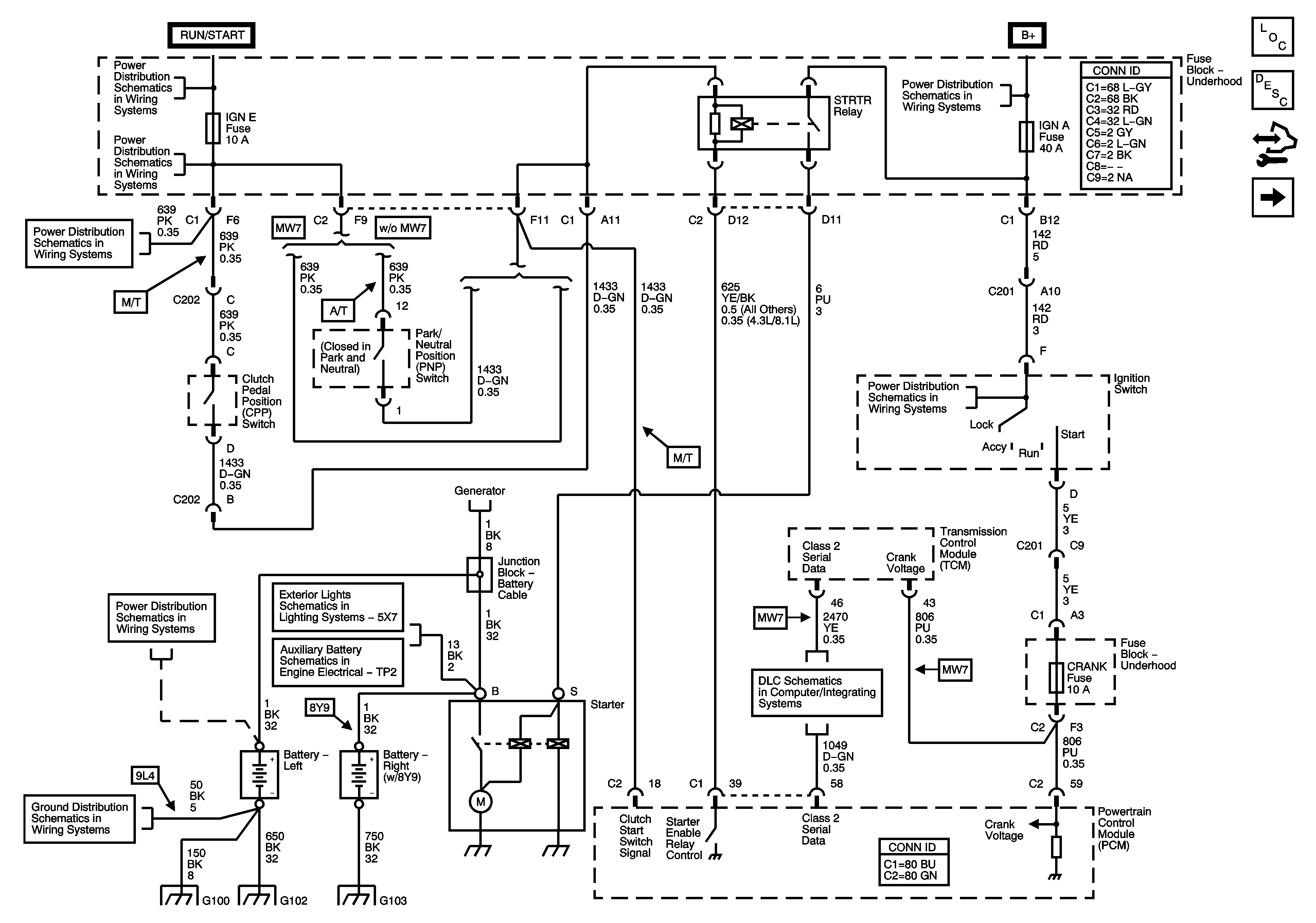
🢒 Starting - Gas
Starting - Gas
Starting - Gas
Master Electrical Component List
Starting System Description and Operation
Control Module References
Starting - Diesel
B+ Bus Bar
Ignition Switch - START, RUN, and ACC/RUN/START BUS BARS, IGN A and CRNK Fuses
IGN E and AIRBAG Fuses
Battery Supply - 1 of 2
G100 and G102
Charging - 20/30 Series - Gas
Wrecker Lighting (5X7)
Auxiliary Battery Schematics
B+ Bus Bar
Ignition Switch - START, RUN, and ACC/RUN/START BUS BARS, IGN A and CRNK Fuses
Power, Ground, DLC, and Splice Pack SP205