GM Service Manual Online
For 1990-2009 cars only
Makes
🢒
Cadillac
🢒
2007
🢒
Escalade EXT
🢒 Starting - Diesel
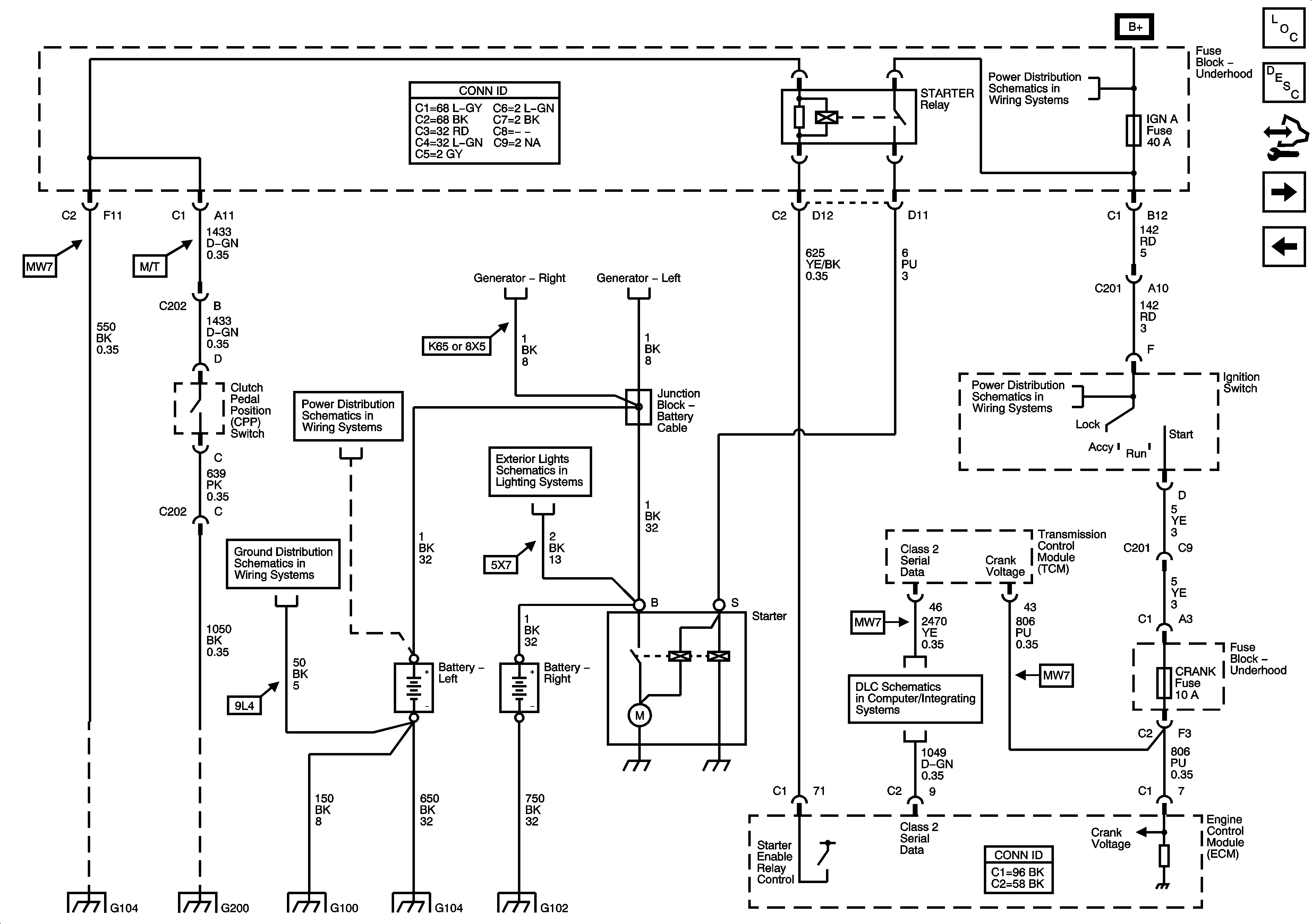
Starting - Diesel
Starting - Diesel
Master Electrical Component List
Starting System Description and Operation
Control Module References
Charging - 20/30 Series - Gas
Starting - Gas
B+ Bus Bar
Charging - Diesel
Charging - Diesel
Battery Supply - 1 of 2
G100 and G102
Wrecker Lighting (5X7)
Ignition Switch - START, RUN, and ACC/RUN/START BUS BARS, IGN A and CRNK Fuses
Power, Ground, DLC, and Splice Pack SP205
G104, G107, and G110
G115 and G200 - 1 of 2
G100 and G102
G104, G107, and G110
G102, G103 and G108 - Diesel