GM Service Manual Online
For 1990-2009 cars only
Makes
🢒
Cadillac
🢒
2007
🢒
Escalade EXT
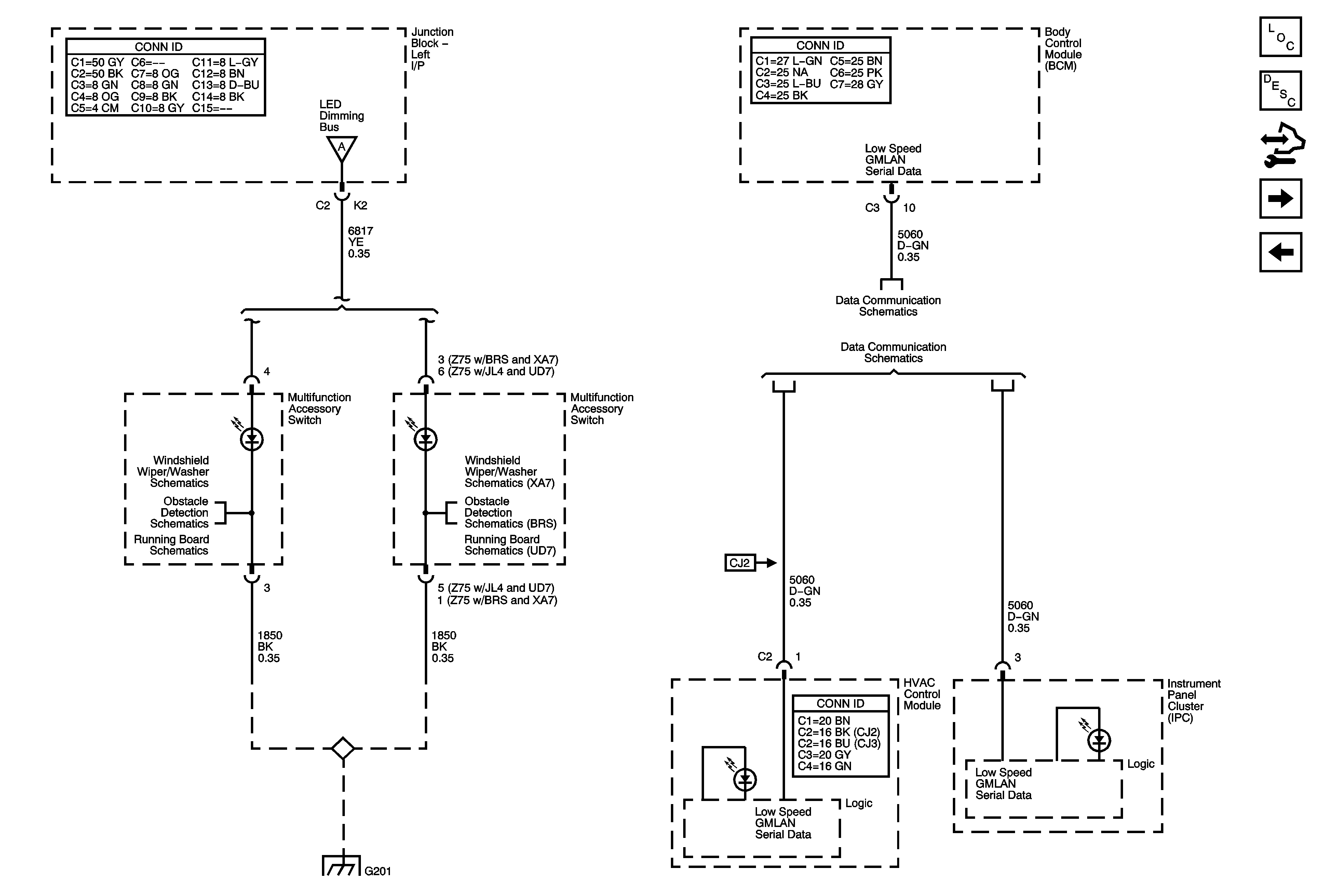
🢒 LED Dimming - 2 of 3
LED Dimming - 2 of 3
LED Dimming - 2 of 3
Master Electrical Component List
Interior Lighting Systems Description and Operation
Control Module References
LED Dimming - 3 of 3
Dimming Control and LED Dimming - 1 of 3
Dimming Control and LED Dimming - 1 of 3
Heated Washer System
Rear Object Sensing (UD7)
Running Board Schematics
G201
Heated Washer System
Rear Object Sensing (UD7)
Running Board Schematics
Low Speed Bus - SP 200 - 2 of 3
Low Speed Bus - SP200 - 1 of 3