GM Service Manual Online
For 1990-2009 cars only
Makes
🢒
Cadillac
🢒
2007
🢒
Escalade EXT
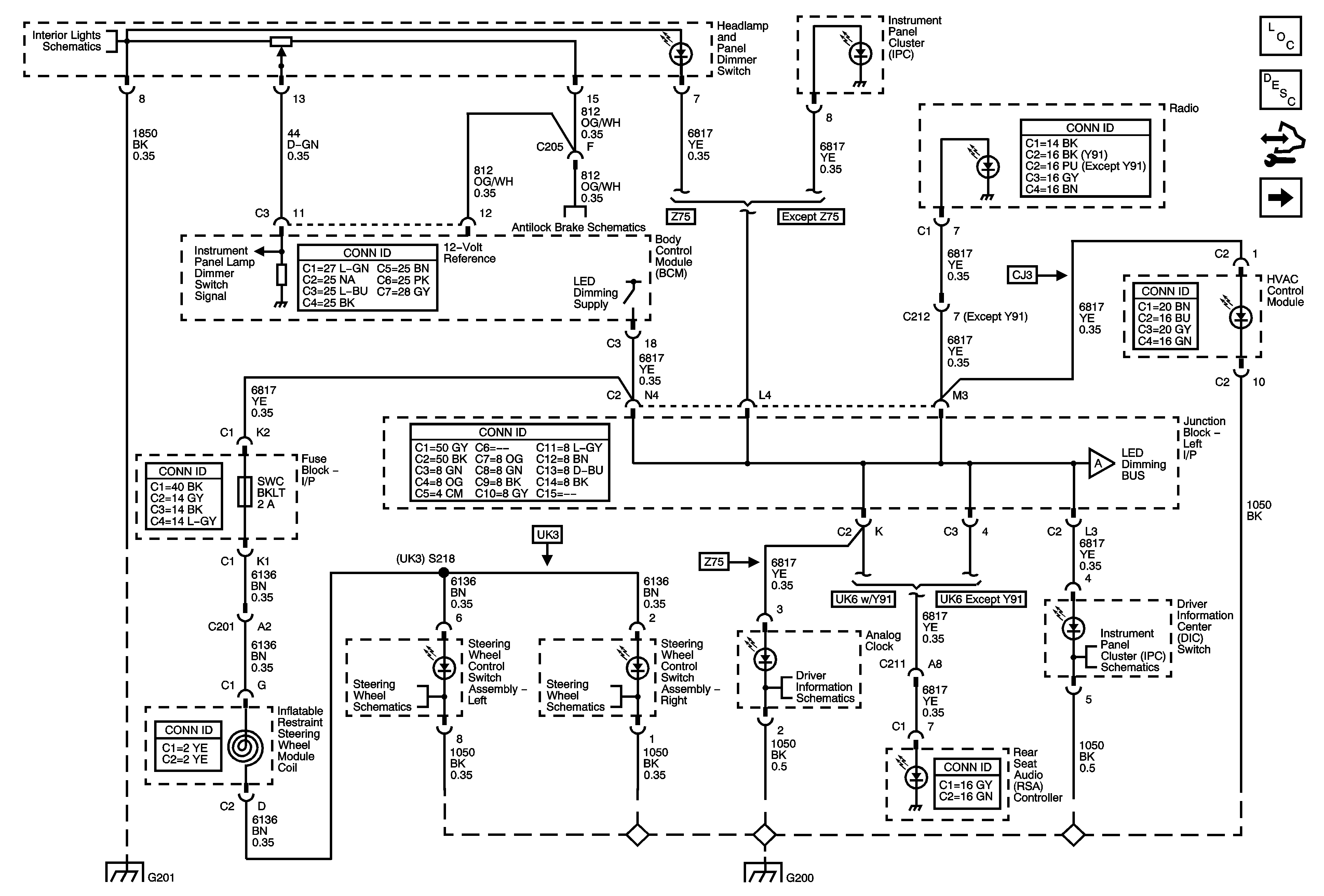
🢒 Dimming Control and LED Dimming - 1 of 3
Dimming Control and LED Dimming - 1 of 3
Dimming Control and LED Dimming - 1 of 3
Master Electrical Component List
Interior Lighting Systems Description and Operation
Control Module References
LED Dimming - 2 of 3
Inadvertent Lamp Control
G201
Steering Wheel Controls
Steering Wheel Controls
Module Power, Ground, and Serial Data, Pump Motor and Brake Switch - JD9 Under 8600 GVW
Analog Clock (Z75)
G200 - 1 of 2
LED Dimming - 2 of 3
Power, Ground, and Driver Information Center Switch