GM Service Manual Online
For 1990-2009 cars only
Makes
🢒
Cadillac
🢒
2007
🢒
Escalade EXT
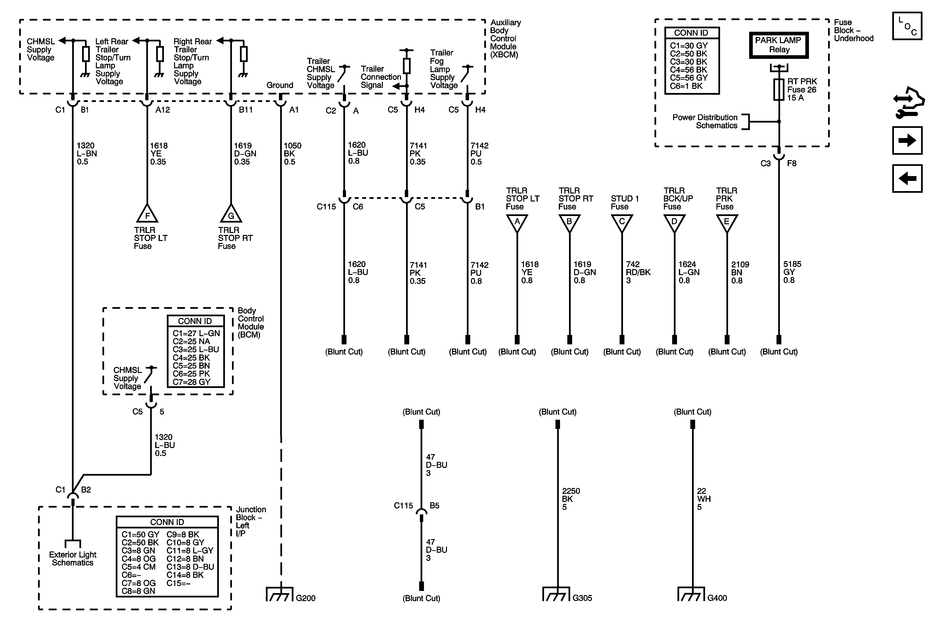
🢒 Export Trailer Wiring - 2 of 2
Export Trailer Wiring - 2 of 2
Export Trailer Wiring -- 2 of 2
Master Electrical Component List
Control Module References
Trailer Brake Control - Domestic
Trailer Lighting Control - Export 1 of 2 and all Domestic
Park Lamp Controls and Front Park Lamps
Trailer Lighting Control - Export 1 of 2 and all Domestic
Trailer Lighting Control - Export 1 of 2 and all Domestic
Stop Lamp Controls and CHMSL
G200 - 1 of 2
G303, G304, and G305
G400
Trailer Lighting Control - Export 1 of 2 and all Domestic
Trailer Lighting Control - Export 1 of 2 and all Domestic
Trailer Lighting Control - Export 1 of 2 and all Domestic
Trailer Lighting Control - Export 1 of 2 and all Domestic
Trailer Lighting Control - Export 1 of 2 and all Domestic