GM Service Manual Online
For 1990-2009 cars only
Makes
🢒
Cadillac
🢒
2007
🢒
Escalade EXT
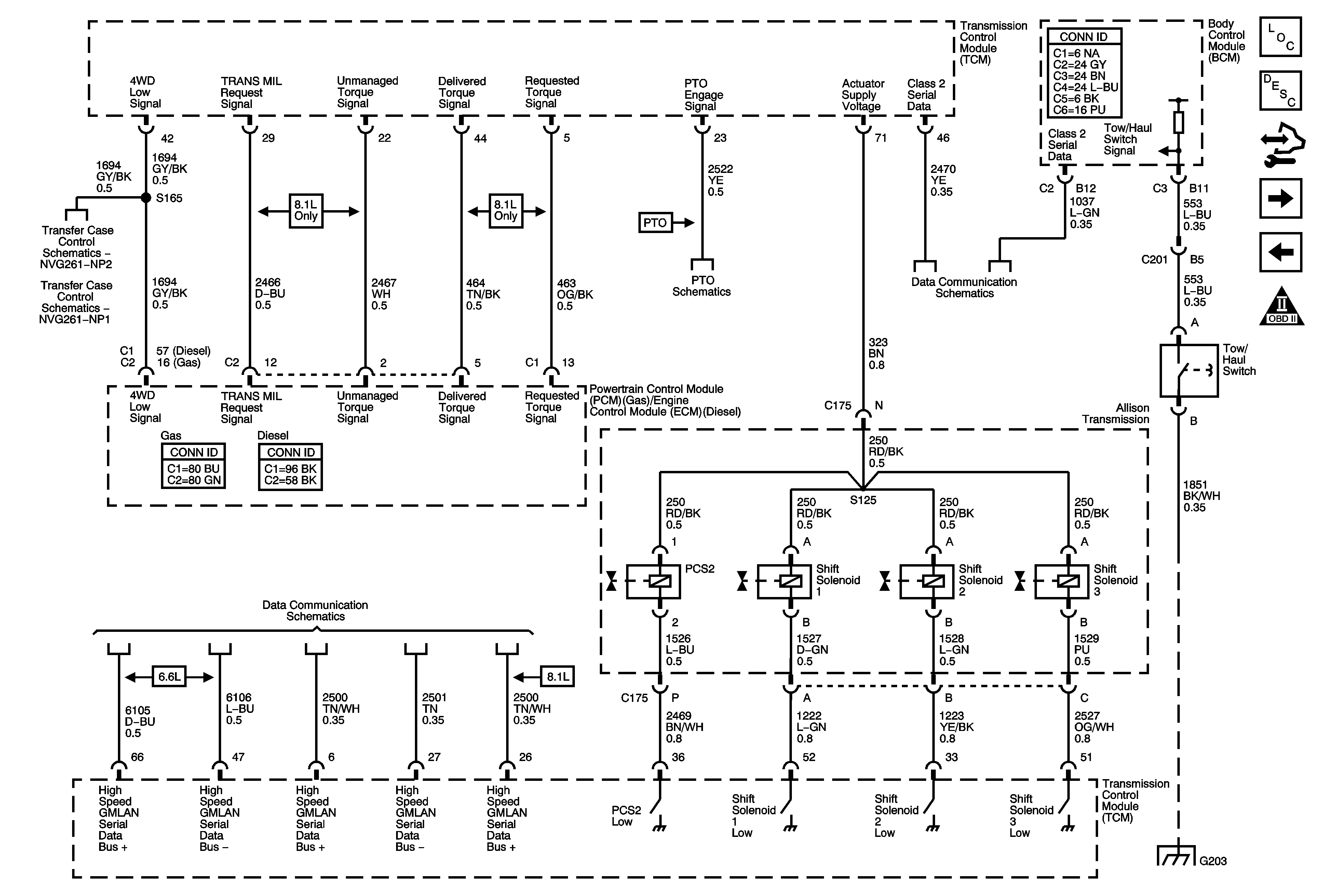
🢒 MIL Control, Serial Data, Shift Solenoids, PCS2, Torque Signals, and Tow/Haul Switch
MIL Control, Serial Data, Shift Solenoids, PCS2, Torque Signals, and Tow/Haul Switch
MIL Control, Serial Data, Shift Solenoids, PCS2, Torque Signals, and Tow/Haul Switch
Master Electrical Component List
Electronic Component Description
Control Module References
Fluid Pressure Switches, PCS1, TCC PCS, Mod Main Solenoid, and FTP Sensor
Power, Ground, Stop Lamp Switch, and Driver SHift Request Switch
Automatic Transmission Schematic Icons
Transfer Case NVG 261-NP2 Control Schematics
Power, Ground, Serial Data, and Transfer Case Encoder Motor
Power Take Off Schematics
Power, Ground, DLC and Splice Pack SP205
G203 - 2 of 2
High Speed GM LAN 8.1L and Diesel