GM Service Manual Online
For 1990-2009 cars only
Makes
🢒
Cadillac
🢒
2007
🢒
Escalade EXT
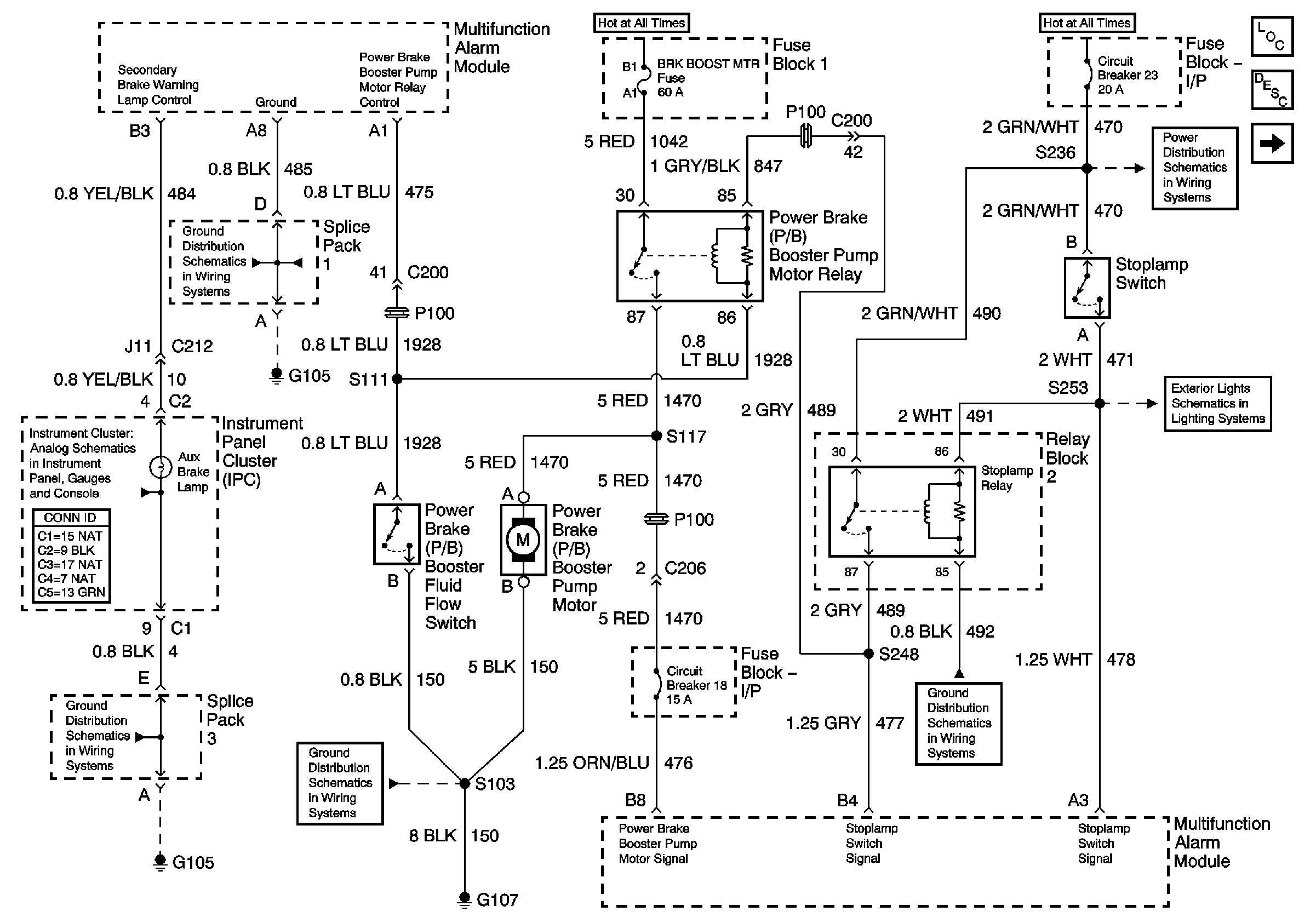
🢒 Hydraulic Brakes Schematics - Power Brake Booster Pump Motor and Relay
Hydraulic Brakes Schematics - Power Brake Booster Pump Motor and Relay
Power Brake Booster Pump Motor and Relay
Master Electrical Component List
Brake Warning System Description and Operation
Hydraulic Brakes Schematics - I/P Cluster, MAM and BRK Fluid level SW
Isuzu IPC System Schematics - Aux BRK, RH and LH Turn, APP PRK BRK LPS
Ground Distribution Schematics - Splice Pack 3 and S361
Ground Distribution Schematics - Splice Pack 1 and 4, S450
Ground Distribution Schematics - G107, G108, S101, S103 and S105
Ground Distribution Schematics - S323, S337, S339, S357 and S358
Power Distribution System Schematics - FB I/P C.B. 20, 21, 22, 23
Lighting System Schematics - TRN Trailer RLY, MF SW and TRN SG Haz FL