GM Service Manual Online
For 1990-2009 cars only
Makes
🢒
Cadillac
🢒
2007
🢒
Escalade EXT
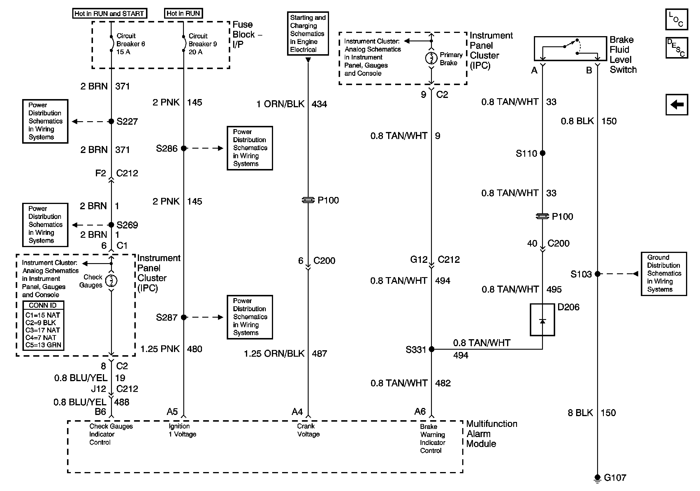
🢒 Hydraulic Brakes Schematics - I/P Cluster, MAM and BRK Fluid level SW
Hydraulic Brakes Schematics - I/P Cluster, MAM and BRK Fluid level SW
IPC, Multifunction Alarm Module and Brake Fluid Level Switch
Master Electrical Component List
Brake Warning System Description and Operation
Hydraulic Brakes Schematics - Power Brake Booster Pump Motor and Relay
Power Distribution System Schematics - Fuse Block I/P, C.B. 6
Power Distribution System Schematics - Feed From Circuit Breaker 6
Isuzu IPC System Schematics - Seat Belt, Prim BRK, ABS, PRK BRK Lamps
Power Distribution System Schematics - FB I/P, Circuit Breaker 9
Power Distribution System Schematics - FB I/P, Circuit Breaker 9
Engine Electrical System - Starting System LG5
Isuzu IPC System Schematics - Seat Belt, Prim BRK, ABS, PRK BRK Lamps
Ground Distribution Schematics - G107, G108, S101, S103 and S105