GM Service Manual Online
For 1990-2009 cars only
Makes
🢒
Cadillac
🢒
2007
🢒
Escalade EXT
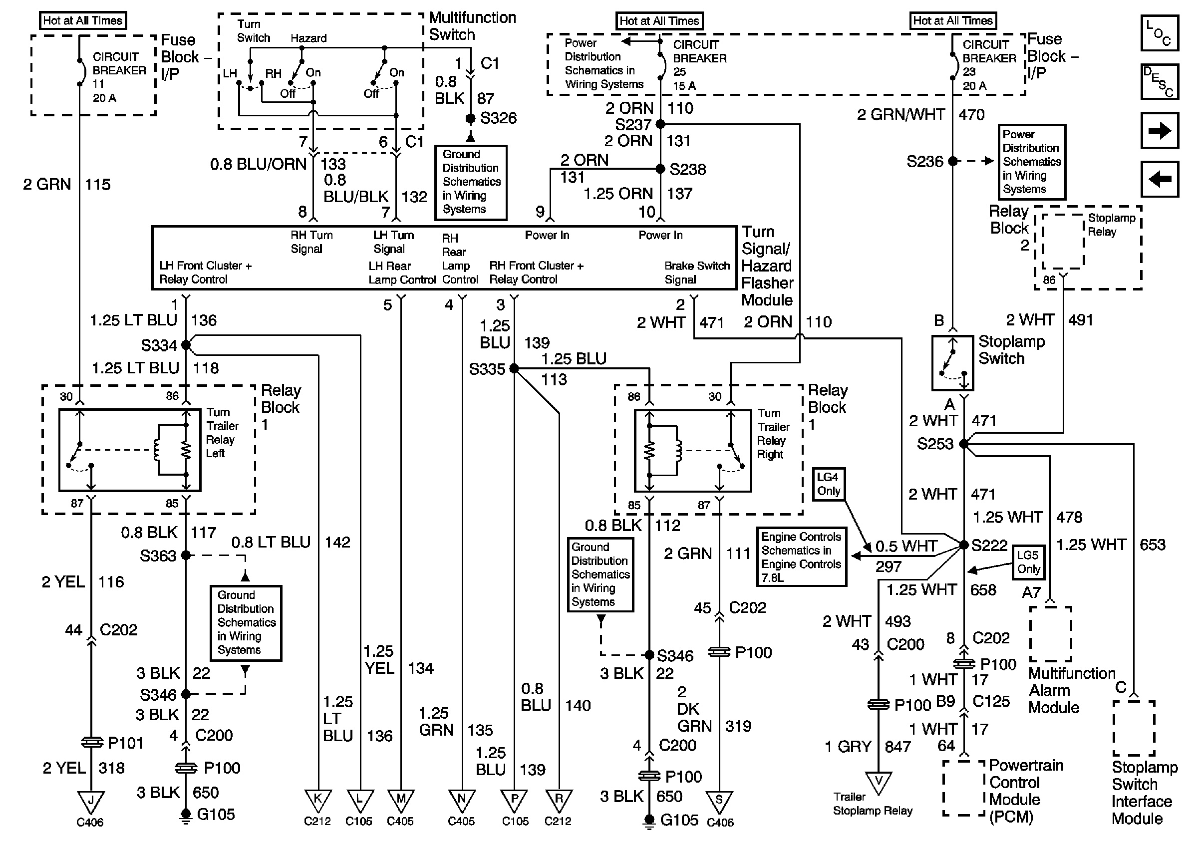
🢒 Lighting System Schematics - TRN Trailer RLY, MF SW and TRN SG Haz FL
Lighting System Schematics - TRN Trailer RLY, MF SW and TRN SG Haz FL
Hazard Flasher, Stop Lamps Switch-JE3
Master Electrical Component List
Exterior Lighting Systems Description and Operation
Lighting System Schematics - PRK TRN SIG LP, Tail STP/TRN LP, IPC
Lighting System Schematics - TRN Trailer RLY, MF SW and TRN SG Haz FL
Ground Distribution Schematics - S346, S347, S348 and S363
Ground Distribution Schematics - S324, S326 and S500
Power Distribution System Schematics - Fuse Block 2, Fuse Block I/P
Ground Distribution Schematics - S346, S347, S348 and S363
Engine Controls LG4 Schematics - Glow Plug Relay, Glow Plugs and ECM
Power Distribution System Schematics - FB I/P C.B. 20, 21, 22, 23
Lighting System Schematics - Tractor/Trailer Receptacle
Lighting System Schematics - PRK TRN SIG LP, Tail STP/TRN LP, IPC
Lighting System Schematics - PRK TRN SIG LP, Tail STP/TRN LP, IPC
Lighting System Schematics - PRK TRN SIG LP, Tail STP/TRN LP, IPC
Lighting System Schematics - PRK TRN SIG LP, Tail STP/TRN LP, IPC
Lighting System Schematics - PRK TRN SIG LP, Tail STP/TRN LP, IPC
Lighting System Schematics - PRK TRN SIG LP, Tail STP/TRN LP, IPC
Lighting System Schematics - Tractor/Trailer Receptacle
Lighting System Schematics - Trailer STP LP RLY, Back UP SW, ABS RLY