GM Service Manual Online
For 1990-2009 cars only
Makes
🢒
Cadillac
🢒
2007
🢒
Escalade EXT
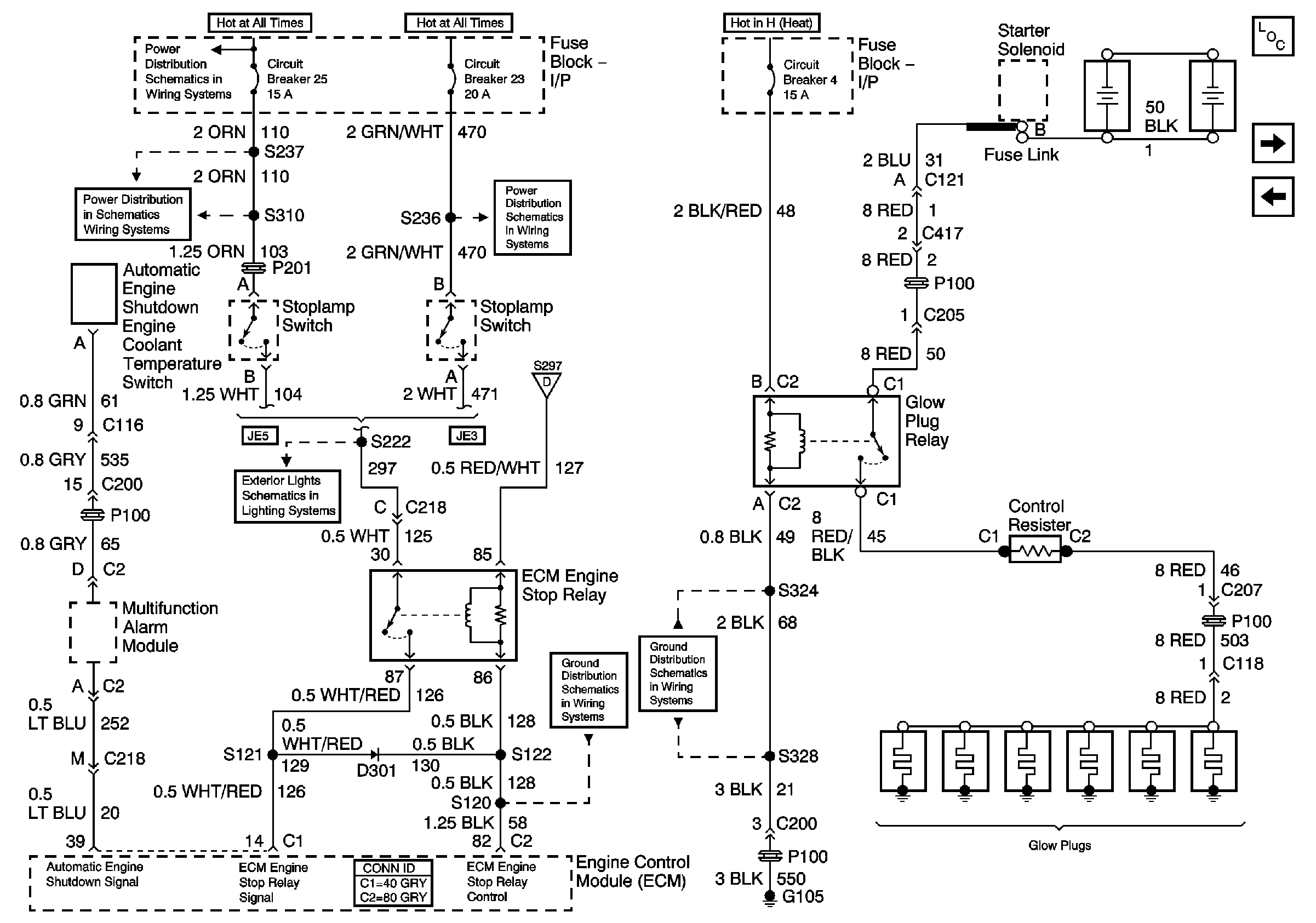
🢒 Engine Controls LG4 Schematics - Glow Plug Relay, Glow Plugs and ECM
Engine Controls LG4 Schematics - Glow Plug Relay, Glow Plugs and ECM
Engine Data Sensors - Glow Plug Control, Engine Shutdown System
Master Electrical Component List
Engine Controls LG4 Schematics - Fuel Tank Senders, Fuel Transfer Pump
Engine Controls LG4 Schematics - Fast Idle SW, Clutch Pedel Positon SW
Power Distribution System Schematics - FB I/P C.B. 24, 25, 26
Power Distribution System Schematics - Fuse Block 2, Fuse Block I/P
Lighting System Schematics - TRN Trailer RLY, MF SW and TRN SG Haz FL
Power Distribution System Schematics - FB I/P C.B. 20, 21, 22, 23
Engine Controls Schematics (LG4) - Module Power, Serial Data, and MIL
Ground Distribution Schematics - G407, G409, S108, S137, S150, S120
Ground Distribution Schematics - G105, S325 and S328