GM Service Manual Online
For 1990-2009 cars only
Makes
🢒
Cadillac
🢒
2007
🢒
Escalade EXT
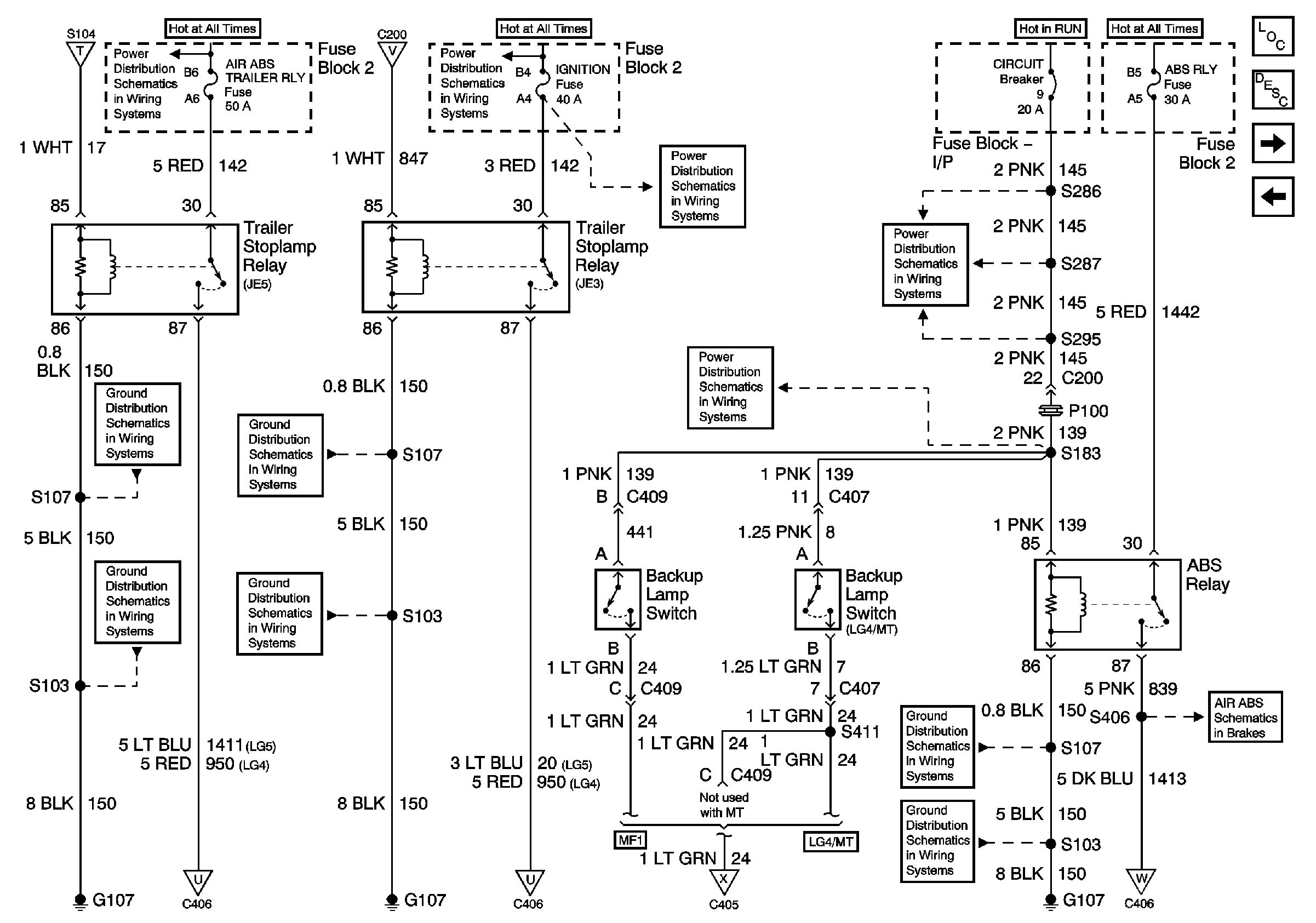
🢒 Lighting System Schematics - Trailer STP LP RLY, Back UP SW, ABS RLY
Lighting System Schematics - Trailer STP LP RLY, Back UP SW, ABS RLY
Trailer Stop Relay, ABS Relay
Master Electrical Component List
Exterior Lighting Systems Description and Operation
Lighting System Schematics - Marker Lamps
Lighting System Schematics - PRK TRN SIG LP, Tail STP/TRN LP, IPC
Lighting System Schematics - TRN Trailer RLY, MF SW and TRN SG Haz FL
Power Distribution System Schematics - IGN, ABS, ABS RLY, PRK BRK Fuse
Lighting System Schematics - TRN Trailer RLY, MF SW and TRN SG Haz FL
Power Distribution System Schematics - IGN, ABS, ABS RLY, PRK BRK Fuse
Automatic Transmission TCC Switch
Power Distribution System Schematics - FB I/P, Circuit Breaker 9
Power Distribution System Schematics - Feed from Circuit Breaker 9
Ground Distribution Schematics - S107
Ground Distribution Schematics - S107
Ground Distribution Schematics - G107, G108, S101, S103 and S105
Ground Distribution Schematics - G107, G108, S101, S103 and S105
Ground Distribution Schematics - S107
Ground Distribution Schematics - G107, G108, S101, S103 and S105
Air ABS Schematics - ABS Relay, PCM, TCM, ECM and DLC
Lighting System Schematics - Tractor/Trailer Receptacle
Lighting System Schematics - Tractor/Trailer Receptacle
Lighting System Schematics - PRK TRN SIG LP, Tail STP/TRN LP, IPC