GM Service Manual Online
For 1990-2009 cars only
Makes
🢒
Cadillac
🢒
2007
🢒
Escalade EXT
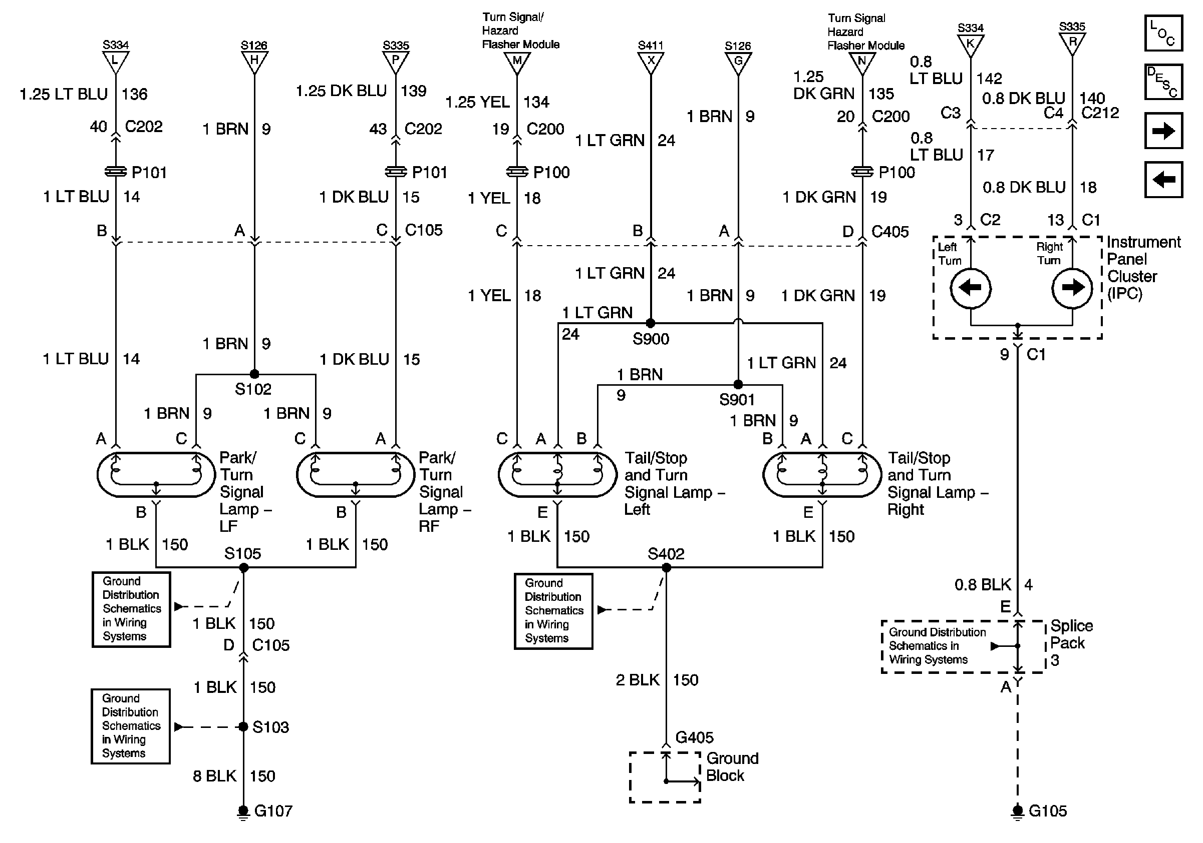
🢒 Lighting System Schematics - PRK TRN SIG LP, Tail STP/TRN LP, IPC
Lighting System Schematics - PRK TRN SIG LP, Tail STP/TRN LP, IPC
Front and Rear Lighting, IP Indicators
Master Electrical Component List
Exterior Lighting Systems Description and Operation
Lighting System Schematics - Trailer STP LP RLY, Back UP SW, ABS RLY
Lighting System Schematics - TRN Trailer RLY, MF SW and TRN SG Haz FL
Ground Distribution Schematics - G107, G108, S101, S103 and S105
Ground Distribution Schematics - G107, G108, S101, S103 and S105
Ground Distribution Schematics - G404, G405, G406, S402, S415, S421
Ground Distribution Schematics - G404, G405, G406, S402, S415, S421
Lighting System Schematics - TRN Trailer RLY, MF SW and TRN SG Haz FL
Lighting System Schematics - Marker and Tail LP Rly,Multifunction SW
Lighting System Schematics - TRN Trailer RLY, MF SW and TRN SG Haz FL
Lighting System Schematics - TRN Trailer RLY, MF SW and TRN SG Haz FL
Lighting System Schematics - Trailer STP LP RLY, Back UP SW, ABS RLY
Lighting System Schematics - Marker and Tail LP Rly,Multifunction SW
Lighting System Schematics - TRN Trailer RLY, MF SW and TRN SG Haz FL
Lighting System Schematics - TRN Trailer RLY, MF SW and TRN SG Haz FL
Lighting System Schematics - TRN Trailer RLY, MF SW and TRN SG Haz FL