GM Service Manual Online
For 1990-2009 cars only
Makes
🢒
Cadillac
🢒
2007
🢒
Escalade EXT
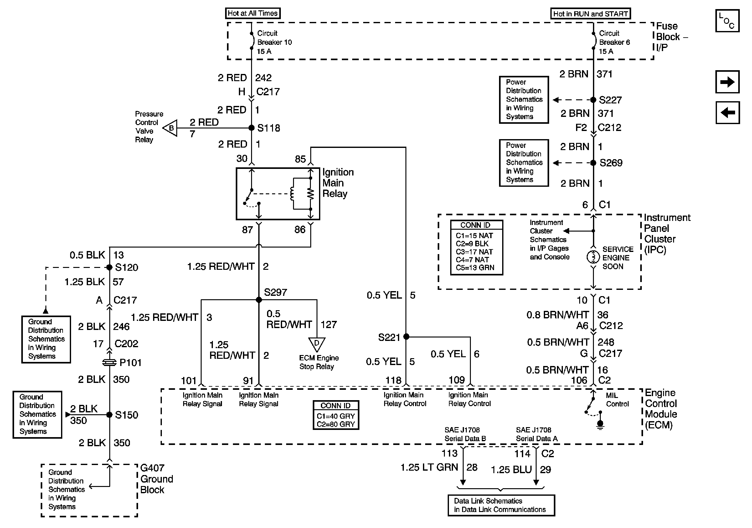
🢒 Engine Controls Schematics (LG4) - Module Power, Serial Data, and MIL
Engine Controls Schematics (LG4) - Module Power, Serial Data, and MIL
Module Power, Serial Data and MIL
Master Electrical Component List
Engine Controls-Engine data Sensors-5Volts and Low Reference
Engine Electrical LG4 System - ECM, EBCM, IGN Main Relay
Engine Controls LG4 Schematics - Turbo Charge Boost Pressure Sens, ECM
Power Distribution System Schematics - Fuse Block I/P, C.B. 6
Power Distribution System Schematics - Feed From Circuit Breaker 6
Isuzu IPC System Schematics - DRL, Serv, Trans, Low Cool, BAT,HBeam LP
Ground Distribution Schematics - G407, G409, S108, S137, S150, S120
Ground Distribution Schematics - G407, G409, S108, S137, S150, S120
Ground Distribution Schematics - G407, G409, S108, S137, S150, S120
Engine Controls LG4 Schematics - Glow Plug Relay, Glow Plugs and ECM
Data Link System Schematics - Data Link Connector DLC