GM Service Manual Online
For 1990-2009 cars only
Makes
🢒
Cadillac
🢒
2008
🢒
Escalade EXT
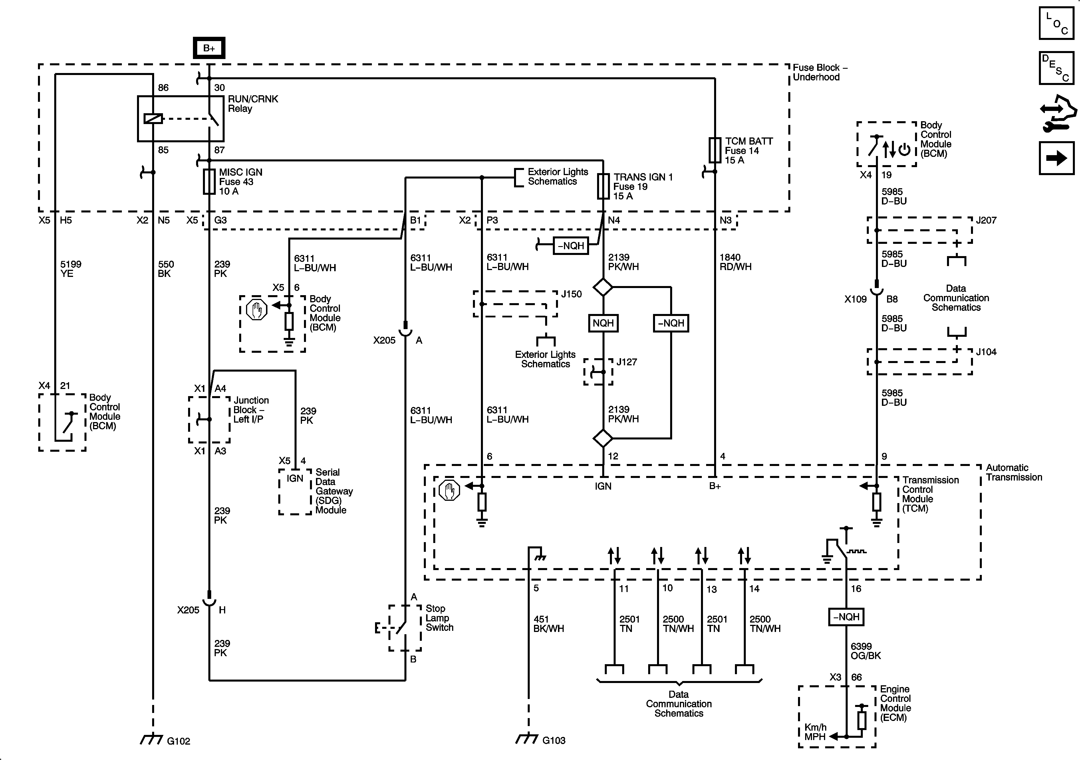
🢒 Module Power, Ground, Serial Data, and Stop Lamp Switch
Module Power, Ground, Serial Data, and Stop Lamp Switch
Module Power, Ground, Serial Data, and Stop Lamp Switch
Master Electrical Component List
Control Module References
Pressure Controls - 1 of 2 and Shift Controls
RUN/CRANK Bus - AIRBAG IGN, MISC IGN and SEO/ALC Fuses
Stop Lamp Controls and CHMSL
RUN/CRANK Bus - ECM-IGN and TRANS IGN 1 Fuses
ECM-BATT, HEADLAMP WASH, HVAC BATT, IPC, LTR, S/ROOF, and TCM-BATT Fuses
Serial Data Communication Enable and Wake-up Circuits
Stop Lamp Controls and CHMSL
G102, G104, and G108
G103, G110 and G111
High Speed Bus (HP2)