GM Service Manual Online
For 1990-2009 cars only
Makes
🢒
Cadillac
🢒
2005
🢒
SRX
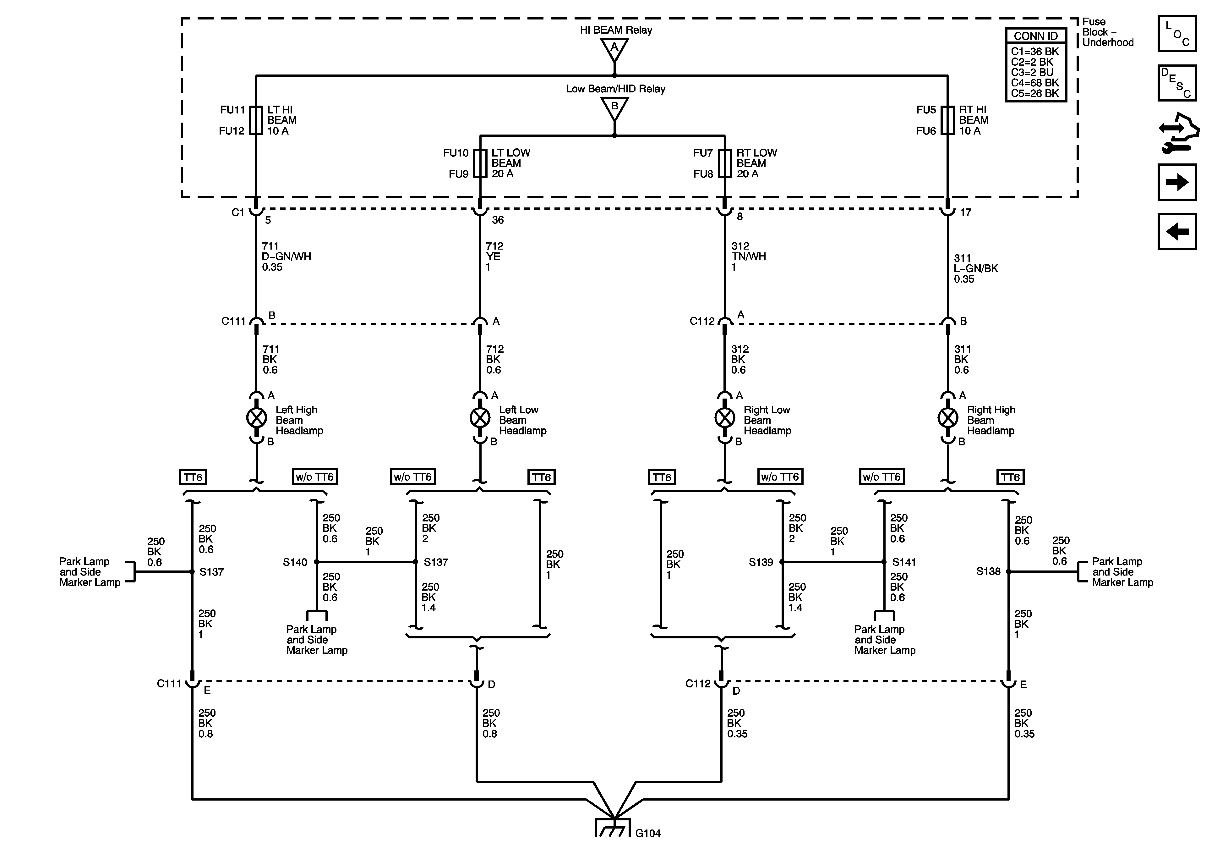
🢒 Headlamps - Domestic
Headlamps - Domestic
Headlamps - Domestic
Master Electrical Component List
Exterior Lighting Systems Description and Operation
Control Module References
Headlamps - Export
Headlamp Controls
Headlamp Controls
Headlamp Controls
Parking Lamps - Domestic
Parking Lamps - Domestic
G104
Parking Lamps - Domestic
Parking Lamps - Domestic