GM Service Manual Online
For 1990-2009 cars only
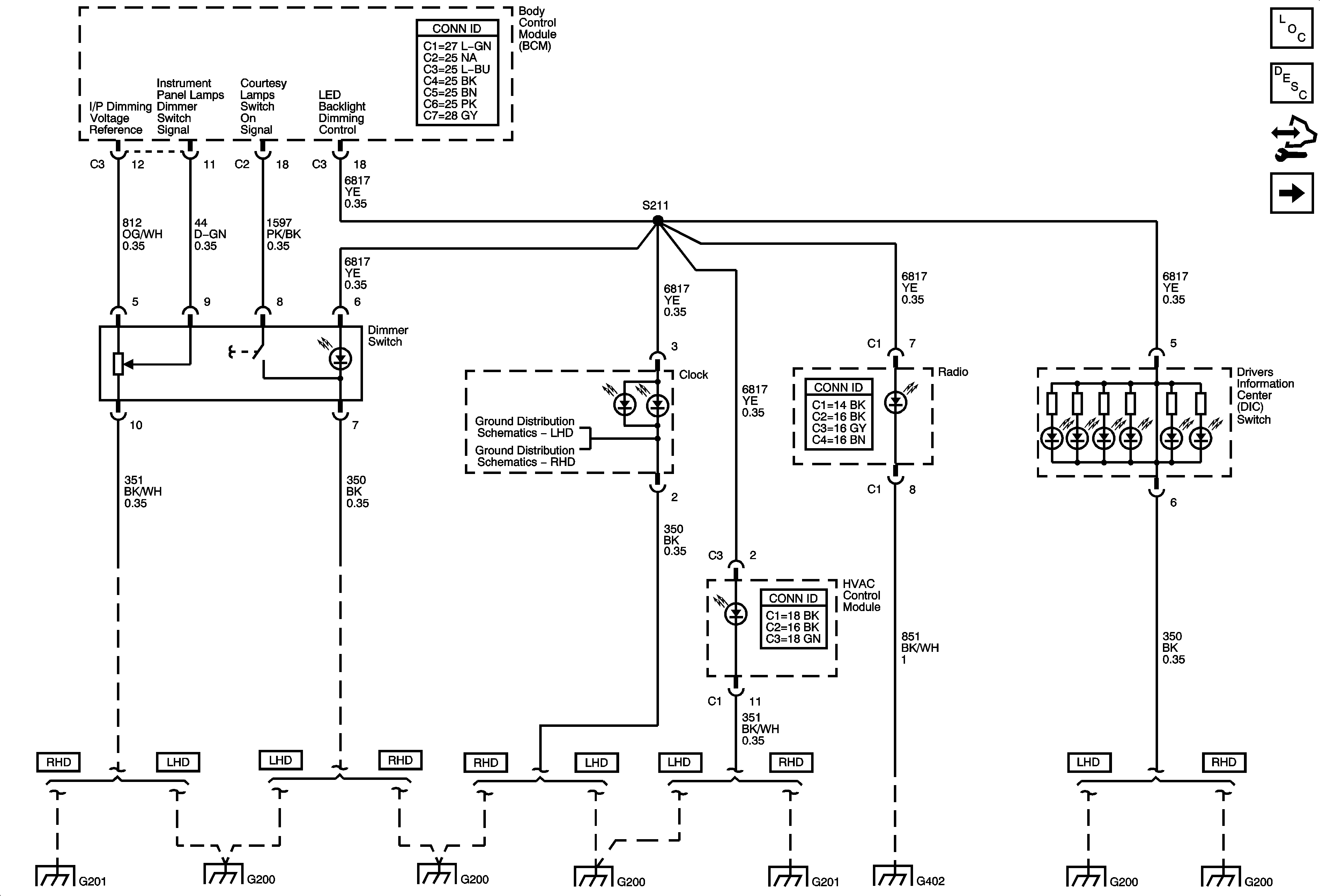
Figure 1:

Interior Lamps Dimming Controls


Object Number: 1749634  Size: FS
Master Electrical Component List
Interior Lighting Systems Description and Operation
Control Module References
Dimming Lamps (1 of 3)
G200 (1 of 2) LHD
G200 2 OF 2 (RHD)
G402 (1 of 2)
G201 (RHD)
G200 (1 of 2) LHD
G200 2 OF 2 (RHD)
G200 (1 of 2) LHD
G201 (RHD)
G402 (1 of 2)
G200 (1 of 2) LHD
G200 2 OF 2 (RHD)
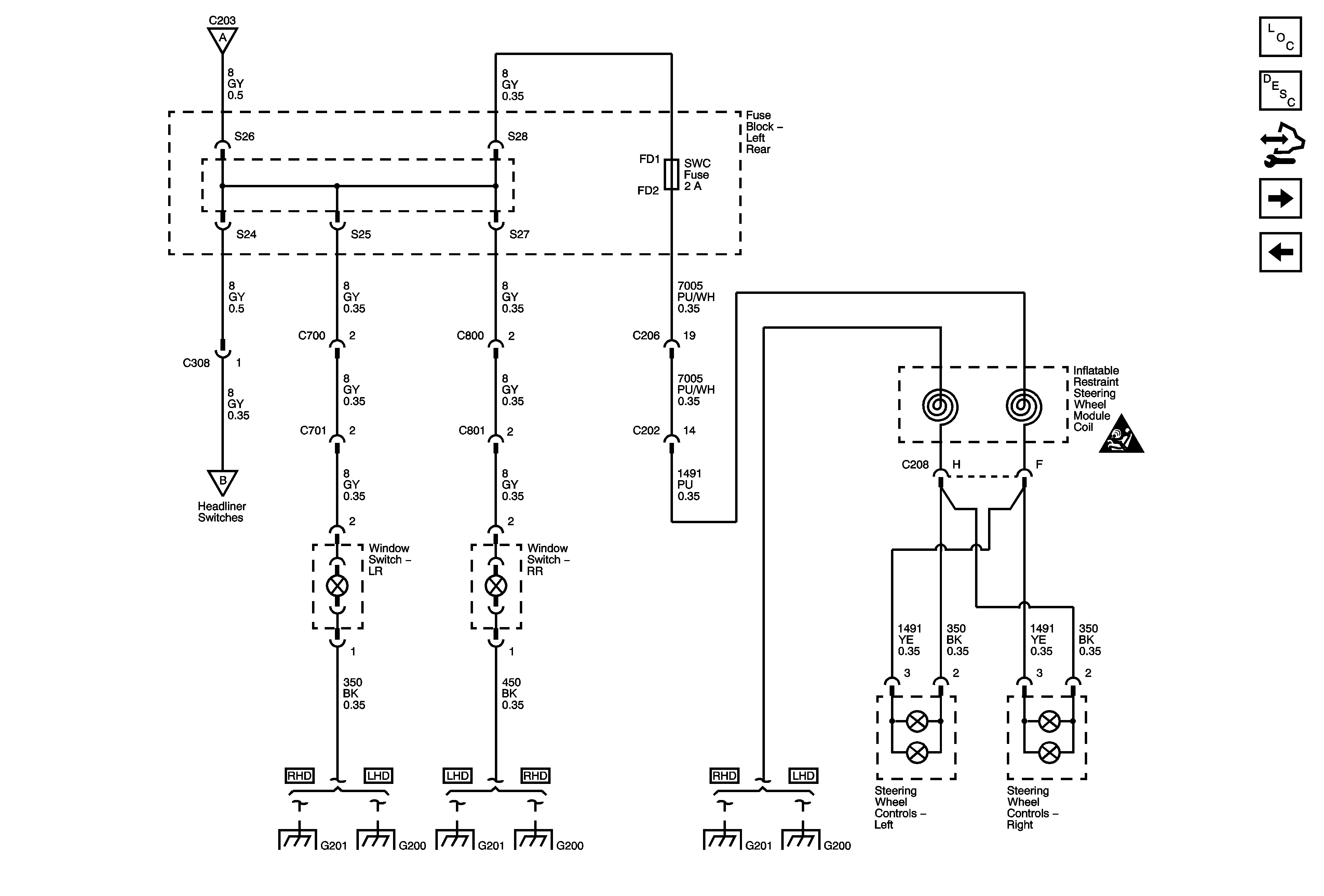
Figure 2:

Dimming Lamps (1 of 3)


Object Number: 1749635  Size: FS
Master Electrical Component List
Interior Lighting Systems Description and Operation
Control Module References
Dimming Lamps (2 of 3)
Interior Lamps Dimming Controls
Dimming Lamps (2 of 3)
Hazard and Turn Lamps - Domestic
Hazard and Turn Lamps - Export
Indicator, Traction Control, and Brake Pedal Position Sensor
Tap Shift System
Transmission Range Signals and Tow/Haul Switch
G200 (1 of 2) LHD
G200 2 OF 2 (RHD)
G200 (1 of 2) LHD
G200 2 OF 2 (RHD)
G200 2 OF 2 (RHD)
G200 (1 of 2) LHD
G200 2 OF 2 (RHD)
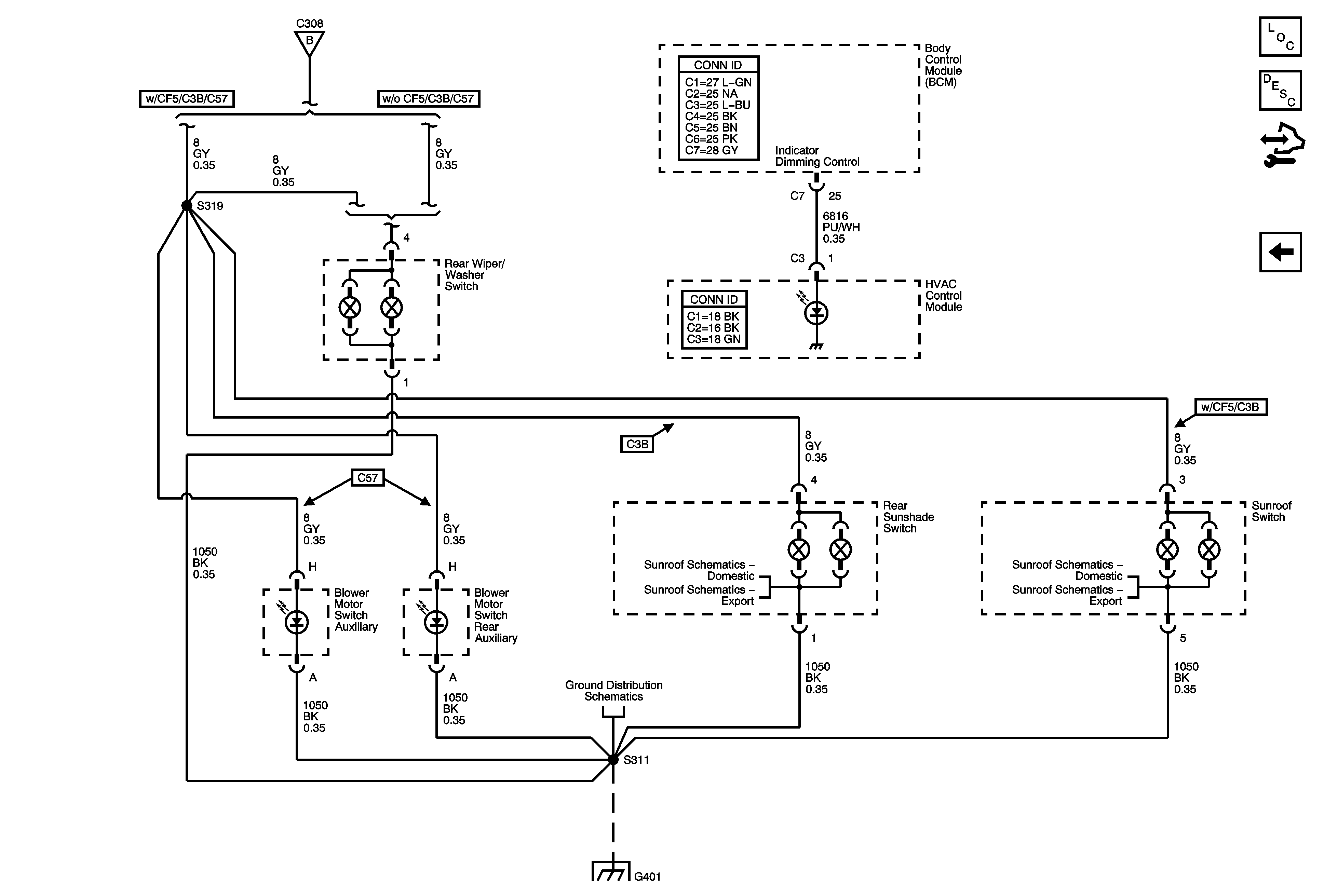
Figure 3:

Dimming Lamps (2 of 3)


Object Number: 1749636  Size: FS
Master Electrical Component List
Interior Lighting Systems Description and Operation
Control Module References
Dimming Lamps (3 of 3)
Dimming Lamps (1 of 3)
Dimming Lamps (1 of 3)
Lighting Systems Schematic Icons
Dimming Lamps (3 of 3)
G201 (RHD)
G200 (2 of 2) LHD
G201 (LHD)
G200 1 OF 2 (RHD)
G201 (RHD)
G200 (1 of 2) LHD
Figure 4:

Dimming Lamps 3 of 3


Object Number: 1839010  Size: FS
Master Electrical Component List
Interior Lighting Systems Description and Operation
Control Module References
Dimming Lamps (2 of 3)
Dimming Lamps (2 of 3)
Rear Sunshade - Domestic
Rear Sunshade - Export
Sunroof and Front Sunshade - Domestic
Sunroof and Front Sunshade - Export
G401 (2 of 3)
G401 (2 of 3)