GM Service Manual Online
For 1990-2009 cars only
Makes
🢒
Cadillac
🢒
2007
🢒
STS
🢒
Diagnostic Navigation
🢒
Vehicle Diagnostic Information
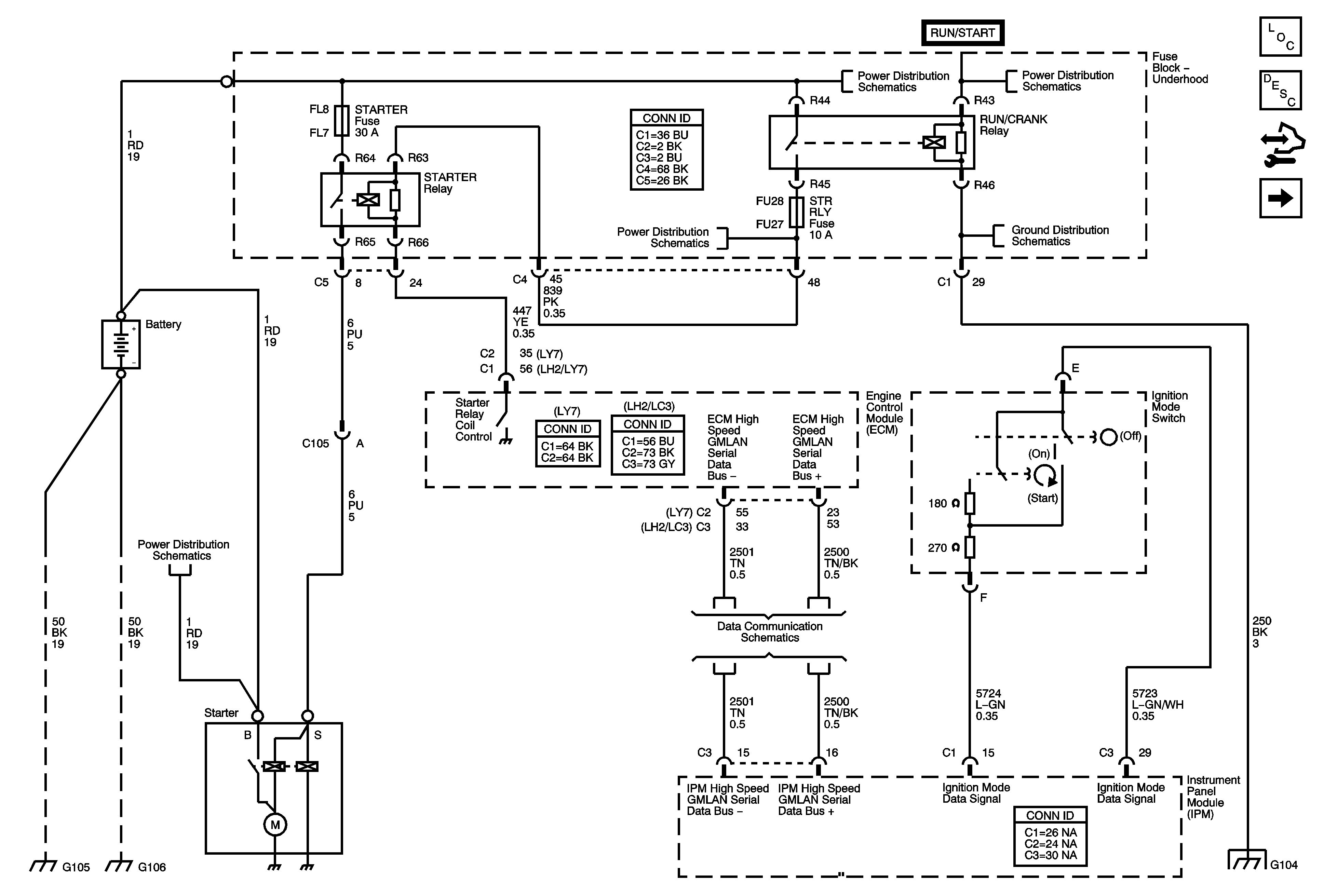
🢒 Starting and Charging Schematics
Figure
1:
Starting System
Master Electrical Component List
Charging System Description and Operation
Control Module References
Charging System
Fuse Block Underhood Wiring Bussing
Fuse Block - Right Rear - Lt Turn Signal, RIM 1, Rear Fog Lamp, Ft Pass Door Module, Htd Stg Clm, IGN 1, RIM 2 and Airbag Fuses, Rear Fog Lamp and Ign 1 Relays
Fuse Block - Underhood: Starter, RUN/CRANK Relays; Starter, Starter Relay, CCP, TCM/IPM/ECM, MAF, ABS and Washer Nozzle/ACC Fuses
G104 (1 of 2)
Fuse Block Underhood Wiring Bussing
GM LAN - High Speed, Domestic w/ UE1
G104 (1 of 2)
G105, G106, G110, G306, G403 and G404
G105, G106, G110, G306, G403 and G404
Figure
2:
Charging System
Master Electrical Component List
Charging System Description and Operation
Control Module References
Hood Ajar Switch
Starting System - LC3
Fuse Block Underhood Wiring Bussing
GM LAN - Low Speed 2 of 2
GM LAN - High Speed, Domestic w/ UE1
G105, G106, G110, G306, G403 and G404
G105, G106, G110, G306, G403 and G404
Figure
3:
Hood Ajar Switch Schematic
Master Electrical Component List
Charging System Description and Operation
Control Module References
Charging System
G104 (1 of 2)