GM Service Manual Online
For 1990-2009 cars only

Refer to Radio/Audio System Schematics:

    • 

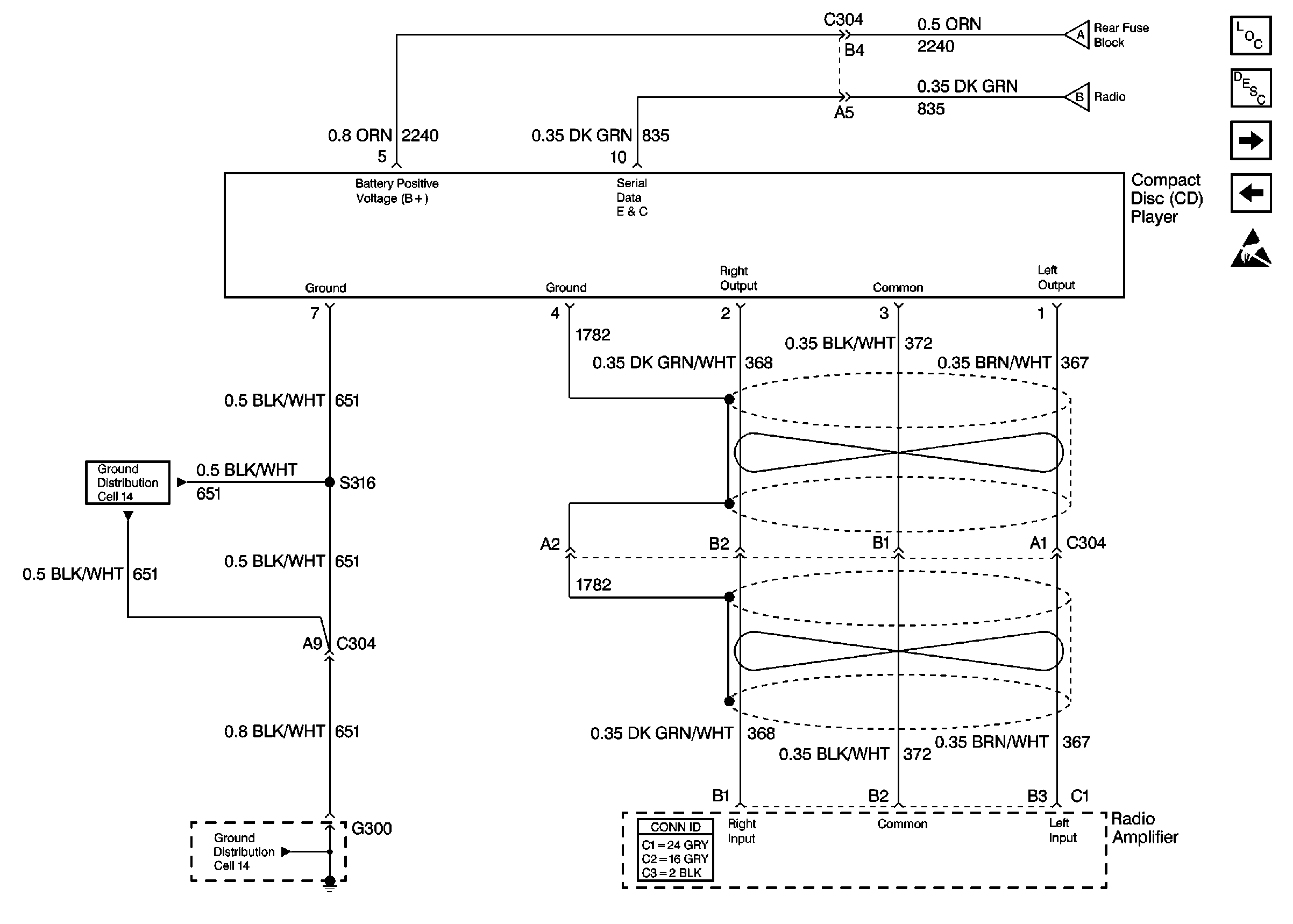
Cell 150: Compact Disc (CD) Player (w/UX8)


Object Number: 385862  Size: FS
Entertainment Components
Radio/Audio System Circuit Description
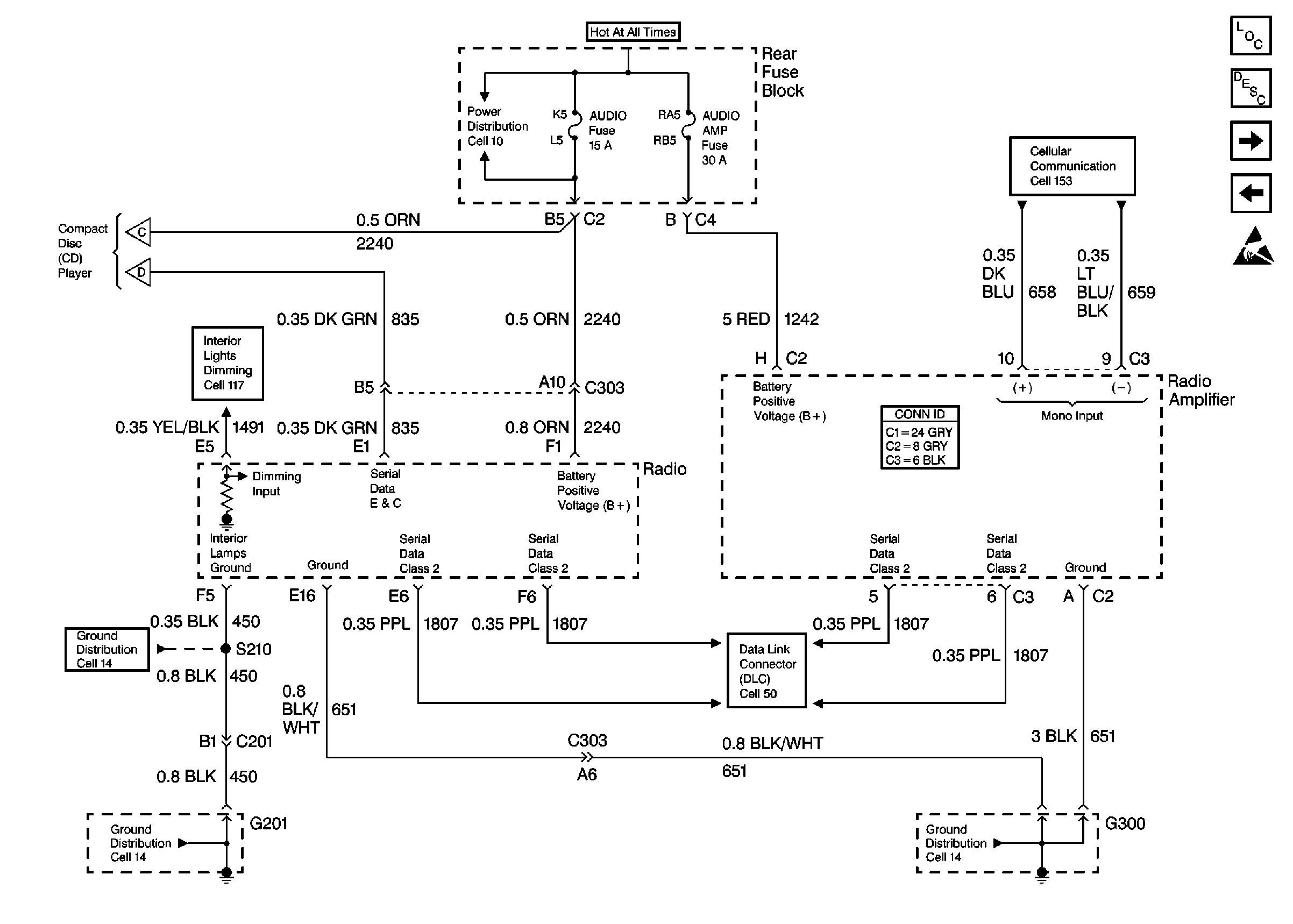
Cell 150: Radio Amplifier (w/UX8)
Cell 150: Power and Ground (w/UX8)
Handling ESD Sensitive Parts Notice
Cell 150: Power and Ground (w/UX8)
Cell 150: Power and Ground (w/UX8)
Cell 14: G300
Cell 14: G300
    • 

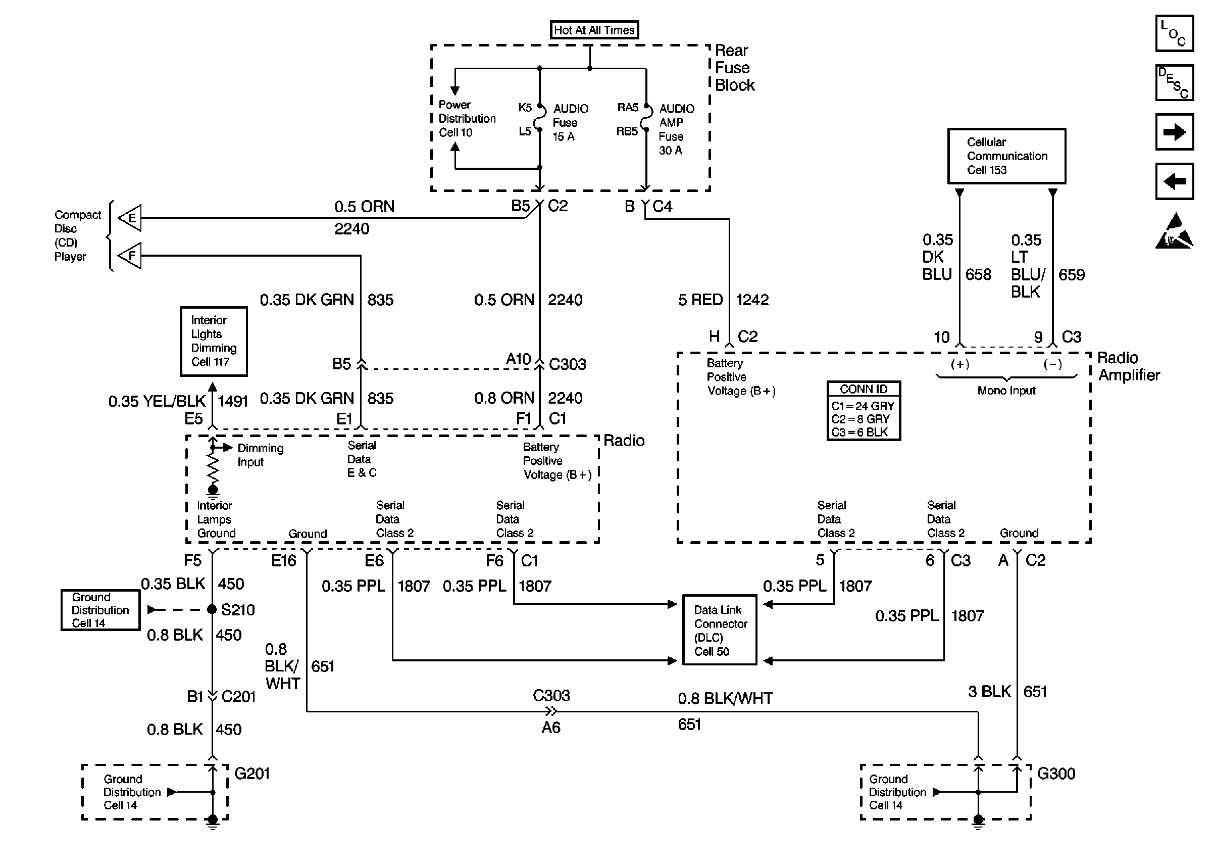
Cell 150: Power and Ground (w/UX9)


Object Number: 385888  Size: FS
Entertainment Components
Radio/Audio System Circuit Description
Cell 150: Compact Disc (CD) Player (w/UX9)
Cell 150: Rear Speakers (w/UX8)
Handling ESD Sensitive Parts Notice
Cell 150: Compact Disc (CD) Player (w/UX9)
Cell 10: AUDIO, AUDIO AMP and DIM Fuses
Cell 153: Handset and Radio Amplifier
Cell 50: Class Serial Data Line (1 of 2)
Cell 14: G300
Cell 14: G201 (2 of 3)
Cell 14: G201 (2 of 3)
Cell 117: Instrument Panel Dimming
    • 

Cell 150: Power and Ground (w/UY4)


Object Number: 385908  Size: FS
Entertainment Components
Radio/Audio System Circuit Description
Cell 150: Compact Disc (CD) Player (w/UY4)
Cell 150: Speakers (w/UX9)
Handling ESD Sensitive Parts Notice
Cell 150: Compact Disc (CD) Player (w/UY4)
Cell 10: AUDIO, AUDIO AMP and DIM Fuses
Cell 153: Handset and Radio Amplifier
Cell 50: Class Serial Data Line (1 of 2)
Cell 14: G300
Cell 14: G201 (2 of 3)
Cell 14: G201 (2 of 3)
Cell 117: Instrument Panel Dimming

Circuit Description

Battery positive voltage (B+) is supplied via CKT 2240 (ORN) to the radio (IRC) at terminal F1. The radio monitors this voltage to determine if it is within a valid operating range.

Conditions for Setting the DTC

The battery positive voltage (B+) rises above 15.5 volts for more than approximately 1.2 seconds.

Action Taken When the DTC Sets

    • The radio stores a DTC B1982 in its memory.
    • The radio does not respond to inputs when the voltage is greater than 15.5 volts.
    • No driver warning message is displayed for this DTC.

Conditions for Clearing the DTC

The battery positive voltage (B+) level falls below 15 volts for approximately 1.2 seconds.

Diagnostic Aids

This DTC may set when the vehicle is placed on a battery charger on fast or boost charge for a long period of time.

Step

Action

Value(s)

Yes

No

1

Was the Radio/Audio System Diagnostic System Check performed?

--

Go to Step 2

Go to Diagnostic System Check - Radio/Audio System

2

  1. Turn the ignition switch to ON.
  2. Connect a scan tool to the data link connector (DLC).
  3. Select DATA from the radio (IRC) data list.

Is the battery positive voltage (B+) less than the specified value?

15.5 V

Go to Step 4

Go to Step 3

3

  1. Turn the ignition switch to OFF.
  2. Disconnect the radio connector.
  3. Measure the voltage between the radio connector terminal F1 and ground.

Is the measured voltage greater than the specified value?

15.5 V

Go to Charging System Check in Engine Electrical

Go to Step 4

4

Replace the radio. Refer to Radio Replacement .

Is the replacement complete?

--

Go to Step 5

--

5

  1. Turn the ignition switch to OFF.
  2. Reconnect or install any connectors or components that were disconnected or removed.
  3. Turn the ignition switch to ON.
  4. Clear any DTCs.

Are all DTCs cleared?

--

Go to Diagnostic System Check - Radio/Audio System

--